2023年河北省气门产品质量监督抽查实施细则.docx

上传人:p** 文档编号:202949 上传时间:2023-04-16 格式:DOCX 页数:2 大小:17.65KB
下载 相关 举报
2023年河北省气门产品质量监督抽查实施细则.docx_第1页
第1页 / 共2页
2023年河北省气门产品质量监督抽查实施细则.docx_第2页
第2页 / 共2页
亲,该文档总共2页,全部预览完了,如果喜欢就下载吧!
资源描述

《2023年河北省气门产品质量监督抽查实施细则.docx》由会员分享,可在线阅读,更多相关《2023年河北省气门产品质量监督抽查实施细则.docx(2页珍藏版)》请在第壹文秘上搜索。

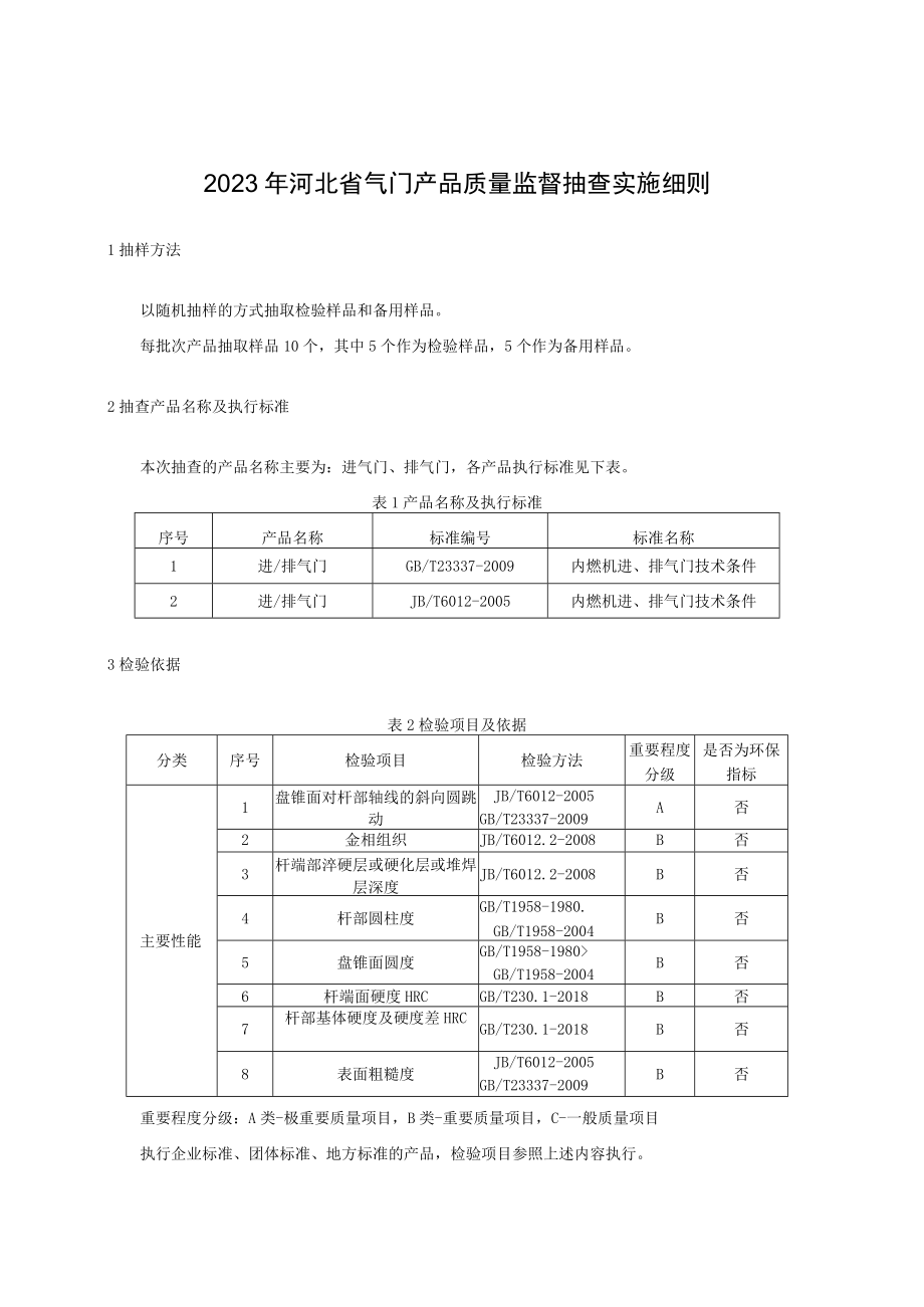
1、2023年河北省气门产品质量监督抽查实施细则1抽样方法以随机抽样的方式抽取检验样品和备用样品。每批次产品抽取样品10个,其中5个作为检验样品,5个作为备用样品。2抽查产品名称及执行标准本次抽查的产品名称主要为:进气门、排气门,各产品执行标准见下表。表1产品名称及执行标准序号产品名称标准编号标准名称1进/排气门GB/T23337-2009内燃机进、排气门技术条件2进/排气门JB/T6012-2005内燃机进、排气门技术条件3检验依据表2检验项目及依据分类序号检验项目检验方法重要程度分级是否为环保指标主要性能1盘锥面对杆部轴线的斜向圆跳动JB/T6012-2005GB/T23337-2009A否2

2、金相组织JB/T6012.2-2008B否3杆端部淬硬层或硬化层或堆焊层深度JB/T6012.2-2008B否4杆部圆柱度GB/T1958-1980.GB/T1958-2004B否5盘锥面圆度GB/T1958-1980GB/T1958-2004B否6杆端面硬度HRCGB/T230.1-2018B否7杆部基体硬度及硬度差HRCGB/T230.1-2018B否8表面粗糙度JB/T6012-2005GB/T23337-2009B否重要程度分级:A类-极重要质量项目,B类-重要质量项目,C-一般质量项目执行企业标准、团体标准、地方标准的产品,检验项目参照上述内容执行。凡是注日期的文件,其随后所有的修改

3、单(不包括勘误的内容)或修订版不适用于本细则。凡是不注日期的文件,其最新版本适用于本细则。依照有关规定或产品适用标准,需要检测的其他项目,可视情况进行调整。4判定规则4.1 依据标准JB/T6012-2005内燃机进、排气门技术条件GB/T23337-2009内燃机进、排气门技术条件现行有效的企业标准、团体标准、地方标准及产品明示质量要求等4.2 判定原则经检验,检验项目全部合格,判定为被抽查产品所检项目未发现不合格;检验项目中任一项或一项以上不合格,判定为被抽查产品不合格。若被检产品明示的质量要求高于本细则中检验项目依据的标准要求时,应按被检产品明示的质量要求判定。若被检产品明示的质量要求低于本细则中检验项目依据的强制性标准要求时,应按照强制性标准要求判定。若被检产品明示的质量要求低于或包含本细则中检验项目依据的推荐性标准要求时,应以被检产品明示的质量要求判定。若被检产品明示的质量要求缺少本细则中检验项目依据的强制性标准要求时,应按照强制性标准要求判定。若被检产品明示的质量要求缺少本细则中检验项目依据的推荐性标准要求时,该项目不参与判定。

展开阅读全文
相关资源
猜你喜欢
相关搜索

当前位置:首页 > 管理/人力资源 > 质量管理

copyright@ 2008-2023 1wenmi网站版权所有

经营许可证编号:宁ICP备2022001189号-1

本站为文档C2C交易模式,即用户上传的文档直接被用户下载,本站只是中间服务平台,本站所有文档下载所得的收益归上传人(含作者)所有。第壹文秘仅提供信息存储空间,仅对用户上传内容的表现方式做保护处理,对上载内容本身不做任何修改或编辑。若文档所含内容侵犯了您的版权或隐私,请立即通知第壹文秘网,我们立即给予删除!