3米净高(4米)重力式挡墙验算.docx

上传人:p** 文档编号:205557 上传时间:2023-04-16 格式:DOCX 页数:15 大小:93.79KB
下载 相关 举报
3米净高(4米)重力式挡墙验算.docx_第1页
第1页 / 共15页
3米净高(4米)重力式挡墙验算.docx_第2页
第2页 / 共15页
3米净高(4米)重力式挡墙验算.docx_第3页
第3页 / 共15页
3米净高(4米)重力式挡墙验算.docx_第4页
第4页 / 共15页
3米净高(4米)重力式挡墙验算.docx_第5页
第5页 / 共15页
3米净高(4米)重力式挡墙验算.docx_第6页
第6页 / 共15页
3米净高(4米)重力式挡墙验算.docx_第7页
第7页 / 共15页
3米净高(4米)重力式挡墙验算.docx_第8页
第8页 / 共15页
3米净高(4米)重力式挡墙验算.docx_第9页
第9页 / 共15页
3米净高(4米)重力式挡墙验算.docx_第10页
第10页 / 共15页
亲,该文档总共15页,到这儿已超出免费预览范围,如果喜欢就下载吧!
资源描述

《3米净高(4米)重力式挡墙验算.docx》由会员分享,可在线阅读,更多相关《3米净高(4米)重力式挡墙验算.docx(15页珍藏版)》请在第壹文秘上搜索。

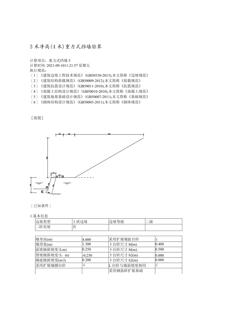
1、3米净高(4米)重力式挡墙验算计算项目:重力式挡墙5计算时间:2021-09-1011:21:57星期五执行规范:1建筑边坡工程技术规范(GB50330-2013),本文简称边坡规范2建筑结构荷载规范(GB50009-2012),本文简称荷载规范3建筑抗震设计规范(GB50011-2010),本文简称抗震规范4混凝土结构设计规范(GB50010-2010),本文简称混凝土规范5建筑地基基础设计规范(GB50007-2011),本文简称基础规范6砌体结构设计规范(GB50003-2011),本文简称砌体规范简图已知条件1.基本信息边坡类型土质边坡边坡等级二级二阶直坡否墙身高(m)4.000采用扩

2、展墙趾台阶墙顶宽(m)1.300卜台阶尺寸bl(m)0.400面坡倾斜坡度(Lm)0.250卜台阶尺寸hl(m)0.500背坡倾斜坡度(l:m)-0.250卜台阶尺寸b2(m)0.000墙底倾斜坡度(m:l)0.200卜台阶尺寸h2(m)0.000采用扩展墙踵台阶乂L台阶与墙面坡度相同采用钢筋碎扩展基础采用防滑凸样乂墙身材料种类素混凝土墙体容重(kNn23.OOO碎弓虽度等级C20受剪验算是否考虑轴力X2.岩土信息背侧坡线数3面侧坡线数墙趾埋深(m)1.000背侧坡线序号水平投影长(m)竖向投影长(m)坡线长(m)坡线仰角(度)荷载数12.0000.0002.0000.000123.0000.

3、0003.0000.0000318.30010.50021.09829.8460坡线荷载序号荷载类型距离(m)宽度(m)荷载值(kPa,kNm)1-1满布均载10.000面侧坡线序号水平投影长(m)竖向投影长(m)坡线长(m)坡线仰角(度)12墙后填土层数2填土与墙背摩擦角(度)15.000墙后稳定地面角(度)0.000填土与稳定面摩擦角(度)30.000墙后土层序号土层厚(m)重度(kNm3)浮重度(kNm3)粘聚力(kPa)内摩擦角(度)111.90020.00010.0005.00030.00024.00020.00010.0001.00030.000地基岩土重度(kN20.000地基岩

4、土粘聚力(kPa)1.000地基岩土内摩擦角(度)30.000修正后承载力特征值(kPa)230.000地基岩土对基底摩擦系数0.400地基岩土浮重度(kNfj)10.000浮力系数0.700地基岩土间摩擦系数0.400基底宽度取斜面长度3.荷载信息场地环境浸水地区土压力计算方法朗肯墙顶标高(m)0.000主动岩土压力增大系数1.000墙背常年水位标高(m)-1.400放坡计算方法等效超载法墙面常年水位标高(m)-1.400水的考虑方法水土分算序号组合名称组合系数1组合1荷载组合数1(1)组合1序号荷载名称荷载类型是否参与分项系数1挡墙结构自重永久荷载0.9002墙顶与第二破裂面间有效荷载永久

5、荷载1.3003墙背侧岩土侧压力永久荷载1.3004墙背侧地表荷载引起岩土侧压力可变荷载1.3005计算水位的浮力永久荷教1.5006墙背侧计算水位的静水压力永久荷载1.5007墙面侧计算水位的静水压力永久荷载1.5004.整体稳定是否计算整体稳定稳定计算目标自动搜索最危险滑裂面条分法的土条宽度(m)1.000搜索时的圆心步长(m)1.000搜索时的半径步长(m)1.000土条切向分力与滑动方向反向时是否考虑墙前覆土计算内容(1)墙身力系计算(2)滑动稳定性验算(3)倾覆稳定性验算(4)地基承载力及偏心距验算(5)墙底截面强度验算(6)台顶截面强度验算(7)整体稳定验算计算结果一、【组合1】(

6、-)作用在挡土墙上的力系计算1岩土压力计算(1)合力在距墙顶4.32m范围内,计算土压力。放坡土压力采用等效超载法计算,由放坡转换而来的超载示意图如下图所示:按假想墙背计算朗肯主动土压力:Ea=37.263(kN)Ex=37.263(kN)Ey=O.000(kN)作用点高度Zy=I.471(m)(2)分布岩土压力分布见左侧结果图。2墙身重力计算墙身截面积二5.675(m2)重量=130.530(kN)重心至墙趾的水平距离=1.483(m)3地下水作用力及合力作用点坐标(相对于墙面坡上角点)X分力(kN)Y分力(kN)Xc(m)Yc(m)墙面坡侧:33.80-16.85-1.00-3.13墙背坡

7、侧:-42.7410.690.46-3.35墙底面:6.2631.30-0.57-4.17(二)滑动稳定性验算基底摩擦系数二0.400采用倾斜基底增强抗滑动稳定性,计算过程如下:基底倾斜角度=11.310(度)总竖向力二105.394(kN),在基底面的法向分量=103.347(kN),切向分量=20.669(kN)总水平力=39.946(kN),在基底面的法向分量=7.834(kN),切向分量=39.171(kN)滑移力=39.171-20.669=18.501(kN)抗滑力=105.394*0.400=44.472(kN)滑移验算满足:Kc=2.4041,300(H)倾覆稳定性验算相对于墙

8、趾点:墙身重力的力臂=1.483(m)Ey的力臂=1.619(m)EX的力臂=1.147(m)验算挡土墙绕墙趾的倾覆稳定性倾覆力矩=117.324(kN-m)抗倾覆力矩=229.650(kN-m)倾覆验算满足:Ko=1.9571.600(四)地基承载力及偏心距验算基础类型为天然地基,验算墙底偏心距及压应力取倾斜基底的倾斜宽度验算地基承载力和偏心距相对于墙趾点:总竖向力(标准值)=111.181(kN)总弯矩(标准值)=112.326(kN-m)力臂Zn=1.010(m)基础底面宽度B=1.651(m)偏心距e=-0.185(m)=0.185(m)(右偏)作用于基底的合力偏心距验算满足:e=0.

9、1850.2501.651=0.413(m)基底压力(标准值):墙趾=22.131(kPa)墙踵=112.544(kPa)地基平均承载力验算满足:pk=67.337fa=230.000(kPa)基础边缘地基承基力验算满足:ptett=l12.5441.2fa=l.2X230.000=276.000(kPa)(五)墙底截面强度验算1岩土压力不重新计算2墙身重力计算墙身截面积=5.400(m2)重量=124.200(kN)重心至墙趾的水平距离=1.502(m)3地下水作用力及合力作用点坐标(相对于墙面坡上角点)X分力(kN)Y分力(kN)Xc(m)Yc(m)墙面坡侧:33.80-16.85-1.0

10、0-3.13墙背坡侧:-33.808.450.52-3.13墙底面:0.0030.94-0.55-4.004截面验算相对于验算截面外边缘:墙身重力的力臂=1.502(m)Ey的力臂=2.700(m)EX的力臂=1.147(m)相对于截面趾点:总竖向力(设计值)=126.07KkN)总弯矩(设计值)=107.326(kN-m)力臂Zn=0.851(m)截面宽度B=1.700(m)偏心距el=-0.0011(m)=0.0OI(Jn)(右偏)截面上偏心距验算满足:e=0.001W0.225X1.700=0.382(m)重要性系数YD=1.000验算截面上的轴向压力设计值N=126.071(kN)素混

11、凝土构件的稳定系数=0.973每沿米混凝土受压区面积Ac=1.703(m2)素混凝土轴心抗压强度设计值J=8160.0(kPa)受压承载力验算满足:YoN=126.071fccA,c=13517.599(kN)重要性系数Yo=1.000验算截面上的剪力设计值V=41.682(kN)轴向压力设计值N=126.071(kN)挡墙构件的计算截面每沿米面积A=1.700(m2)素混凝土轴心抗拉强度设计值3=605.000(kPa)计算截面的剪跨比入=1.5受剪承载力验算满足:YoV=41.6821.75ftbho(+l)=719.950(kN)(六)台顶截面强度验算1岩土压力计算在距墙顶3.50m范围

12、内,计算土压力。放坡土压力采用等效超载法计算,由放坡转换而来的超载示意图如下图所示:按假想墙背计算朗肯主动土压力:Ea=25.664(kN)Ex=25.664(kN)Ey=O.000(kN)作用点高度Zy=I.135(m)2墙身重力计算墙身截面积=4.550(m2)重量=104.650(kN)重心至墙趾的水平距离=1.087(m)3地下水作用力及合力作用点坐标(相对于墙面坡上角点)X分力(kN)Y分力(kN)Xc(m)Yc(m)墙面坡侧:22.05-5.51-0.70-2.80墙背坡侧:-22.055.510.60-2.80墙底面:0.0019.11-0.23-3.504截面验算相对于验算截面

13、外边缘:墙身重力的力臂=1.087(m)Ey的力臂=2.175(m)EX的力臂=1.135(m)相对于截面趾点:总竖向力(设计值)=95.288(kN)总弯矩(设计值)=58.515(kN-m)力臂Zn=0.614(m)截面宽度B=1.300(In)偏心距el=0.036(m)(左偏)截面上偏心距验算满足:e=0.036W0.225X1.300=0.292(m)重要性系数YO=1.000验算截面上的轴向压力设计值N=95.288(kN)素混凝土构件的稳定系数=0.966每沿米混凝土受压区面积Ac=1.228(m2)素混凝土轴心抗压强度设计值九=8160.0(kPa)受压承载力验算满足:YaN=95.288feA.=9682.754(kN)重要性系数YO=1.000验算截面上的剪力设计值V=28.953(kN)轴向压力设计值N=95.288(kN)挡墙构件的计算截面每沿米面积A=1.300(m2)素混凝土轴心抗拉强度设计值f,”=605.000

展开阅读全文
相关资源
猜你喜欢
相关搜索

当前位置:首页 > 建筑/环境 > 建材标准

copyright@ 2008-2023 1wenmi网站版权所有

经营许可证编号:宁ICP备2022001189号-1

本站为文档C2C交易模式,即用户上传的文档直接被用户下载,本站只是中间服务平台,本站所有文档下载所得的收益归上传人(含作者)所有。第壹文秘仅提供信息存储空间,仅对用户上传内容的表现方式做保护处理,对上载内容本身不做任何修改或编辑。若文档所含内容侵犯了您的版权或隐私,请立即通知第壹文秘网,我们立即给予删除!