4-管道系统吹扫记录变.docx

上传人:p** 文档编号:205627 上传时间:2023-04-16 格式:DOCX 页数:1 大小:15.23KB
下载 相关 举报
4-管道系统吹扫记录变.docx_第1页
第1页 / 共1页
亲,该文档总共1页,全部预览完了,如果喜欢就下载吧!
资源描述

《4-管道系统吹扫记录变.docx》由会员分享,可在线阅读,更多相关《4-管道系统吹扫记录变.docx(1页珍藏版)》请在第壹文秘上搜索。

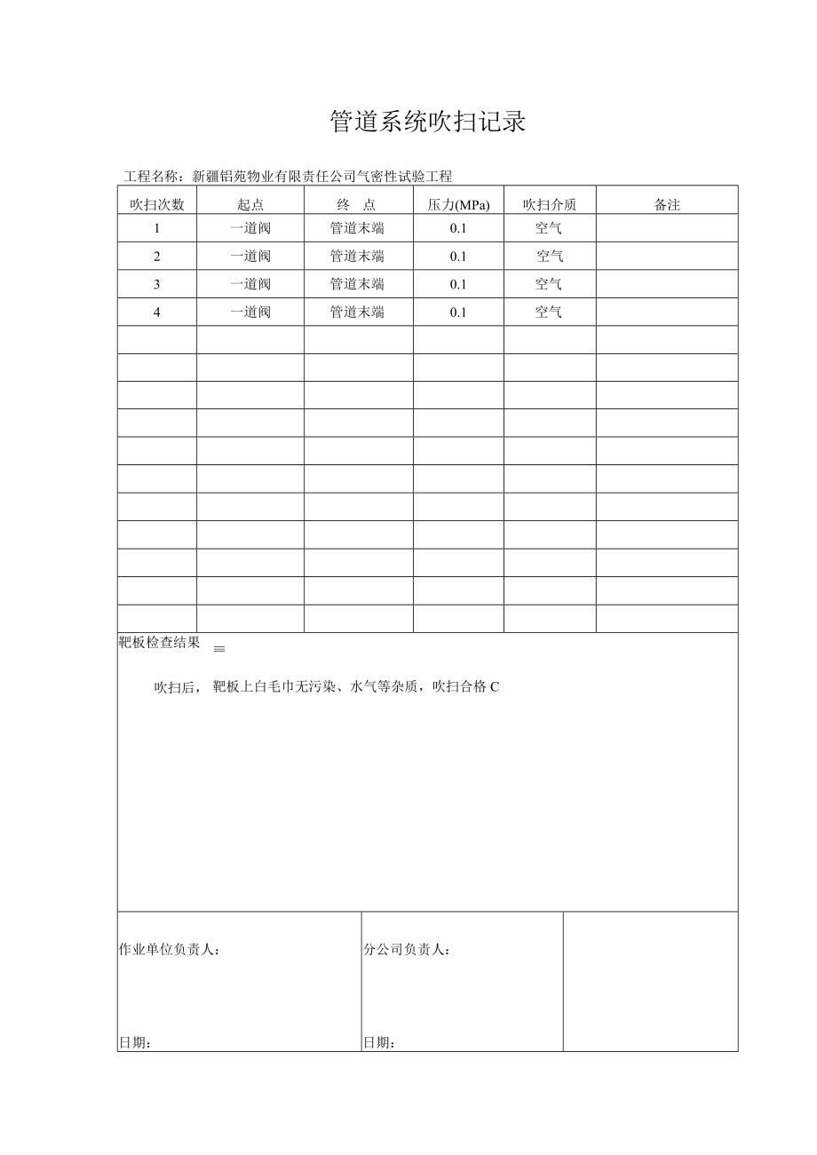
管道系统吹扫记录工程名称:新疆铝苑物业有限责任公司气密性试验工程吹扫次数起点终点压力(MPa)吹扫介质备注1一道阀管道末端0.1空气2一道阀管道末端0.1空气3一道阀管道末端0.1空气4一道阀管道末端0.1空气靶板检查结果吹扫后,靶板上白毛巾无污染、水气等杂质,吹扫合格C作业单位负责人:分公司负责人:日期:日期:

展开阅读全文
相关资源
猜你喜欢
相关搜索

当前位置:首页 > 行业资料 > 石油、天然气工业

copyright@ 2008-2023 1wenmi网站版权所有

经营许可证编号:宁ICP备2022001189号-1

本站为文档C2C交易模式,即用户上传的文档直接被用户下载,本站只是中间服务平台,本站所有文档下载所得的收益归上传人(含作者)所有。第壹文秘仅提供信息存储空间,仅对用户上传内容的表现方式做保护处理,对上载内容本身不做任何修改或编辑。若文档所含内容侵犯了您的版权或隐私,请立即通知第壹文秘网,我们立即给予删除!