TLZFAN3750 增压风机检修工艺及质量标准.docx

上传人:p** 文档编号:206461 上传时间:2023-04-16 格式:DOCX 页数:5 大小:28.23KB
下载 相关 举报
TLZFAN3750 增压风机检修工艺及质量标准.docx_第1页
第1页 / 共5页
TLZFAN3750 增压风机检修工艺及质量标准.docx_第2页
第2页 / 共5页
TLZFAN3750 增压风机检修工艺及质量标准.docx_第3页
第3页 / 共5页
TLZFAN3750 增压风机检修工艺及质量标准.docx_第4页
第4页 / 共5页
TLZFAN3750 增压风机检修工艺及质量标准.docx_第5页
第5页 / 共5页
亲,该文档总共5页,全部预览完了,如果喜欢就下载吧!
资源描述

《TLZFAN3750 增压风机检修工艺及质量标准.docx》由会员分享,可在线阅读,更多相关《TLZFAN3750 增压风机检修工艺及质量标准.docx(5页珍藏版)》请在第壹文秘上搜索。

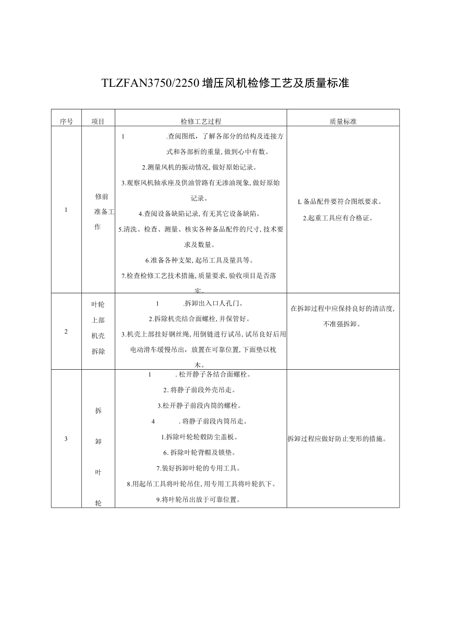
1、TLZFAN3750/2250增压风机检修工艺及质量标准序号项目检修工艺过程质量标准1修前准备工作1 .查阅图纸,了解各部分的结构及连接方式和各部析的重量,做到心中有数。2 .测量风机的振动情况,做好原始记录。3 .观察风机轴承座及供油管路有无渗油现象,做好原始记录。4 .查阅设备缺陷记录,有无其它设备缺陷。5 .清洗、检查、测量、核实各种备品配件的尺寸,技术要求及数量。6 .准备各种支架,起吊工具及量具等。7 .检查检修工艺技术措施,质量要求,验收项目是否落实。L备品配件要符合图纸要求。2.起重工具应有合格证。2叶轮上部机壳拆除1 .拆卸出入口人孔门。2 .拆除机壳结合面螺栓,并保管好。3

2、.机壳上部挂好钢丝绳,用倒链进行试吊,试吊良好后用电动滑车缓慢吊出,放置在可靠位置,下面垫以枕木。在拆卸过程中应保持良好的清洁度,不准强拆卸。3拆卸叶轮1 .松开静子各结合面螺栓。2 .将静子前段外壳吊走。3 .松开静子前段内筒的螺栓。4 .将静子前段内筒吊走。1.拆除叶轮轮毂防尘盖板。6 .拆除叶轮背帽及锁垫。7 .装好拆卸叶轮的专用工具。8 .用起吊工具将叶轮吊住,用专用工具将叶轮扒下。9 .将叶轮吊出放于可靠位置。拆卸过程应做好防止变形的措施。序,:项目检修工艺过程质量标准4轴承的拆卸装配1 .拆卸联轴器螺栓,保管好。2 .拆卸推力轴承、上壳吊走。3 .测量承力轴承、径向轴承的各部配合间

3、隙,并做好原始记录。4 .用两组钢丝绳,吊住主轴连同轴承一起垂直吊起。5 .必要时用液压工具和电拉工具,从主轴上拆卸下轴承6 .装配与之反工序进行,保持全部间隙和间距。测量要认真仔细,记录要准确。7叶轮的安装1 .叶轮叶片、轮毅清理检查,主轴轴颈打磨测量,轴孔打磨测量,检查配合情况,并涂润滑油。2 .用电动葫芦吊叶轮至主轴前端.用专用工具将叶轮压入主轴。3 .背好背帽,锁好锁垫,上好轮毅密封盖。4 .测量调整,叶轮与分流器的轴向间隙,叶轮与静子前端的轴向间隙。5 .测量调整叶轮与外壳间的径向间隙。1 .叶片不得有变形,裂纹等缺陷,各焊缝无裂纹,磨损至5mm应修复,1Omm时应更换.更换新叶片的

4、位置不得与旧叶片的位置重合。2 .叶轮与分流器和叶轮与静子前端间隙为1218mm.。3 .叶轮与外壳的径向间隙:36mm.o9联轴器找中心1 .用顶丝调整电机位置,用透光法粗找联轴器同心度。2 .在两联轴上分别装上百分表,测量面距差及圆周差,通过微调电机使两个联轴器的同心度在规定的范围内。3 .紧固电机地脚螺栓,同时观察百分表的读数变化。4 .装复对轮外壳,端盖,加油。5 .上防护罩。1 .面距差0.05mm。2 .圆周误差0.05mm.3 .当电机轴窜到非负荷侧的顶点时,两连轴器面距必须保持在11.512毫米内。序,:项目检修工艺过程质量标准10试运前的准备工作1 .风机所有地脚螺栓和联接螺

5、栓都应紧固可靠.。2 .叶轮的轴向,径向间隙符合图纸要求。3 .人工盘车数次无磨擦及其它异常。4 .检查调节机构,手动操作调节机构数次,动作应灵活,无卡涩或死点,刻度盘指示与静叶开度一致,风机前后隔绝门开关灵活。5 .电机转向与风机转向一致。L确保风机和管道内没有遗留工具或杂物。2.监视仪表的指示.联锁装置及事故按钮的动作应正确无误。11试运转1.风机启动前先投入油站运行2小时,调整供油压力正常及整个供油系统正常后,启动风机试运行,第一次试运行不少于2小时,检查合格后,方可投入正式运行,检修后的试运转不少于20分钟。2 .检查各轴承的温度,温升以及油位。3 .测量轴承振动值。风机运行正常的振幅

6、为0.01mm,最大振幅为0.25mm,风机轴承双向振幅不超过0.025mm。一一风机噪音水平在距设备外部1.0米处不超过85dB(A)o在风机机壳上敷设吸声材料,并进行保温。L供油压力:0.4Mpa.2 .供油量:25Lmin03 .轴承温度60C4 .振动值0.05mm.5 .振速6 .3mmso12电机轴承座的解体L联系热工拆除热工元件。2 .清理轴承座表面,使其见本色,卸轴承座结合面螺栓,取卜轴承座结合面的定位销,旋紧轴承座上盖的吊环。3 .拆卸推力轴承箱上盖,用塞尺测量上瓦与轴颈上部间隙及两侧间隙,做好记录。4 .取下上轴瓦,测量下轴瓦两侧间隙做好记录。5 .同样方法拆卸和测量承力轴

7、承的各部配合间隙,并做好原始记录。6 .用两组钢丝绳,手拉葫芦分别吊住电机主轴的联轴器端和风扇端。(用千斤顶将大轴顶起5mm左右,取下下瓦,承力瓦取下下瓦时,要将叶轮的上盖拆下螺栓顶起5mm左右才能将下瓦抽出。)7 .两组手拉葫芦同时用力,将主轴稍微拉起。8 .分别取下推力侧和承力侧下瓦,检查轴瓦,对异常情况作好记录并进行处理。1 .测量要认真仔细,记录要准确。2 .拆卸过程不准损伤瓦面。序,:项目检修工艺过程质量标准13轴瓦的刮研L轴瓦的刮研。2 .用煤油清洗瓦面,然后轴瓦表面作外观检查,看鸽金层有无裂纹,砂眼重皮和钙金剥落等缺陷。3 .查明轴瓦与轴颈的配合情况,将瓦面和轴颈擦洗干净,在轴颈

8、上涂以薄薄一层红丹粉油.然后把轴瓦扣在轴颈上,用手压住轴瓦,同时沿周向对轴颈作往复滑动.往第数次后,便将轴瓦取下,查看接触情况.此时会发现轴瓦内表面有的地方有红油点,有的地方有黑点,有的地方有亮点.无红油点处就表明轴瓦与轴颈无接触,且间隙较大,红点表示二者虽有接触,但间隙较小,黑点说明它比红点高,轴瓦与轴略有接触,而亮点表明接触最重,亦即最高点。4 .不符合要求时,需对高点进行削平,然后再按(1)进行检查。5 .反复多次,直至符合要求为止。1 .轴瓦不得有起皮、脱胚、凹陷、裂纹、砂眼等缺陷。2 .轴颈顶隙:0.150.30mmo1 .轴颈侧隙:0.100.15mm接触角60度。2 .当推力瓦面

9、和轴肩接触时,径向轴承匏电机侧的端面应和轴肩保持8mm间隙,另一侧留有4mm间隙。3 .推力瓦面两侧间隙之和为Imnl,接触点均匀为12点每平方厘米。14轴瓦装复及间隙调整L清洗轴承座及轴瓦。2.复装轴瓦。3 .测量并调整轴瓦顶部间隙,侧间隙.压铅丝法:截取长为1020mm直径约为轴颈直径的1.5/10004/1000的铅丝数段,涂以黄油粘贴在轴颈的最上部.和上下瓦接合面处,盖上上瓦及上瓦盖.均匀地拧紧螺栓.(不一定拧到工作状态)把铅丝压扁.然后取下瓦盖,取下铅丝用千分尺测量被压扁的铅丝厚度,则顶隙可用下式算出:b=(cl+c2)/2(dl+d2+d3+d4)/4其中b:顶间隙mmc:轴颈上铅

10、丝平均厚度mmd:上下瓦接合面两侧铅丝的平均厚度nun.若b0,则为紧力。4 .用水平仪,水平尺及大型水平尺来测量轴承座水平度。5,不符合要求的通过改变轴承座下面垫片厚度来调整轴承座的高度。4 .将主轴放入轴瓦内,再次进行校正。5 .扣上上盖,拧紧上下壳体的联接螺栓,并转动转子数圈。8.打开上盖,检查轴瓦两侧间隙,再吊起转子复查轴瓦与轴颈的接触1 .轴承座的不平度为0.2/1000轴长,中心度偏差:偏离中心线的数值不允许超过0.04un.O2 .轴瓦背面同盖的紧力为0.03mm.3 .间隙为0.30.5m)o序,:项目检修工艺过程质量标准情况,对不符合要求的部位应予以修刮。9 .还需检查调整轴瓦顶部间隙和轴瓦背面同瓦盖的紧力,(用压铅丝法)以及其它配合情况。10 .全部检查合乎要求后,扣上盖,拧紧螺丝.检查轴承座两侧轴封同转轴之间的间隙调整。

展开阅读全文
相关资源
猜你喜欢
相关搜索

当前位置:首页 > 行业资料 > 社会学

copyright@ 2008-2023 1wenmi网站版权所有

经营许可证编号:宁ICP备2022001189号-1

本站为文档C2C交易模式,即用户上传的文档直接被用户下载,本站只是中间服务平台,本站所有文档下载所得的收益归上传人(含作者)所有。第壹文秘仅提供信息存储空间,仅对用户上传内容的表现方式做保护处理,对上载内容本身不做任何修改或编辑。若文档所含内容侵犯了您的版权或隐私,请立即通知第壹文秘网,我们立即给予删除!