一般抹灰工程质量标准及检验方法.docx

上传人:p** 文档编号:209479 上传时间:2023-04-16 格式:DOCX 页数:3 大小:9.55KB
下载 相关 举报
一般抹灰工程质量标准及检验方法.docx_第1页
第1页 / 共3页
一般抹灰工程质量标准及检验方法.docx_第2页
第2页 / 共3页
一般抹灰工程质量标准及检验方法.docx_第3页
第3页 / 共3页
亲,该文档总共3页,全部预览完了,如果喜欢就下载吧!
资源描述

《一般抹灰工程质量标准及检验方法.docx》由会员分享,可在线阅读,更多相关《一般抹灰工程质量标准及检验方法.docx(3页珍藏版)》请在第壹文秘上搜索。

1、一般抹灰工程质量标准及检验方法1适用范围:本条适用于石灰砂浆、水泥砂浆、水泥混合砂浆、聚合物水泥 砂浆和麻刀石灰、纸筋石灰、石膏灰等一般抹灰工程的施工质量验收。一般抹 灰工程分为普通抹灰和高级抹灰,当设计无要 求时,按普通抹灰验收。2检查数量:1)相同材料、工艺和施工条件的室外抹灰工程,每500m2IOOOm2应 划分为一个检验批,不足500m2也应划分为一个检验批。2)相同材料、工艺和施工条件的室内抹灰工程,每50个自然间(大面积 房间和走廊按抹灰面积30m2为一间)应划分为一个检验批,不足50间也应 划分为一个检验批。3)室内每个检验批应至少抽查10%,并不得少于3间;不足3间时应 全数检

2、查。4)室外每个检验批每100m2应至少抽查1处,每处不得小于10m2o3质量标准和检验方法:抹灰工程质量标准和检验方法类序检查项目质量标准单检验方法及器具主 控 项 目1层黏结及面层质量*抹灰层与基层及各抹灰层之间必 须黏结牢固观察、小锤轻击检 查、检查施工记录外 墙和顶棚抹灰应进行 拉伸黏结强度实体2砂浆品种、强度等 级砂浆的强度等级必须符合设计要求检查检测报告3基层表面抹灰前基层表面的尘土、污垢、油 渍等应清除干净,并应洒水润湿检查施工记录4材料品种和性能抹灰所用材料的品种和性能应 符合设计要求。水泥的凝结时间和 安定性复验应合格。砂浆的配合比 应符合设计要求,设计有强度要求 时应留置砂

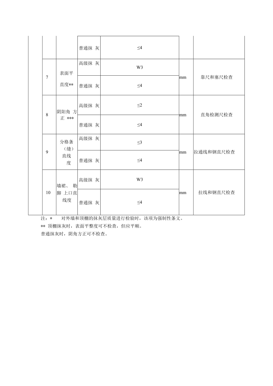
3、浆试块。外墙有防水要 求的砂浆应符合JGJ/T 235建筑 外墙防水工程技术规程的规定检查产品合格证书、进 场验收记录、复验报告 和施工记录5操作要求抹灰工程应分层进行,严禁一遍成 活。当抹灰总厚度不小于35mm 时,应采取加强措施,施工时每层 厚度宜控制在6mm8mm,不同材料基体交接处表面的 抹灰,应采取防止开裂的加强措 施;当采用加强网时,加强网与各 基体的搭接宽度不应小于 IOOmm检查隐蔽工程验收记 录和施工记录6护角和门窗框与墙 体间缝隙的填塞 质量护角材料、高度符合现行施工标准 的规定;门窗框与墙体间缝隙应填 塞密实观察、小锤轻击和钢 尺检查般 项 目1表面质 量普通抹灰表面应光

4、滑、洁净、接槎平整,分 格缝应清晰观察、手摸检查高级抹灰表面应光滑、洁净,颜色均匀、无抹 纹,分格缝和灰线应清晰、美观2细部质量护角、孔洞、槽、盒周围的抹灰表 面应整齐、光滑;管道后面的抹灰 表面应平整观察检查3层与层之间材料要 求、层总厚度抹灰层的总厚度应符合设计要求: 水泥砂浆不得抹在石灰砂浆层上; 罩面石膏灰不得抹在水泥砂浆层上检查施工记录4分格缝的质量抹灰分格缝的设置应符合设计要 求,宽度和深度应均匀,表面应光 滑,棱角应整齐。外粉刷必须设置 分格缝观察、钢尺检查5滴水线、滴水槽滴水线(槽)应整齐顺直,滴水线 应内高外低,滴水槽宽度和深度 均不应小于IOmm观察、钢尺检查6立面垂 直度高级抹 灰3mm垂直检测尺检查普通抹 灰47表面平 直度*高级抹 灰W3mm靠尺和塞尺检查普通抹 灰48阴阳角 方正 *高级抹 灰2mm直角检测尺检查普通抹 灰49分格条 (缝) 直线度高级抹 灰3mm拉通线和钢直尺检查普通抹 灰410墙裙、 勒脚 上口直 线度高级抹 灰W3mm拉线和钢直尺检查普通抹 灰4注:*对外墙和顶棚的抹灰层质量进行检验时,该项为强制性条文。* 顶棚抹灰时,表面平整度可不检查,但应平顺。普通抹灰时,阴角方正可不检查。

展开阅读全文
相关资源
猜你喜欢
相关搜索

当前位置:首页 > 建筑/环境 > 保温建筑

copyright@ 2008-2023 1wenmi网站版权所有

经营许可证编号:宁ICP备2022001189号-1

本站为文档C2C交易模式,即用户上传的文档直接被用户下载,本站只是中间服务平台,本站所有文档下载所得的收益归上传人(含作者)所有。第壹文秘仅提供信息存储空间,仅对用户上传内容的表现方式做保护处理,对上载内容本身不做任何修改或编辑。若文档所含内容侵犯了您的版权或隐私,请立即通知第壹文秘网,我们立即给予删除!