休闲农业配套设施建设施工图设计说明.docx

上传人:p** 文档编号:211540 上传时间:2023-04-16 格式:DOCX 页数:5 大小:14.18KB
下载 相关 举报
休闲农业配套设施建设施工图设计说明.docx_第1页
第1页 / 共5页
休闲农业配套设施建设施工图设计说明.docx_第2页
第2页 / 共5页
休闲农业配套设施建设施工图设计说明.docx_第3页
第3页 / 共5页
休闲农业配套设施建设施工图设计说明.docx_第4页
第4页 / 共5页
休闲农业配套设施建设施工图设计说明.docx_第5页
第5页 / 共5页
亲,该文档总共5页,全部预览完了,如果喜欢就下载吧!
资源描述

《休闲农业配套设施建设施工图设计说明.docx》由会员分享,可在线阅读,更多相关《休闲农业配套设施建设施工图设计说明.docx(5页珍藏版)》请在第壹文秘上搜索。

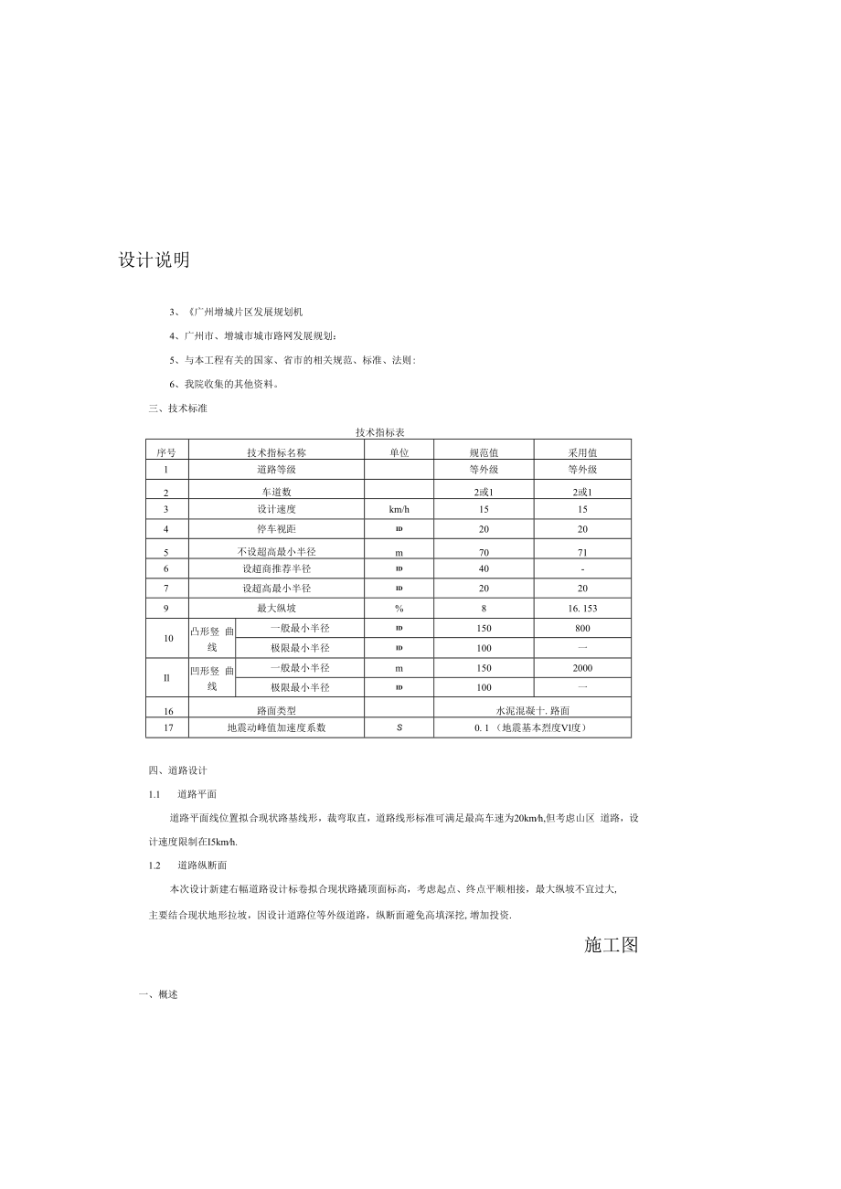
1、设计说明3、广州增城片区发展规划机4、广州市、增城市城市路网发展规划:5、与本工程有关的国家、省市的相关规范、标准、法则:6、我院收集的其他资料。三、技术标准技术指标表序号技术指标名称单位规范值采用值1道路等级等外级等外级2车道数2或12或13设计速度km/h15154停车视距ID20205不设超高最小半径m70716设超商推荐半径ID40-7设超高最小半径ID20209最大纵坡%816. 15310凸形竖 曲线一般最小半径ID150800极限最小半径ID100一Il凹形竖 曲线一般最小半径m1502000极限最小半径ID100一16路面类型水泥混凝十.路面17地震动峰值加速度系数S0. 1

2、(地震基本烈度Vl度)四、道路设计1.1 道路平面道路平面线位置拟合现状路基线形,裁弯取直,道路线形标准可满足最高车速为20kmh,但考虑山区 道路,设计速度限制在I5kmh.1.2 道路纵断面本次设计新建右幅道路设计标卷拟合现状路撬顶面标高,考虑起点、终点平顺相接,最大纵坡不宜过大,主要结合现状地形拉坡,因设计道路位等外级道路,纵断面避免高填深挖,增加投资.施工图一、概述1.1工程概况正果镇休闲农业配套设施建设工程包含黄沙作社至黄沙斑坳自然村道、黄沙作社至屋场背自然村道道 路.道路宽度为6m,双向2车道,按等外数路标准设计,设计速度I5kmh本项目因建设单位前期未进行地质站探,建议在葡工前需

3、完成工程地质勘察工作后方可施工,施工过 程中若通地质情况与设计情况不符合的必须及时通知建设单位、设计单位等各责任方现场核实后处理相关 事宜,不得擅自施工.本次设计的内容:(1)对现状上路基进行裁弯取直,拓宽路基:(2)铺筑水泥混凝土路面;(3)完善道路两船排水沟:(4)根据需要设置过路管涵及片石挡土墙防护.二、设计的制的依据和规范2. IMM1、公路路线设计规范(JTG D20-2006)2、公路路基设计规范(JTG D30-2015)3、公路水泥混凝土路面设计规范(JTG D30-20H)4、公路工程技术标准(JTG B01-2014)5、城市道路工程设计规范CJJ 37-20126、城市道

4、路路线设计规范CJJ 193-20127、城镇道路路面设计规范CJJ 169-20125、其他规范6、我院收集的其他资料.2.2依据1、增城市国民经济和社会发展第十个五年规划纲要:2、增城市城市总体发展战略规划;3. 65m-4. 75m,挡墙基底埋深在现状地面以卜至少加。挡墙采用的片式强度需大于MU30,墙后必须对现状填土反开挖后换填透水性较好的中粗砂分层填筑, 高于地面以上需设置泄水孔,间距2叫挡墙每隔Iom设置一道沉降健隙,并采用沥吉麻絮与轻质木板填寒。 挡搞墙顶必须设理钢筋混凝土防撞墙.确保车辆及行人安全,挡墙外侧设置架砌片石排水沟,内尺寸为 60cm*60cm,厚度为 30cm。六、

5、路面结构6.1 车行道路面结构新建20cmC35水泥混凝土路面新建15cm4%水泥稳定石屑基层新建15cm石渣垫层路面结构总厚度为50cm6.2 路绿石设计沿线设置路缘石,路绿石采用C30水泥混凝土。七、道路面层材料叁数要求(1)水泥选用符合国家技术标准的42. 5级普通硅酸盐水泥.路面水泥28大龄期抗压强度不小于42. 5MPa,抗弯 拉强度不小于 4. 5MPa.其化学成分、物理性能等路用品质应符合g公路水泥混凝土路面施工技术细则(JTGZT 尸30-2014)表3.1.2的规定。(2)粗集科粗集料碎石(砂砾)应质地坚硬、耐久、洁净,最大公称粒径不应超过31.5o粗集料碎石(砂砾) 技术应

6、符合公路水泥混凝土路面施工技术细则(JTG/TF3()-20M)表3.3.1中不低于H级的规定:相集料 级配应分别符合公路水泥混凝土路面施工技术细则(JTG/T卜302014)表3.3.2的规定。(3)细集料细集料应质地坚硬、耐久、洁净,细度模数应在2.03.5之间.细集料技术指标应符合公路水泥混 凝土路面施工技术细则3 UTG/TF30-20M)表3.4. 1中不低于H级的规定。细集料级配应符合公路水泥混 凝土路面施工技术细则(JTG/T F30-20M)表3.4. 2的规定。(4)水清洗集料、拌和混凝土及养生所用水PH值不得小于4,含盐量不得超过5mgcm3,硫酸盐含量(按SO42- 计)

7、小T27mg cm3,不得含有油污、泥和其它有害杂物.6.3 道路横断面本次设计原则上按规划横断面设计。本次新建右幅道路标准横断面图:LOM上路肩)+ 4m(机动车道HLOm(上路肩)=6m6、路基设计为r防止路基沉陷和新老路基不均匀沉降,保证路基稳定性,必须对路基的压实度进行严格控制,要 求如下:路基填料直选用有一定级配的麻类土、砂类土等粗粒土,特别是路床部分;粘性土等细粒土次之,当 含水量超过最佳含水Ift较多时,应掺入石灰等固化材料处理后使用;粉性土和耕植上、淤泥等不能用于填筑 路基。路慕填料的强度和粒经要求应满足规范要求。上质路基采用重型压实标准,填筑路堤时应采用分层填 筑逐层辗压,其

8、分层最大厚度应与压实机具功能相适应。填方路堤路床顶面以下80厘米以内,压实度要求 达到95%以上,路床顶面以下80厘米以上,压实度要求达到93%以上:零侦及路堑路床压实度要求95% 以上。路基压实标准及压实度要求详见下表:路基压实标准要求表填挖类型深度范围(cm)路基压实度()填方80-15093150290挖方0-3029330-80935.1路基边坡防护本次路基填筑高度均在6m以下,可直接采用植草边坡防护,填方边坡采用1: L 5坡率放坡,挖方边 坡采用1: 1。考虑路面排水不对边坡或河道岸坡冲刷.在路基外侧边缘设置60*60Cln生态土沟排水边沟。5.3挡土墙设计本项目BKO+46O-B

9、K0560路段为现状斜坡路段,道路右幅路基填土高度较高,无法直接放坡。该路段 本次设计采用俯斜式挡土墙,采用MlO浆砌片石砌筑。根据路面设计标高及现状地面标高,墙高为5、木说明中未尽事亢,请按相关规范、标准执行,并事先征求建没单位、监理单位及设计单位的同意。6、挡土墙基坑开挖后需对原状地基土进行原位测试,若承能力无法满足设计要求的地基承裳力要求,需及时通知设计单位进行现场处理及变更,不得擅自施工.DL-0-08(5)外加剂所使用的外加剂(包括减水剂、引气剂、阻锈剂、早强剂、缓凝剂等)应符合公路水泥混凝土路面施工 技术规范(JTGF30-2003)表3.6. 1的规定。(6)钢筋所用钢筋应符合国

10、家有关标准的的技术要求,并应顺直,不得有裂纹、断伤、刻痕、表面油污和锈蚀.(7)接缝材料胀缝板采用塑胶、橡胶泡沫板或沥青纤维板,填缝材料应优先使用树脂类、橡胶类或改性沥青类填缝材 料。其技术要求应分别符合公路水泥混凝上路面施工技术细则(JTGT F30-2014)表3.9. 1、3.9.2的规 定。(8)其他材料传力杆套(管)帽、沥青及塑料膜应符合公路水泥混凝十.路面施工技术细则(JTGT F30-2014)第3. 10. 2 条要求。混凝土路面养护的养生剂应符合公路水泥混凝土路面施工技术细则(JTG/T尸30-2014)表3.10.3的 要求。(9)水泥混凝土配合比设计配合比设计在兼顾经济性

11、的同时应满足下列三项技术要求:1)弯拉强度标准值不低于各路面结构的设计标准.2)坍落度、振动粘度系数和最大单位用水量等工作性能指标,以及混凝土含气量、最大水灰比和最小 单位水泥用量等耐久性指标,应根据摊铺机具种类分别满足公路水泥混凝土路面施工技术细则(JTG/T F30-2014)中有关要求。十、施工注意事项1、路面工程的承包商除保证提供工地使用的原材料满足要求外,还必须根据规定的材料技术要求和对 应的试验方法,进行必要的材料配合比设计,并经过试摔试铺论证确定生产的标准配合比,为施工提供满足 设计要求的水泥混凝土等相关原材料。2、本项目施工时应注意保护现状公用设荒、管线设施和其他现有构筑物,禁止野蛮籁工.并请相关主 管部门派员现场监督,指导施工.3、每道工序完成后,必须检验合格后,方可进行下道工序施工。4、本说明中未尽事宜,请按相关规范、标准执行。施工过程中发现问胭,需立刻会同建设单位、设计单位、监理单位及相关部门,协商并研究确定解决方法。

展开阅读全文
相关资源
猜你喜欢
相关搜索

当前位置:首页 > 建筑/环境 > 建筑图纸/图片/标牌

copyright@ 2008-2023 1wenmi网站版权所有

经营许可证编号:宁ICP备2022001189号-1

本站为文档C2C交易模式,即用户上传的文档直接被用户下载,本站只是中间服务平台,本站所有文档下载所得的收益归上传人(含作者)所有。第壹文秘仅提供信息存储空间,仅对用户上传内容的表现方式做保护处理,对上载内容本身不做任何修改或编辑。若文档所含内容侵犯了您的版权或隐私,请立即通知第壹文秘网,我们立即给予删除!