低压电动机、电加热器及电动执行机构检查接线分项工程检验批质量验收记录表.docx

上传人:p** 文档编号:211745 上传时间:2023-04-16 格式:DOCX 页数:1 大小:7.64KB
下载 相关 举报
低压电动机、电加热器及电动执行机构检查接线分项工程检验批质量验收记录表.docx_第1页
第1页 / 共1页
亲,该文档总共1页,全部预览完了,如果喜欢就下载吧!
资源描述

《低压电动机、电加热器及电动执行机构检查接线分项工程检验批质量验收记录表.docx》由会员分享,可在线阅读,更多相关《低压电动机、电加热器及电动执行机构检查接线分项工程检验批质量验收记录表.docx(1页珍藏版)》请在第壹文秘上搜索。

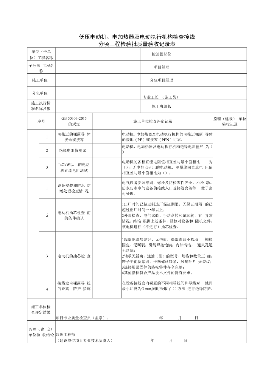
1、低压电动机、电加热器及电动执行机构检查接线分项工程检验批质量验收记录表单位(子单 位)工程名称检验批部位子分部 工程名称项目经理施工单位分包项目经理分包单位专业工长 (施工员)施工执行标 准名称及编施工班组长序号GB 50303-2015的规定施工单位检查评定记录监理(建设) 单位验收记录1可接近的裸露导 体接地或接零电动机、电加热器及电动执行机构的可接近裸露 导体的接地(PE)或接零(PEN)可靠。2绝缘电阻值测试电动机、电加热器及电动执行机构绝缘电阻值经 为()3IoOkW以上的电动 机直流电阻测试电动机的各相直流电阻值相互差与最小值相比 为();无中性点引出的电动机,测量线间直流电 阻值

2、相互差与最小值相比为()。1设备安装和防水 防潮处理检查情 况电气设备安装牢固,螺栓及防松零件齐全,不松 动。防水防潮电气设备的接线入口及接线盒盖等 做了密封处理。2电动机抽芯检查 前的条件确认1出厂时间已超过制造厂保证期限,无保证期限 的已超过出厂时间一年以上:2外观检查、电气试验、手动盘转和试运转,有 异常情况。结论:根据上述条件,经核对设备和 随机文件,该电机进行(不进行)抽芯检查。3电动机的抽芯检 查1线圈绝缘层完好、无伤痕,端部绑线不松动, 槽楔固定、无断裂,引线焊接饱满,内部清洁, 通风孔道无堵塞:2轴承无锈斑,注油(脂)的型号、规格和数量正 确,转子平衡块紧固,平衡螺丝锁紧,风扇叶片 无裂纹;3连接用紧固件的防松零件齐全完整:4其他指标符合产品技术文件的特有要求。4接线盒内裸露导 线的距离,防护 措施在设备接线盒内裸露的不同相导线间和导线对 地间最小距离为O nun,同时采取了()方法 进行绝缘防护。施工单位检 查评定结果项目专业质量检查员(盖章):年月日监理(建 设)单位验 收结论监理工程师:(建设单位项目专业技术负责人)年月日

展开阅读全文
相关资源
猜你喜欢
相关搜索

当前位置:首页 > 行业资料 > 家电行业

copyright@ 2008-2023 1wenmi网站版权所有

经营许可证编号:宁ICP备2022001189号-1

本站为文档C2C交易模式,即用户上传的文档直接被用户下载,本站只是中间服务平台,本站所有文档下载所得的收益归上传人(含作者)所有。第壹文秘仅提供信息存储空间,仅对用户上传内容的表现方式做保护处理,对上载内容本身不做任何修改或编辑。若文档所含内容侵犯了您的版权或隐私,请立即通知第壹文秘网,我们立即给予删除!