公司法﹝2017﹞3号_附件6:工程分包重大风险项目判断标准及项目清单.docx

上传人:p** 文档编号:213569 上传时间:2023-04-16 格式:DOCX 页数:1 大小:14.85KB
下载 相关 举报
公司法﹝2017﹞3号_附件6:工程分包重大风险项目判断标准及项目清单.docx_第1页
第1页 / 共1页
亲,该文档总共1页,全部预览完了,如果喜欢就下载吧!
资源描述

《公司法﹝2017﹞3号_附件6:工程分包重大风险项目判断标准及项目清单.docx》由会员分享,可在线阅读,更多相关《公司法﹝2017﹞3号_附件6:工程分包重大风险项目判断标准及项目清单.docx(1页珍藏版)》请在第壹文秘上搜索。

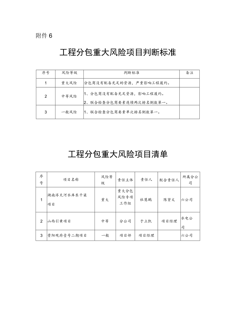
附件6工程分包重大风险项目判断标准序号风险等级判断标准备注1重大风险分包商没有配备充足的资源,严重影响工程履约。2中等风险1、分包商没有配备充足资源,影响工程履约。2、联合检查分包商要素连续两次排名倒数第一。3一般风险1、联合检查分包商要素单次排名倒数第一。工程分包重大风险项目清单序号项目名称风险等级责任主体责任人配合责任人所属分公司1湖南涔天河水库东干渠项目重大重大分包风险专项工作组杜慧鹏陈贤文六公司2山西引黄项目中等分公司于立凯项目经理水电公司3贵阳观府壹号二期项目一般项目部项目经理六公司

展开阅读全文
相关资源
猜你喜欢
相关搜索

当前位置:首页 > 法律/法学 > 商法

copyright@ 2008-2023 1wenmi网站版权所有

经营许可证编号:宁ICP备2022001189号-1

本站为文档C2C交易模式,即用户上传的文档直接被用户下载,本站只是中间服务平台,本站所有文档下载所得的收益归上传人(含作者)所有。第壹文秘仅提供信息存储空间,仅对用户上传内容的表现方式做保护处理,对上载内容本身不做任何修改或编辑。若文档所含内容侵犯了您的版权或隐私,请立即通知第壹文秘网,我们立即给予删除!