关于加强输煤系统施工消防安全管理通知 .docx

上传人:p** 文档编号:214403 上传时间:2023-04-16 格式:DOCX 页数:2 大小:17.19KB
下载 相关 举报
关于加强输煤系统施工消防安全管理通知 .docx_第1页
第1页 / 共2页
关于加强输煤系统施工消防安全管理通知 .docx_第2页
第2页 / 共2页
亲,该文档总共2页,全部预览完了,如果喜欢就下载吧!
资源描述

《关于加强输煤系统施工消防安全管理通知 .docx》由会员分享,可在线阅读,更多相关《关于加强输煤系统施工消防安全管理通知 .docx(2页珍藏版)》请在第壹文秘上搜索。

1、关于加强输煤系统施工消防安全管理的通知签发:项目部所属各单位:目前汽车卸煤沟、1#、2#皮带、2#转运站、斗轮机区域输煤皮带已铺设,电缆正在施工,配电间等内盘柜已安装到位,但现场建筑、安装施工动火作业多,交叉作业多,火灾隐患多。为确保施工消防安全管理,消除火灾隐患,保障工程建设的顺利进行,现对输煤系统施工动火消防安全管理做如下要求:1、各施工单位凡需进入输煤系统(输煤皮带已铺设的区域)进行动火作业,严格执行项目部消防安全管理制度和动火作业安全管理制度。2、动火前办理二级动火作业票,经专业领导及项目部消管理人员签发并对动火人员进行交底。3、作业前,必须认真清理作业区域的易燃、易爆物品及杂物。4、

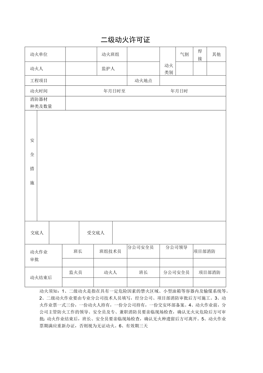
2、动火作业时,配置专职监火员全过程实施监护,并配置能够满足实际需要的消防器材。5、电、火焊作业严禁使用破、旧、老化的电焊线和氧、乙快皮管,电焊线接头要进行可靠的绝缘处理。6、严禁焊把线从皮带上方穿越。7、在皮带周围和皮带上方动火必须用石棉布等遮挡覆盖、对皮带进行保护,有立体交叉作业时,要有接火措施。9、作业完毕后,必须认真清理作业现场,确认无火种遗留后方可离开。特此通知安徽电建二公司六枝项目部2015年12月02日二级动火许可证动火单位动火班组动火类别气割焊接其他动火人监护人工程项目动火地点动火时间年月日时至年月日时消防器材种类及数量安全措施交底人受交底人动火作业审批班长班组技术员分公司安全员分公司领导项目部消防动火结束后监火员动火人班长分公司安全员项目部消防动火须知:1、二级动火是指在具有一定危险因素的禁火区域、小型油箱等容器内及输煤系统等。2、二级动火作业要由专业分公司技术人员填写,经分公司、项目部消防审批后方可施工。3、动火作业票一式三份,一份动火人持有,一份分公司持有,一份交安环部备案。4、动火作业前,分公司主管防火工作的领导、安全员及专、兼职消防员要亲临现场检查,确认无火灾危险后方可审批;动火作业结束后,班长、安全员要亲临现场检查,确认无火种遗留后方可离开。5、动火作业票期满应重新办证,否则视为无证动火。6、有效期三天

展开阅读全文
相关资源
猜你喜欢
相关搜索

当前位置:首页 > 建筑/环境 > 施工组织

copyright@ 2008-2023 1wenmi网站版权所有

经营许可证编号:宁ICP备2022001189号-1

本站为文档C2C交易模式,即用户上传的文档直接被用户下载,本站只是中间服务平台,本站所有文档下载所得的收益归上传人(含作者)所有。第壹文秘仅提供信息存储空间,仅对用户上传内容的表现方式做保护处理,对上载内容本身不做任何修改或编辑。若文档所含内容侵犯了您的版权或隐私,请立即通知第壹文秘网,我们立即给予删除!