农田水利工程重点(关健)和难点工程的施工方案、方法及其措施.docx

上传人:p** 文档编号:214928 上传时间:2023-04-16 格式:DOCX 页数:4 大小:22.91KB
下载 相关 举报
农田水利工程重点(关健)和难点工程的施工方案、方法及其措施.docx_第1页
第1页 / 共4页
农田水利工程重点(关健)和难点工程的施工方案、方法及其措施.docx_第2页
第2页 / 共4页
农田水利工程重点(关健)和难点工程的施工方案、方法及其措施.docx_第3页
第3页 / 共4页
农田水利工程重点(关健)和难点工程的施工方案、方法及其措施.docx_第4页
第4页 / 共4页
亲,该文档总共4页,全部预览完了,如果喜欢就下载吧!
资源描述

《农田水利工程重点(关健)和难点工程的施工方案、方法及其措施.docx》由会员分享,可在线阅读,更多相关《农田水利工程重点(关健)和难点工程的施工方案、方法及其措施.docx(4页珍藏版)》请在第壹文秘上搜索。

1、农田水利工程重点(关健)和难点工程的施工方案、方法及其措施1.1.砌体施工砌体施工很重要的工作是按要求备好各种规格的石料才能开工,找好有技术的砌石队伍。(1)首先要测量放样,放出控制桩的基础开挖边线。(2)人工开挖基础,严格控制开挖标高。详细放基础线,并请驻地监理检查,做地基承载力试验,符合要求才能砌筑。(3)砌石基础和墙身。要求横平坚直灰浆饱满,每4米左右留一上下贯通的沉缝。(4)块石砌体规格最好按设计尺寸加工,尤其是端头外露面要细致加工。沉陷缝与墙身基础一致。(5)砌体砂浆达到设计号的80%时才能通车。(6)砌体后采用人工、电动夯对称分层压实,压实度达95%以上。(7)按要求勾缝抹面。对于

2、砌体要按时养生,保持砂浆湿润。1.2. U型槽混凝土施工(1)混凝土配合比除满足设计性能外,尚应满足施工工艺要求:a) 水灰比应通过试验确定。b) 掺用减水、引气、调凝等外加剂及适量的掺合料时,其掺量应通过试验确定。c) 坍落度应根据混凝土的运输、浇筑方法和气温条件决定。d) )混凝土浇筑应在开挖面、处理完毕,并按隐蔽工程质量要求验收合格后方可进行。e) )U型槽铺设采用从下游开始,使接头面向上游,每节U型槽应紧贴于垫层上,使槽体受力均匀,所有U型槽应按正确的轴线和坡度铺设。当坡度较大时可采取跌坎、消力井过渡。f) )在铺设时应使内壁齐平、平顺,轴线伸直。g) )相邻U型槽应预留1.5-2.O

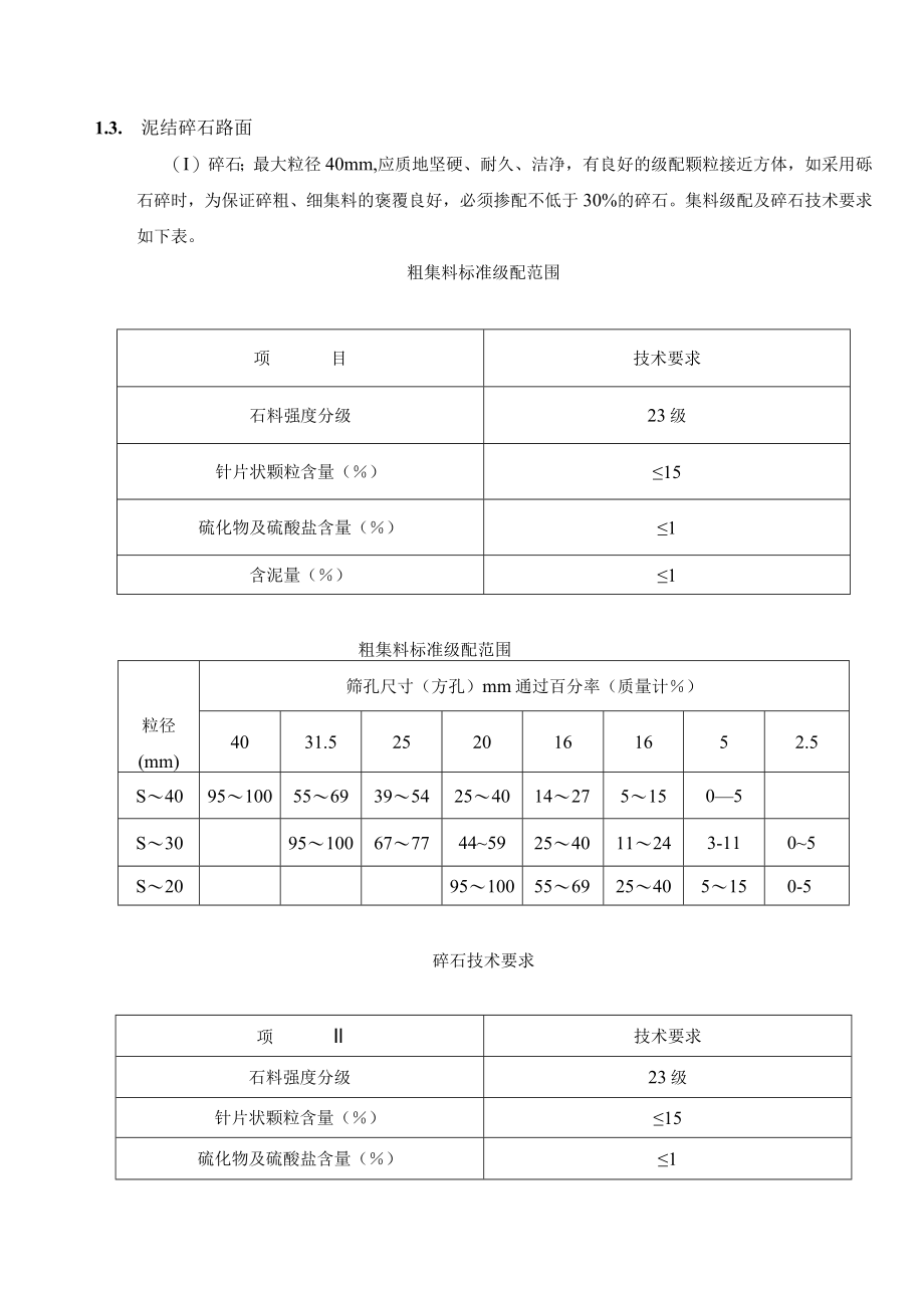
3、cm宽度,以备勾缝,勾缝应平顺饱满、密实、使其稳固、不漏水。1.3. 泥结碎石路面(I)碎石;最大粒径40mm,应质地坚硬、耐久、洁净,有良好的级配颗粒接近方体,如采用砾石碎时,为保证碎粗、细集料的褒覆良好,必须掺配不低于30%的碎石。集料级配及碎石技术要求如下表。粗集料标准级配范围项目技术要求石料强度分级23级针片状颗粒含量()15硫化物及硫酸盐含量()1含泥量()1粗集料标准级配范围粒径(mm)筛孔尺寸(方孔)mm通过百分率(质量计)4031.52520161652.5S4095100556939542540142751505S309510067774459254011243-1105S2

4、095100556925405150-5碎石技术要求项Il技术要求石料强度分级23级针片状颗粒含量()15硫化物及硫酸盐含量()1含泥量()1(2)砂。宜采用中粗砂、细度模数大于2.50,其质地坚硬、耐久、洁净,并且有良好级配。砂标准级配范围级配分区筛孔尺寸(方孔,mm)通过百分率()1.250.60.30.151区35-6515295200102区509030598300-103IX75-9060841545010注:1区基本属于粗砂;2区属于中砂和部分偏粗的细砂;3区属于细砂和部分偏细的砂。田间道按建设单位提供的结点坐标放线施工,结点高程以结点处最高一块地设计高度加20cm为路面高程。道路

5、分主道路和田间耕作道,部份为泥结碎石路面,M7.5#浆砌条石路肩石,尺寸为:753030cm,路面为泥结碎石厚20Cnb垫层砂卵石填方不少于20Cm厚主道路垫层分层铺压,每层厚度不超过20cm田间道垫层砂卵石不少于30cm,当小于40Cm时为一层铺压,大于40Cm时分层铺压。碎石:用机制破碎卵石,其粒径为204Omnl,形状接近于正方形或等边三角形;片状,针状粒料含量不超过20%;铺压厚度不超过12cm,嵌缝料粒径小于0.5cm(不能使用末碎的卵石)。泥土的塑性指数为22-37,水土比为0.8:1-1:1,调至土块全部融化,泥浆稠度均匀为宜。完工后道路封闭至路面层凝固。碎石与泥土配合比为1:0

6、.2(干重量计)。道路泥结碎石层用灌浆法施工,施工方法要求:(1)、准备工作。包括放样、布置料堆、整理路槽(或基层)与拌制泥浆等。泥浆如过稠,则灌不下去,泥浆积在石层表面,泥浆如过稀,则易流淌于石层底部,干后体积缩小,粘结力降低,影响路面的强度和稳定性。(2)、摊铺碎石。在路槽准备好后,按虚铺度为压实厚度的1.21.3倍摊铺碎石,要求大小颗粒均匀分布,纵横为、断面符合要求,厚度一致。(3)、稳压。碎石铺好后,用压路机碾压,碾压宜慢,每分钟约25-30mo一般碾压34遍,至石料无松动为止。(4)、浇灌泥浆。在初压稳定的碎石层上,灌注予先调制好的泥浆。灌浆由路中心向两边进行,泥浆要浇均匀,只用于上部填充,下部不一定要灌满。表面的泥浆要用竹帚扫匀,以露出碎石的棱角为止。(5)、撒嵌缝料。灌浆12小时,表面末干前铺撒嵌缝料(泥结碎石基层可用4号碎石缝)。嵌缝料要撒得均匀。(6)、碾压。撒过嵌缝料后,即用1215T压路机进行碾压,并随时注意用竹帚将嵌缝料扫匀,如表面太干需补充洒水,表面太湿应晾晒稍干后再碾压。一般碾压46遍,至无明显轮迹为止。

展开阅读全文
相关资源
猜你喜欢
相关搜索

当前位置:首页 > 建筑/环境 > 施工组织

copyright@ 2008-2023 1wenmi网站版权所有

经营许可证编号:宁ICP备2022001189号-1

本站为文档C2C交易模式,即用户上传的文档直接被用户下载,本站只是中间服务平台,本站所有文档下载所得的收益归上传人(含作者)所有。第壹文秘仅提供信息存储空间,仅对用户上传内容的表现方式做保护处理,对上载内容本身不做任何修改或编辑。若文档所含内容侵犯了您的版权或隐私,请立即通知第壹文秘网,我们立即给予删除!