冬雨季施工措施.docx

上传人:p** 文档编号:215131 上传时间:2023-04-16 格式:DOCX 页数:7 大小:22.28KB
下载 相关 举报
冬雨季施工措施.docx_第1页
第1页 / 共7页
冬雨季施工措施.docx_第2页
第2页 / 共7页
冬雨季施工措施.docx_第3页
第3页 / 共7页
冬雨季施工措施.docx_第4页
第4页 / 共7页
冬雨季施工措施.docx_第5页
第5页 / 共7页
冬雨季施工措施.docx_第6页
第6页 / 共7页
冬雨季施工措施.docx_第7页
第7页 / 共7页
亲,该文档总共7页,全部预览完了,如果喜欢就下载吧!
资源描述

《冬雨季施工措施.docx》由会员分享,可在线阅读,更多相关《冬雨季施工措施.docx(7页珍藏版)》请在第壹文秘上搜索。

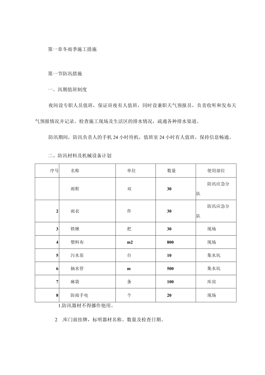
1、第一章冬雨季施工措施第一节防汛措施一、汛期值班制度夜间设专职人员值班,保证昼夜有人值班,同时设兼职天气预报员,负责收听和发布天气预报情况并记录。检查施工现场及生活区的排水情况,疏通各种排水渠道。防汛期间,防汛负责人的手机24小时待机,值班室24小时有人值班,保持信息畅通。二、防汛材料及机械设备计划序号名称单位数量使用部位雨鞋双30防汛应急分队2雨衣件30防汛应急分队3铁锹把30现场4塑料布m2800现场5污水泵台10集水坑6抽水管m500集水坑7麻袋条100库房8防雨手电个20现场1.防汛器材不得挪作他用。2 .库门前挂牌,标明器材名称、数量及检查日期。3 .库房钥匙分别由值班人员和料库保管,

2、并放于明显处作好标示。三、应急抢险队伍应急抢险队伍,定期组织演练,熟悉应急预案,关键时需调动应急所需的器材和物资,必要时就地取材;除常用的各类器材外,还应配备、配齐必须的设备,施工现场备一支50人左右的抢险队伍,各设备和器材都将投入到抢险工作中。各施工队组要组织员工学习上级关于防汛防潮文件和要求,做好防汛防潮动员。应急救援预案应在汛期前宣传到位,做到全员知晓。建立防潮防汛预警报警制度和加强防汛宣传,提高广大施工人员的防汛减灾意识。对汛期事故的预防实行统一领导,贯彻“预防为主、防效结合、处置得当“的原则。四、施工现场防雨淋、防浸泡、排水及防雷措施1 .施工现场、生活基地的工棚、仓库、食堂、搅拌站

3、、临时住房等应在雨季施工前进行全面检修,保证道路不塌陷,房间不漏雨,场区不积水。2 .现场道路中心起拱,道路两旁设排水沟,保证不滑、不陷、不积水。3 .搅拌区做混凝土硬地面,高出周围地势30Cm以上,出灰口做坡道及排水沟。4 .水泥库地面高出周围地势30Cm以上,存放袋装水泥时,地面垫板要离地30cm,周围离墙30cm。5 .钢筋场地必须做到排水通畅,配好的钢筋堆放必须分区有序,下有垫木,避免钢筋被泥水污染。6 .做好塔吊、施工升降机及高度32m以上脚手架等高耸施工设施的防雷装置。安全检查部门在雨季施工前要对避雷装置作一次全面检查,确保防雷的有效性。7 .雨季所需材料、设备和其他用品,如水泵、

4、抽水软管、草袋、塑料布、苫布等材料由器材、机械部门提前准备,水泵等设备应提前检修。第二节冬季施工措施一、冬季施工准备(一)冬季施工物资准备1 .电热管2 .防冻剂3 .彩条布4 .草帘被(二)水源防冻措施管道埋置在冰冻层以下,以避免冬期施工时水管冻裂。现场露明自来水管用草帘被及塑料薄膜包裹,节门处用锯末包裹、草帘被苫盖。(三)搭设暖棚搅拌棚下部用砖砌防火墙l2m高,周边用双层铅丝网夹塑料布围护,进出口挂阻燃草帘被门帘。暖棚内设两个水箱,每个水箱用3根8kw电热管给水加温,水温不得超过80度。二、冬季施工安全措施1 .进入冬季施工前,对掺外加剂人员、测温保温人员,专门组织技术业务培训,学习本工作

5、范围内的有关知识,明确职责。2 .及时收听天气预报,防止寒流突然袭击。3 .安排专人测量施工期间的室外气温,砂浆、碎的温度并作好记录。4 .组织有关机具、外加剂和保温材料进场。5 .工地的临时供水管道及白灰膏等材料做好保温防冻工作。6 .冬季施工时,要采取防滑措施。生活区及施工道路、架子、坡道上的积水、积雪、要经常清理,马道上钉防滑条。7 .大雪后必须将架子上的积雪清扫干净,并检查马道平台,如有松动下沉现象,务必及时处理。8 .冬施前搭设好碎、砂浆搅拌棚,封闭要严密,留设活动进出料口,保证棚内正温。搅拌用水的温度宜控制在6080C,加热方法根据现场条件采取电加热。9 .现场火源,要加强管理;使

6、用电焊、气焊时,应注意防止发生火灾。施工现场水源及消火栓应设标记。10 .生活取暖全部使用电暖气,禁止采用电热毯、电炉子、煤火劈柴取暖。三、冬季施工工艺措施(一)模板工程冬季施工措施1 .冬施浇注佐前,认真检查模板,清理模板内的冰霜。2 .模板和保温层在碎达到临界强度并冷却到5C后方可拆除。拆模时碎温度与环境温度差大于20时,拆模后的碎表面应及时覆盖,使其缓慢冷却。(二)竹工程冬季施工措施1 .工程采用商品碎,零星碎采用现场搅拌。冬季施工中,应认真执行配合比,水泥标号不得低于425#,应优先选用硅酸盐水泥和普通硅酸盐水泥,最小水泥用量不得低于300kgm3,水灰比不大与06应严格检查控制碎原材

7、料及外加剂的质量;对砂加热搅拌、运输、浇筑、测温、养护进行严格控制。2 .位在浇筑前,应清除模板和钢筋上的冰雪和污垢,碎运输、浇筑容器需保温,以保证碎的出罐温度和入模温度达到要求。对商品碎在运输和浇筑过程中的温度和覆盖保温材料,均应进行严格控制。3 .碎的入模温度要求不低于6,掺加复合型早强防冻剂,具有减水、引气作用,其掺量由试验确定。4 .碎采用综合蓄热法养护,在险达到抗冻临界强度之前,碎表面覆盖的具体措施:竖向结构用一层塑料薄膜包裹外挂岩棉被,水平结构用一层塑料薄膜和岩棉被覆盖。5 .现场设标养室,室内温度203,湿度90%以上,进行试件的标准养护。现场除留置用于检验拆模时碎强度的同条件养

8、护试块以外,还要留置用于结构检验和验收用的同条件养护试块。同条件试块在现场按碎结构实际状况进行保温养护。6 .碎冬期施工,安排专职测温员测出碎养护期间的温度,认真做好每个段的测温记录,以准确反映碎内实际温升及碎表面温度,采取有效保温措施防止碎受冻。(三)测温要求1 .在有代表性的部位选测温点数个,预留测温孔。2 .全部测温孔均应编号,并绘注于平面布置图上,与测温记录表相对应。3 .混凝土自浇筑完成后每间隔2h测温一次,三天后每6h测量一次。4 .测温时,测温计应与外界气温隔离,并留置在测温孔内不少于3min。5 .浇筑商品混凝土随车测量每一车的混凝土出罐及入模温度并使用专表记录。6 .混凝土的

9、浇筑及养护期间应做好施工环境的测温记录,要求每昼夜不少于4次,并记录每日的最高最低气温。(四)砌体工程1 .砂浆采用热水搅拌,内掺防冻剂,具体掺量参照使用说明书。2 .砂浆的运输使用过程中要采取保温措施,进行覆盖。3 .每日完成的砌体采用草棉被进行覆盖保温防冻。4 .砂浆试块的留置除应按常温规定要求外,应增设不少于两组与砌体同条件养护的试块,分别用于检验各龄期强度和转入常温28d的砂浆强度。(五)装饰装修工程1 .室内抹灰的环境及养护温度,不应低于5度,抹灰工程结束后在7天以内,应保持室内温度不低于5度;抹灰层可采取加温措施加速干燥。当采用热空气或带烟囱的火炉加温时应设有通风排湿装置。2 .冬季室内涂料、油漆工程,应在采暖条件下进行,室温保持均衡,一般室内温度不宜低于10度、相对湿度为60%。不得突然变化、通风时应设专人负责测试和开关门窗,以利通风排湿气,当需要在室外施工时其最低环境温度不应低于5度;控制在上午10点至下午4点。

展开阅读全文
相关资源
猜你喜欢
相关搜索

当前位置:首页 > 建筑/环境 > 施工组织

copyright@ 2008-2023 1wenmi网站版权所有

经营许可证编号:宁ICP备2022001189号-1

本站为文档C2C交易模式,即用户上传的文档直接被用户下载,本站只是中间服务平台,本站所有文档下载所得的收益归上传人(含作者)所有。第壹文秘仅提供信息存储空间,仅对用户上传内容的表现方式做保护处理,对上载内容本身不做任何修改或编辑。若文档所含内容侵犯了您的版权或隐私,请立即通知第壹文秘网,我们立即给予删除!