劳动防护用品使用期限的确定.docx

上传人:p** 文档编号:216884 上传时间:2023-04-17 格式:DOCX 页数:3 大小:19.32KB
下载 相关 举报
劳动防护用品使用期限的确定.docx_第1页
第1页 / 共3页
劳动防护用品使用期限的确定.docx_第2页
第2页 / 共3页
劳动防护用品使用期限的确定.docx_第3页
第3页 / 共3页
亲,该文档总共3页,全部预览完了,如果喜欢就下载吧!
资源描述

《劳动防护用品使用期限的确定.docx》由会员分享,可在线阅读,更多相关《劳动防护用品使用期限的确定.docx(3页珍藏版)》请在第壹文秘上搜索。

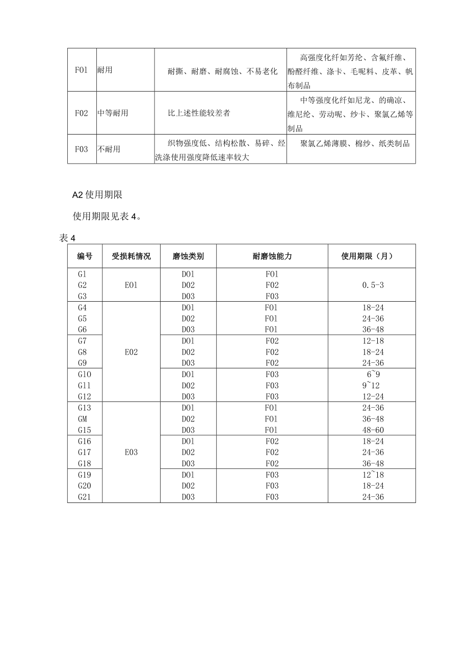
1、劳动防护用品使用期限的确定Al作出确定的依据ALl磨蚀类别按作业条件对劳动防护用品的磨擦、腐蚀、损坏能力分类,见表1。表1编号磨蚀类别典型作业条件或注释DOl重磨蚀频繁接触粗糙物品、频繁磨蹭、频繁干湿、重体力作业(人工搬运)、地下挖掘、高温、酸碱、化学腐蚀、钻探、易污、野外、土木工程、建筑安装、森林采伐等作业D02中磨蚀操纵、装修机械设备、包装、一般性材料加工、非粗糙物的较频繁的接触等作业D03轻磨蚀仪表监测、精密加工及其装备与维修、有固定工作台和座位的流水线作业A1.2受损耗情况按劳动防护用品接受磨蚀、损耗的频度,并使其有效防护功能受损的难易程度分类,见表2。表2编号受损耗情况举例备注EOl

2、易受损耗手套、口罩类经常处于满负荷工作状态,直接受磨蚀的频度较高E02中等受损耗工作服、鞋类工作负荷常不饱满,直接受磨蚀的频度不高E03强制性报废安全帽、防护镜、面罩、呼吸器(不包括过滤器)正常工作时一般不容易损耗,但按有效防护功能最低指标和有效使用期的要求,届时须强制报废A1.3耐磨蚀能力按劳动防护用品所用材料本身的耐用性能分类,见表3。表3编号耐磨蚀能力典型条件举例FOl耐用耐撕、耐磨、耐腐蚀、不易老化高强度化纤如芳纶、含氟纤维、酚醛纤维、涤卡、毛呢料、皮革、帆布制品F02中等耐用比上述性能较差者中等强度化纤如尼龙、的确凉、维尼纶、劳动呢、纱卡、聚氯乙烯等制品F03不耐用织物强度低、结构松

3、散、易碎、经洗涤使用强度降低速率较大聚氯乙烯薄膜、棉纱、纸类制品A2使用期限使用期限见表4。表4编号受损耗情况磨蚀类别耐磨蚀能力使用期限(月)GlDOlFOlG2G3EOlD02D03F02F030.5-3G4DOlFOl18-24G5D02FOl24-36G6D03FOl36-48G7DOlF0212-18G8E02D02F0218-24G9D03F0224-36GlODOlF0369GllD02F03912G12D03F0312-24G13DOlFOl24-36GMD02FOl36-48G15D03FOl48-60G16DOlF0218-24G17E03D02F0224-36G18D03F0236-48G19DOlF031218G20D02F0318-24G21D03F0324-36

展开阅读全文
相关资源
猜你喜欢
相关搜索

当前位置:首页 > 管理/人力资源 > 劳动合同

copyright@ 2008-2023 1wenmi网站版权所有

经营许可证编号:宁ICP备2022001189号-1

本站为文档C2C交易模式,即用户上传的文档直接被用户下载,本站只是中间服务平台,本站所有文档下载所得的收益归上传人(含作者)所有。第壹文秘仅提供信息存储空间,仅对用户上传内容的表现方式做保护处理,对上载内容本身不做任何修改或编辑。若文档所含内容侵犯了您的版权或隐私,请立即通知第壹文秘网,我们立即给予删除!