北太路升级改造工程交通设计说明.docx

上传人:p** 文档编号:217342 上传时间:2023-04-17 格式:DOCX 页数:15 大小:62.81KB
下载 相关 举报
北太路升级改造工程交通设计说明.docx_第1页
第1页 / 共15页
北太路升级改造工程交通设计说明.docx_第2页
第2页 / 共15页
北太路升级改造工程交通设计说明.docx_第3页
第3页 / 共15页
北太路升级改造工程交通设计说明.docx_第4页
第4页 / 共15页
北太路升级改造工程交通设计说明.docx_第5页
第5页 / 共15页
北太路升级改造工程交通设计说明.docx_第6页
第6页 / 共15页
北太路升级改造工程交通设计说明.docx_第7页
第7页 / 共15页
北太路升级改造工程交通设计说明.docx_第8页
第8页 / 共15页
北太路升级改造工程交通设计说明.docx_第9页
第9页 / 共15页
北太路升级改造工程交通设计说明.docx_第10页
第10页 / 共15页
亲,该文档总共15页,到这儿已超出免费预览范围,如果喜欢就下载吧!
资源描述

《北太路升级改造工程交通设计说明.docx》由会员分享,可在线阅读,更多相关《北太路升级改造工程交通设计说明.docx(15页珍藏版)》请在第壹文秘上搜索。

1、7、道路交通标志和标线第6部分:铁路道口GB5768.6-20178、 6城市道路交通标志和标线设置规范GB51308-20159、 6道路交通反光膜GB/T18833-201210、 给水用聚乙烯(PE)管材GB/T13663-2018Ik路面标线涂料JT/T280-200412、 公路工程质房检验评定标准第一册土建工程JTGF80/1-200413、 变形铝及铝合金化学成分GB/T3190-200814、 一般工业用铝及铝合金板、带材第1部分:一般要求GB/T3880.1-201215、 一般工业用能及铝合金板、带材第2部分:力学性能GB/T3880.2-201216、 一般工业用铝及铝合

2、金板、带材第3部分:尺寸偏差GB/T3880.3-201217、 公路车辆智能监测记录系统通用技术条件GA/T497-200918、 道路交通信号灯GB14887-201119、 道路交通信号控制机GB25280-201620、 灯具第1部分:一般要求与试验GB7000.1-200721、 道路交通信号控制机安装规范GA/T489-201622、 道路交通信号灯设置与安装规范GB14886-201623、 城市道路交通设施设计规范GB50688-201124、 城市道路交叉口设计规程CJJ152-201025、 广州市道路交通指路标志系统设计技术指引研究201326、 广州市城市交通管理i殳施

3、设计技术指引201427、 广州市重点区域道路交通标识系统设计指引201728、 城市道路交通标准和标线设置规范GB-51038-201529、 现行其它有关标准、规范、规程等四、对初步设计专家评审会意见的执行情况1、建议采用Y类反光膜,提高道路行车的安全性。回复:同意采用Y类反光膜.2、重设信号检测线圈施工应与交警支队秩序设施大队信号维护单位对接,保证信号检测单元有效可川。交通设计说明一、工程概况北太路升级改造工程位于广州市白云区,工程线路大致呈东西走向,整治长度约为4.7km,为城市主干道路,设计车速60km/h,双向六车道,改造断面宽42m。1W面.本交通工程设计主要内容包括交通标志标线

4、、交通疏解、交通信号灯.、交通检测线圈方面的设计.因本交通工程原有交通安全设施保留完好及能满足本工程使用,故本次设计内容不包含这项:检测线圈需重新布宜因刨除地面新铺沥古道路故需新建交通检测线圈。二、设计依据1、道路工程平面设计图。三、设计技术标准1、中华人民共和国道路交通安全法2,道路交通标志和标线第1部分:总则GB5768.1-20093、道路交通标志和标线第2部分:道路交通标志GB5768.2-20094、道路交通标志和标线第3部分:道路交通标线GB5768.3-20095、道路交通标志和标线第4部分:作业区GB5768.4-20176、道路交通标志和标线第5部分:限制速度GB5768.5

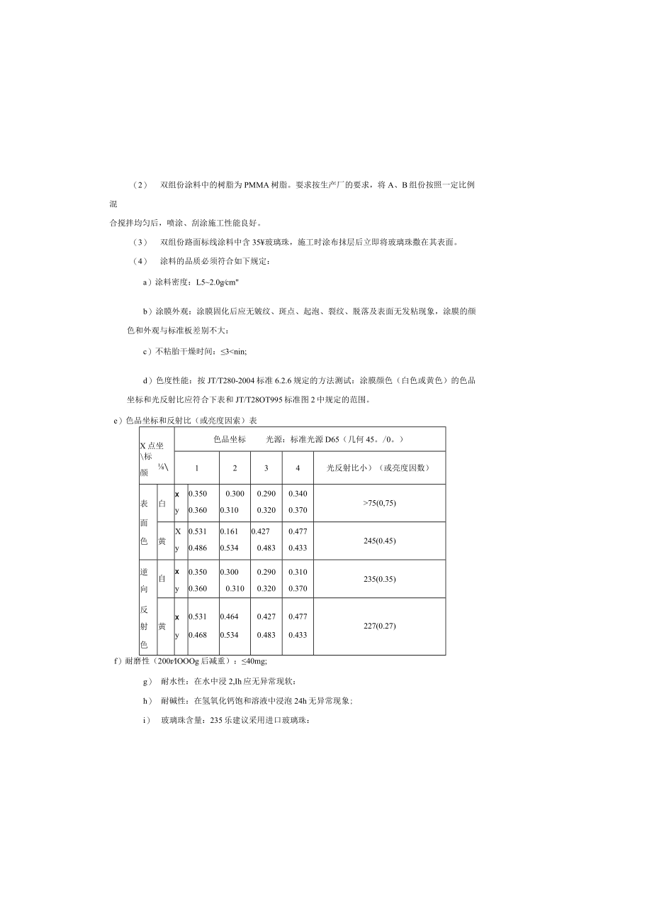
5、-2017线(喷涂型),厚度为L5mm+0.6mm=2.1mm。施工时先上热熔型道路标线(加强型)后,再根据道路状况稳定后,再上MMA液体双组分标线(喷涂型),必须保证标线的洁净。(2) 双组份涂料中的树脂为PMMA树脂。耍求按生产厂的要求,将A、B组份按照一定比例混合搅拌均匀后,喷涂、刮涂施工性能良好。(3) 双组份路面标线涂料中含35玻璃珠,施工时涂布抹层后立即将玻璃珠撒在其表面。(4) 涂料的品质必须符合如下规定:a)涂料密度:L52.0gcmb)涂膜外观:涂膜固化后应无皴纹、斑点、起泡、裂纹、脱落及表面无发粘现象,涂膜的颜色和外观与标准板差别不大:c)不粘胎干燥时间:375(0,75)

6、X0.5310.1610.4270.477色黄y0.4860.5340.4830.433245(0.45)逆自X0.3500.3000.2900.310235(0.35)向y0.3600.3100.3200.370反X0.5310.4640.4270.477射黄y0.4680.5340.4830.433227(0.27)色f)耐磨性(200rIOOOg后减重):40mg;g) 耐水性:在水中浸2,Ih应无异常现软:h) 耐碱性:在氢氧化钙饱和溶液中浸泡24h无异常现象;i) 玻璃珠含量:235乐建议采用进口玻璃珠:回宏:按要求执行。3、提前与辖区大队沟通,细化施工期间交通疏解方案。回更:按耍求

7、执行。五、设计原则1、严格按道路交通标志和标线第1部分:总则GB5768.1-2009;第2部分道路交通标志:GB5768.2-2009;第3部分:道路交通标线GB5768.3-2009:城市道路交通标志和标线设置规范GB51308-2015的规定进行设计。2、标志内容力求简洁与清晰,给司机以确切的道路情报,保障行车安全与快捷。3、合理配置清楚明确的交通标志和标线。六、交通设施6.1交通标线标线用于管制和引导交通,应具有鲜明的确认效果。标线设置在路面上,应具有附着力强、经久耐磨、使川寿命长、耐候性好、抗污染、抗变色等性能。同时,标线还应具有施工时干燥迅速、施工方便、安全性能好等性能。标线应保证

8、在白天和晚上都具有视线诱导功能和良好反光效果,并应做到车道分界清晰,线形清楚,轮廓分明,对行驶车辆的诱导有重要作川。I、标线设国要求(1)根据道路车行道宽度和道路平面设计图合理布置车道,根据城市道路工程设计规范(CJJ37-2012)规定,选取车行道宽度为3.5m、3.75m:路面各类均应符合GB5768.3-2009道路交通标志标线第3部分:道路交通标线和城市道路交通标志和标线设置规范GB51308-2015相关的规定。(2)车行道边缘线、导向车道线、导流带边缘线采用白(黄)色实线。(3)车行道分界线采用白色虚线,实线段长6m,线段间距9m,道路划线时注意与工程范围外的道路标线接顺。(4)停

9、止线采用白色实线,线宽40cm:停止线无特别说明距人行横道线3m(5)道路导向箭头颜色为白色,箭头长6u(6)其他出入口标线、导流带、地面文字标记、减速让行标记等按照国标要求。2、标线材料要求(1) 所有标线均设置反光交通标线,并采用热熔型道路标线(加强型)+MMA液体双组份标标志和标线第2部分:道路交通标志GB5768.2-2009规定,字宽和字高相等,辅助标志、告示标志的字高一般按标准汉字高度的一半,最小不得小于K)Cm.(4)版面设计应以司机在行驶时能及时辨认标志内容为基本原则,同时版面布置应美观、醒目,并且标志应具有夜间反光的性能.本路交通标志是根据国标道路交通标志和标线第2部分:道路

10、交通标志GB5768.2-2009要求进行设计的。标志版面内容采用中、英文两种文字对应标识,中文在上,英文在下,小写英文字高为汉字高的一半,英文首字母大写,其余均为小写,阿拉伯数字与汉字同高,字体采用交通部统一的交通标志专用字体。2、材料质量要求铝合金板材化学成分、板材牌号、规格、力学性能(按国标要求抗拉性强度应不小于2893MPa,屈服点不小于24L2MPa,延伸率不小于4%T0%)应符合GB/T17432-2012、GB/T3880.1-2012.GB/T3880.2-2012.GB/T3880.3-2012的规定。3、柱体的材料要求(具体按设计图纸)凡钢管外径在152mm以下(含1520

11、的立柱和横梁,采用普通碳素结构钢焊接钢管,应符合碳素结构钢GB/T700-2006的要求;凡钢管外径在152mm以上的立柱和横梁,采用一般常用热轧无缝钢管,并符合结构用无缝钢管GB/T8162-2018的规定。标志立柱柱帽和横梁帽采用普通碳素结构钢板,板厚一般采用3mm。表面采用热浸镀锌处理(含底座法兰盘、包箍),镀锌量不少于600gm204、版面反光材料要求(1)反光材料应符合设计规定的等级要求。参照道路交通反光膜GB/T18833-2012.(2)反光膜的表面规则的分布有菱形的密封结构,采用“微极镜”反光技术,不含金属镀信,具有优异的大入射角及大观察角性能。厂家必须提供书面的十年的质量担保

12、,确保十年内标志牌的字膜和底膜的逆反射数不低于初始值的80%。6. 3交通信号灯组K机动车信号灯要求(1)符合国家标准道路交通信号灯(GB14887-2011)的交通信号灯具1类1级(W型)全部技术要求,具有公安部交通安全产品质量监督检测中心按国标全部项目检测报告,且检测报告在有效期内。机动车灯要求红灯、绿灯结束前9秒倒计时功能。附于车道下游的悬臂杆或立柱式灯杆上(所有灯具采用LED灯具).行人灯具有绿闪倒计时和盲人提示功能。(2)机动车信号灯、非机动车信号灯每组由红、黄、绿三个几何位置分立单元组成。同一方向红、黄、绿三色方向指示信号灯应为三个几何位置分立单元。j)耐候性:经人工加速耐候性试验

13、后,试板图层不允许产生龟裂、剥落:允许轻微粉化和变色,但色品坐标应符合8/丁280-200,1标准6.2.6和JT/T280T995标准图2规定的范国,亮度因素变化范围不应大于标准板亮度因素的20虬:(5) 涂料用卜涂剂(底油)的品质应符合如下规定:a) 涂料用下涂剂颜色应无透明或琥珀色流体;b) 固体含量:305%:c) 涂布量:150200gm:d) 干燥时间:5min:(6) 玻璃珠的品质应符合如下规定:a)容器中玻璃珠状态:粒状或松散团状,清洁无杂质;b)密度(在23匕2匕的二甲苯中):2.4-2.6gcm,;c)粒径:标准筋筛号(目)N=30时,箭余物(%)A=0;N=3050时,=

14、4090:N=IoO时:d)A=95100:e)外观:无色透明球状,扩大1050倍观察时,熔融团、片状、尖状物、有气泡等瑕庇珠不应超过总量的20%:f)玻璃珠的折射率(20C浸渍法):21.5;g)耐水性:取Iog样品放于IOmL蒸播水中,于沸腾水溶中加热1小时后冷却:玻璃珠表面不应出现模糊状:中和这IOOmL水所需0OlM的盐酸应在IOmL以K6.2交通标志标志颜色以国标为准,指示、指路标志采用蓝底白色图案。指示标志中中英文字大小为2:1。标志面板反光材料采用V类反光膜,反光膜采川“微极镜”结构反光技术。标志采川3mm厚铝合金作底板,铝合金板采用滑动铝槽加固。1、一般规定(1)交通标志牌面蹶色由底色、图形或字符色、边框色和衬边色组成,除特别规定的标志种类外,标志边框颜色应与标志的图形或字符颜色一致,标志衬边颜色应与标志底色一致,各类标志的边框和衬边颜色根据国标道路交通标志和标线第2部分:道路交通标志GB576

展开阅读全文
相关资源
猜你喜欢
相关搜索

当前位置:首页 > 建筑/环境 > 修缮加固与改造

copyright@ 2008-2023 1wenmi网站版权所有

经营许可证编号:宁ICP备2022001189号-1

本站为文档C2C交易模式,即用户上传的文档直接被用户下载,本站只是中间服务平台,本站所有文档下载所得的收益归上传人(含作者)所有。第壹文秘仅提供信息存储空间,仅对用户上传内容的表现方式做保护处理,对上载内容本身不做任何修改或编辑。若文档所含内容侵犯了您的版权或隐私,请立即通知第壹文秘网,我们立即给予删除!