压力变送器就地校准步骤.docx

上传人:p** 文档编号:219031 上传时间:2023-04-17 格式:DOCX 页数:3 大小:38.98KB
下载 相关 举报
压力变送器就地校准步骤.docx_第1页
第1页 / 共3页
压力变送器就地校准步骤.docx_第2页
第2页 / 共3页
压力变送器就地校准步骤.docx_第3页
第3页 / 共3页
亲,该文档总共3页,全部预览完了,如果喜欢就下载吧!
资源描述

《压力变送器就地校准步骤.docx》由会员分享,可在线阅读,更多相关《压力变送器就地校准步骤.docx(3页珍藏版)》请在第壹文秘上搜索。

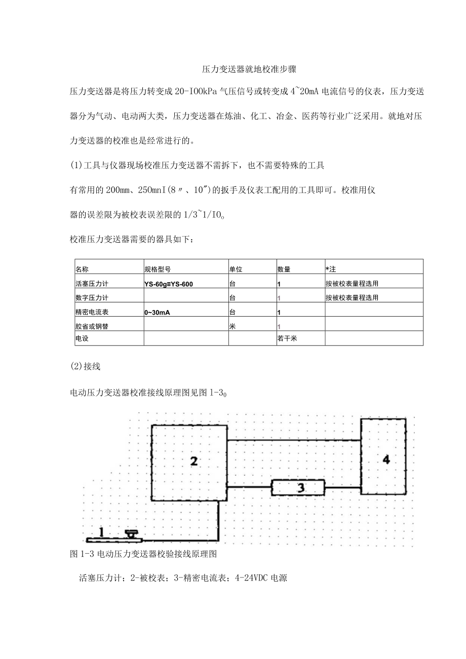
1、压力变送器就地校准步骤压力变送器是将压力转变成20-IOOkPa气压信号或转变成420mA电流信号的仪表,压力变送器分为气动、电动两大类,压力变送器在炼油、化工、冶金、医药等行业广泛采用。就地对压力变送器的校准也是经常进行的。(1)工具与仪器现场校准压力变送器不需拆下,也不需要特殊的工具有常用的200mm、25OmnI(8、10)的扳手及仪表工配用的工具即可。校准用仪器的误差限为被校表误差限的1/31/IOo校准压力变送器需要的器具如下:名称规格型号单位数量*注活塞压力计YS-60gYS-600台1按被校表量程选用数字压力计台1按被校表量程选用精密电流表030mA台1胶省或钢替米1电设若干米(

2、2)接线电动压力变送器校准接线原理图见图l-30图1-3电动压力变送器校验接线原理图活塞压力计;2-被校表;3-精密电流表;4-24VDC电源(3)操作步骤电动压力变送器的校准步骤基本误差的校准a.关闭引压管入变送器的阀,断开原引压管接头,接上活塞压力计,按图1一3接好校准线路。b.经检查确认无误后通电。c.选压力变送器测量范围或输出信号的0、25%、50%、75%、100%5个点为标准值进行校准。d.用活塞压力计平稳增加到压力信号,读取各点相应实测值。e.使输出信号上升到上限的105%处保持2min,然后逐渐使输出的信号减少到最小值,读取各点相应的实测值。f.计算基本误差:正行程误差z=(A

3、z-Ao)/16X100%反行程误差z=(Af+Ao)/16X100%式中6z正行程基本误差,%6z一反行程基本误差,%AZ正行程时输出实测值,mAAf一反行程时输出实测值,mAAo-输出信号公称值,mA16-输出信号的上、下限之差,mA电动压力变送器的允许基本误差不得超过变送器规定的精度等级。回程误差的校准在同一点测得正、反行程实测值之差的绝对值,即为电动压力变送器的回差误差。回程误差的计算:AH=IAZ-AFi式中AH一电动差压变送器的回程误差,mA,AZ正行程时输出信号的实测值,mA,AF一反行程时输出信号的实测值,mA,电动压力变送器的回程误差不得超过变送器规定允许基本误差。填写校准记录电动压力变送器校准表格形式如下。单位仪表名称规格型号精度等级测量范围制造厂出厂编号抬出信号输出公称值kPa输出实测值误差/kPa回程误差kPa%kPaZ反正反O255075100允许基本误差:最大基本误差:允许回程误差:最大回程俣差:校准人:审核人:年月曰

展开阅读全文
相关资源
猜你喜欢
相关搜索

当前位置:首页 > 行业资料 > 原子能技术

copyright@ 2008-2023 1wenmi网站版权所有

经营许可证编号:宁ICP备2022001189号-1

本站为文档C2C交易模式,即用户上传的文档直接被用户下载,本站只是中间服务平台,本站所有文档下载所得的收益归上传人(含作者)所有。第壹文秘仅提供信息存储空间,仅对用户上传内容的表现方式做保护处理,对上载内容本身不做任何修改或编辑。若文档所含内容侵犯了您的版权或隐私,请立即通知第壹文秘网,我们立即给予删除!