双曲线钢筋混凝土冷却塔淋水装置及塔外挡风板工程防冻管安装质量标准及检验方法.docx

上传人:p** 文档编号:219326 上传时间:2023-04-17 格式:DOCX 页数:2 大小:17.52KB
下载 相关 举报
双曲线钢筋混凝土冷却塔淋水装置及塔外挡风板工程防冻管安装质量标准及检验方法.docx_第1页
第1页 / 共2页
双曲线钢筋混凝土冷却塔淋水装置及塔外挡风板工程防冻管安装质量标准及检验方法.docx_第2页
第2页 / 共2页
亲,该文档总共2页,全部预览完了,如果喜欢就下载吧!
资源描述

《双曲线钢筋混凝土冷却塔淋水装置及塔外挡风板工程防冻管安装质量标准及检验方法.docx》由会员分享,可在线阅读,更多相关《双曲线钢筋混凝土冷却塔淋水装置及塔外挡风板工程防冻管安装质量标准及检验方法.docx(2页珍藏版)》请在第壹文秘上搜索。

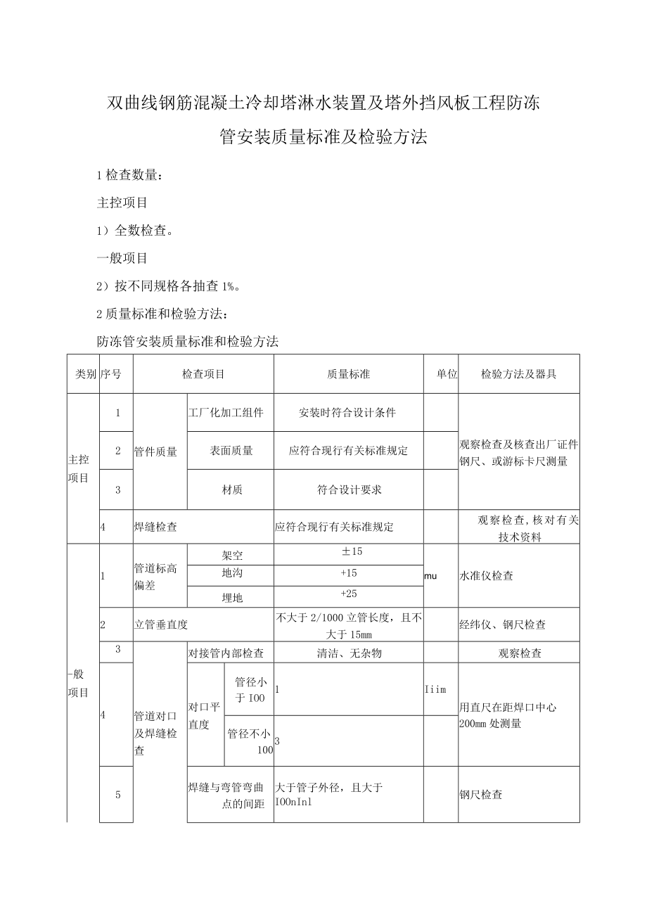
双曲线钢筋混凝土冷却塔淋水装置及塔外挡风板工程防冻管安装质量标准及检验方法1检查数量:主控项目1)全数检查。一般项目2)按不同规格各抽查1%。2质量标准和检验方法:防冻管安装质量标准和检验方法类别序号检查项目质量标准单位检验方法及器具主控项目1管件质量工厂化加工组件安装时符合设计条件观察检查及核查出厂证件,钢尺、或游标卡尺测量2表面质量应符合现行有关标准规定3材质符合设计要求4焊缝检查应符合现行有关标准规定观察检查,核对有关技术资料-般项目1管道标高偏差架空15mu水准仪检查地沟+15埋地+252立管垂直度不大于2/1000立管长度,且不大于15mm经纬仪、钢尺检查3管道对口及焊缝检查对接管内部检查清洁、无杂物观察检查4对口平直度管径小于IOO1Iiim用直尺在距焊口中心200mm处测量管径不小10035焊缝与弯管弯曲点的间距大于管子外径,且大于IOOnInl钢尺检查6焊缝与开孔的间距50mm钢尺检查7直管段两个焊缝的间距大于管子外径,且大于15Omnl钢尺检查8焊缝与支吊架边缘的间距50TUn钢尺检查9螺纹连接接管内部检查清洁、无杂物观察检查10管子对接螺纹无断齿、毛刺,长度符合要求,配合良好,涂料使用正确,并留用2扣3扣观察、计数检查

展开阅读全文
相关资源
猜你喜欢
相关搜索

当前位置:首页 > 行业资料 > 国内外标准规范

copyright@ 2008-2023 1wenmi网站版权所有

经营许可证编号:宁ICP备2022001189号-1

本站为文档C2C交易模式,即用户上传的文档直接被用户下载,本站只是中间服务平台,本站所有文档下载所得的收益归上传人(含作者)所有。第壹文秘仅提供信息存储空间,仅对用户上传内容的表现方式做保护处理,对上载内容本身不做任何修改或编辑。若文档所含内容侵犯了您的版权或隐私,请立即通知第壹文秘网,我们立即给予删除!