变电站一键顺控改造试验方案.docx

上传人:p** 文档编号:219573 上传时间:2023-04-17 格式:DOCX 页数:14 大小:45.72KB
下载 相关 举报
变电站一键顺控改造试验方案.docx_第1页
第1页 / 共14页
变电站一键顺控改造试验方案.docx_第2页
第2页 / 共14页
变电站一键顺控改造试验方案.docx_第3页
第3页 / 共14页
变电站一键顺控改造试验方案.docx_第4页
第4页 / 共14页
变电站一键顺控改造试验方案.docx_第5页
第5页 / 共14页
变电站一键顺控改造试验方案.docx_第6页
第6页 / 共14页
变电站一键顺控改造试验方案.docx_第7页
第7页 / 共14页
变电站一键顺控改造试验方案.docx_第8页
第8页 / 共14页
变电站一键顺控改造试验方案.docx_第9页
第9页 / 共14页
变电站一键顺控改造试验方案.docx_第10页
第10页 / 共14页
亲,该文档总共14页,到这儿已超出免费预览范围,如果喜欢就下载吧!
资源描述

《变电站一键顺控改造试验方案.docx》由会员分享,可在线阅读,更多相关《变电站一键顺控改造试验方案.docx(14页珍藏版)》请在第壹文秘上搜索。

1、变电站一键顺控改造试验方案1.1试验条件环境温度:+15C+35C;相对湿度:45%75%;大气压力:80kPa-IlOkPa;测试所用的仪器、仪表、检测工具应经过检验合格,测试过程中被测装置和测试仪器必须可靠接地。1.2试验分类试验分为型式试验、出厂试验和现场试验。10.2.1型式试验系统入网前,应在正常试验条件下按第10章规定的试验方法及技术要求由第三方检测机构逐项进行入网测试,检验合格后,附有合格证,方可允许入网使用,型式试验合格证有效期为五年。型式试验检测项目分为强制性项目和评价性项目,强制性项目不通过则检测报告不合格,评价性项目仅进行检测记录。试验内容前标为强制性项目,其它为评价性项

2、目。试验项目如表5所示。表5一键顺控型式试验项目序号检验项目型式试验备注1结构和外观检查外观结构检查O2LED指示灯检查O3液晶和按键检查O4功能试验预制操作票库5生成任务6模拟预演7指令执行8操作记录9监控主机内置防误闭锁校验智能防误主机防误功能10智能防误主机与监控主机交互功能11辅控系统视频联动接口12界面试验界面测试13性能试验性能测试14稳定性试验稳定性测试注:表示必做项目,O表示可选项目10.2.2出J一试验系统出厂前,应在正常试验条件下按第10章规定的试验方法及技术要求逐项进行例行检验,检验合格后,附有合格证,方可允许出厂。试验项目如表6所示。表6一键顺控出厂试验项目序号检验项目

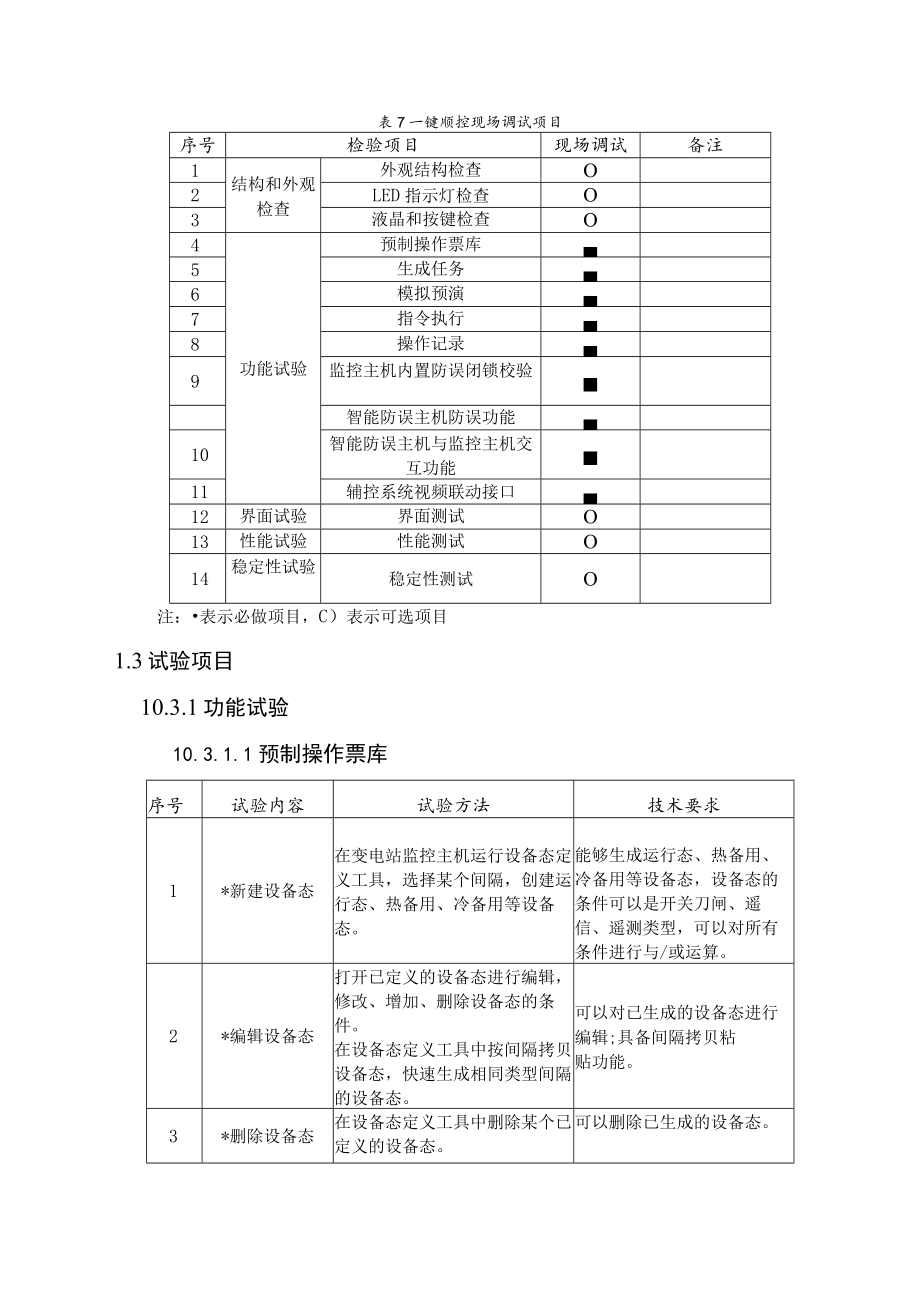
3、型式试验备注1结构和外观检查外观结构检查O2LED指示灯检查O3液晶和按键检查O4功能试验预制操作票库5生成任务6模拟预演7指令执行8操作记录9监控主机内置防误闭锁校验智能防误主机防误功能10智能防误主机与监控主机交互功能11辅控系统视频联动接口12界面试验界面测试13性能试验性能测试14稳定性试验稳定性测试注:表示必做项目,C)表示可选项目10.2.3现场调试系统投运前应通过现场调试。系统所有设备在现场安装完毕后,按第10章规定的试验方法及技术要求进行现场调试和在线检验。试验项目如表7所示。表7一键顺控现场调试项目序号检验项目现场调试备注1结构和外观检查外观结构检查O2LED指示灯检查O3液

4、晶和按键检查O4功能试验预制操作票库5生成任务6模拟预演7指令执行8操作记录9监控主机内置防误闭锁校验智能防误主机防误功能10智能防误主机与监控主机交互功能11辅控系统视频联动接口12界面试验界面测试O13性能试验性能测试O14稳定性试验稳定性测试O注:表示必做项目,C)表示可选项目1.3试验项目10.3.1功能试验10.3.1.1预制操作票库序号试验内容试验方法技术要求1*新建设备态在变电站监控主机运行设备态定义工具,选择某个间隔,创建运行态、热备用、冷备用等设备态。能够生成运行态、热备用、冷备用等设备态,设备态的条件可以是开关刀闸、遥信、遥测类型,可以对所有条件进行与/或运算。2*编辑设备

5、态打开已定义的设备态进行编辑,修改、增加、删除设备态的条件。在设备态定义工具中按间隔拷贝设备态,快速生成相同类型间隔的设备态。可以对已生成的设备态进行编辑;具备间隔拷贝粘贴功能。3*删除设备态在设备态定义工具中删除某个已定义的设备态。可以删除已生成的设备态。序号试验内容试验方法技术要求4*设备态查看在变电站监控主机运行一键顺控程序,新建操作任务,选择操作对象,核对当前状态,查看当前选择的操作对象具有的设备态。能够查看到当前选择的操作对象已定义的所有设备态,且设备态状态计算正确,并应在设备态左侧用图元显示设备态是否满足。5*设备态更新某个设备态当前是满足的,在变电站监控主机上改变此设备态的某些条

6、件关联的操作对象的状态,观察此设备态是否会变为不满足。某个设备态当前是不满足的,在变电站监控主机上改变此设备态的某些条件关联的操作对象的状态,使所有条件都满足,观察此设备态是否会变为满足。在变电站监控主机查看此设备态,此设备态的当前状态能根据条件的变化更新。6*新建顺控操作票在变电站监控主机运行顺控操作票定义工具,指定当前设备态、目标设备态,新建一张顺控操作票,然后添加遥控、软压板切换、提示等类型的操作步.骤。能够成功生成顺控操作票。7*编辑顺控操作票在变电站监控主机运行顺控操作票定义工具,打开一张顺控操作票进行编辑,设置某个操作项目的任务描述、执行前条件、确认条件、延时时间、超时时间、顺控闭

7、锁信号、出错处理方式等参数。在顺控操作票定义工具中按间隔拷贝顺控操作票,快速生成相同类型间隔的顺控操作票。能够编辑顺控操作票,能够设置操作项目的任务描述、执行前条件、确认条件、延时时间、超时时间、顺控闭锁信号、出错处理方式,具备间隔拷贝粘贴功能。8*删除顺控操作票在变电站监控主机运行顺控操作票定义工具,删除一张操作票库中的顺控操作票。能够删除指定的顺控操作票。序号试验内容试验方法技术要求9*操作票库自检功能在变电站监控主机运行顺控操作票定义工具,新建一张服控操作票,使其操作对象、当前设备态、目标设备态与已有的一张顺控操作票相同。新建的顺控操作票应创建失败,提示操作票库中已有一张相同的顺控操作豆

8、,O10*查看顺控操作票在变电站监控主机运行一键顺控程序,选择操作对象、核对当前状态、选择目标状态、生成操作任务,调出已定义的顺控操作票。变电站监控主机能够查看到当前操作任务对应的顺控操作票。11*操作票库维护日志功能在变电站监控主机查询顺控票的生成、修改、删除日志。顺控票生成、修改、删除等操作均应记录并能方便查询。10.3.1.2生成任务序号试验内容试验方法技术要求1*权限校验在变电站监控主机运行一键顺控程序,弹出权限校验对话框,操作人、监护人进行权限校验时输入错误的口令或指纹。操作人、监护人同时进行“口令+指纹”权限校验,若输入错误的口令或指纹,权限校验不通过,禁止操作。2*核对当前状态运

9、行一键顺控程序,选择需要操作的间隔或保护装置,选择和生成任务要求的当前设备态一致的设备态,可以单击确定按钮完成核对当前状态;选择和生成任务要求的当前设备态不一致的设备态,应禁止后续操作,无法生成任务。选择的设备态和生成任务要求的当前设备态一致才可确认当前状态,否则禁止确认。3*生成操作任务运行一键顺控程序,选择操作对象、核对当前状态、选择目标状态,单击确定按钮,能根据指定的操作对象、当前设备态、目标设备态调取预制的顺控操作票,在操作项目列表中显示生成操作任务。该任务所有的操作项目信息,在操作条件、目标状态列表中显示操作条件、目标状态。操作条件应能根据设备名称自动分类整理。目标状态应能根据操作项

10、目顺序自动分类整理。4*添加多个操作任务运行一键顺控程序,新建操作任务,选择操作对象、核对包前状态、选择目标状态,单击确定按钮,生成一个“从运行转热备用”的操作任务;然后再添加操作任务,选择相同的操作对象、核对当前状态、选择目标状态,单击确定按钮,添加一个“从热备用转冷备用”的操作任务;然后再添加操作任务,选择不同的操作对象、核对当前状态、选择目标状态,单击确定按钮,添加一个操作任务。在新建的操作任务生成后的模拟断面上判断下一操作任务的当前设备态是否满足,若不满足应禁止任务组合。多个操作任务组合后在操作任务列表中显示,组合后的操作项目在操作项目列表中显示,组合后的操作条件、目标状态在操作条件列

11、表、目标状态列表中显示。10.3.1.3模拟预演序号试验内容试验方法技术要求1*预演使能运行一键顺控程序,生成任务成功后,查看“预演”按钮是否使能。生成任务前,“预演”按钮应禁用;生成任务成功后,操作条件列表全部满足,“预演”按钮才使能,否则应禁用。“预演”按钮使能后,点击“预演”按钮后可以开始对操作票进行自动预演。序号试验内容试验方法技术要求2*预演前当前设备态核实“预演”按钮使能后,在变电站监控主机上改变设备态的条件,使其状态发生变化,使指令中的当前设备态与操作对象的实际状态不一致。点击“预演”按钮后应提示“当前设备态不满足”错误。10.3.1.4指令执行序号试验内容试验方法技术要求1*执

12、行使能运行一键顺控程序,模拟预演成功后,查看“执行”按钮是否使能。模拟预演成功前,“执行”按钮应禁用;模拟预演成功后,操作条件列表全部满足,“执行”按钮才使能,否则应禁用。”执行”按钮使能后,点击“执行”按钮后可以开始操作票自动执行。2*执行前当前设备态核实“执行”按钮使能后,在变电站监控主机上改变设备态的条件,使其状态发生变化,使指令中的当前设备态与操作对象的实际状态不一致。点击“执行”按钮后应提示“当前设备态不满足”错误。3*检查操作条件指令执行过程中,在变电站监控主机上改变某个操作条件,使其状态发生变化,使操作条件列表中有部分条件不满足。应终止指令执行并提示错误。4*顺控闭锁信号判断指令

13、执行过程中,在变电站监控主机上改变闭锁信号状态,使发生闭锁信号。应终止指令执行并提示错误,点亮“异常告警”指示灯。5*全站事故总判断指令执行过程中,在变电站监控主机上产生全站事故总信号。应终止指令执行并提示错误,点亮“故障跳闸”指不灯。6*单步执行前条件判断指令执行过程中,在变电站监控主机上配置本步操作的执行前条件,使其不满足。应终止操作,并弹出提示错误,点亮“异常告警”指不灯。7*单步监控系统内置防误闭锁校验指令执行过程中,配置监控主机内置的防误逻辑,使其校验不通过。应终止操作,并弹出提示错误,点亮“防误闭锁”指示灯。8*单步智能防误主机防误校核指令执行过程中,配置独立智能防误主机的防误逻辑,使其校验不通过。应终止操作,并弹出提示错误,点亮“防误闭锁”指示灯。序号试验内容试验方法技术要求9*指令执行点击“执行”按钮后开始操作票自动执行。指令执行过程结果应逐项显示,执行每一步操作项目之后应更新操作条件、目标状态。10*暂停继续执行过程中,单击“暂停”按钮。单击“暂停”按钮可以暂停操作过程,暂停后“暂停”按钮上的描述应变为“继续”,单击“继续”可继续执行。11*终止执行执行过程中,单击“终止”按钮。单击“终止”按钮应终止执行过程。12*单步确认条件判断本步执行结束后

展开阅读全文
相关资源
猜你喜欢
相关搜索

当前位置:首页 > 建筑/环境 > 修缮加固与改造

copyright@ 2008-2023 1wenmi网站版权所有

经营许可证编号:宁ICP备2022001189号-1

本站为文档C2C交易模式,即用户上传的文档直接被用户下载,本站只是中间服务平台,本站所有文档下载所得的收益归上传人(含作者)所有。第壹文秘仅提供信息存储空间,仅对用户上传内容的表现方式做保护处理,对上载内容本身不做任何修改或编辑。若文档所含内容侵犯了您的版权或隐私,请立即通知第壹文秘网,我们立即给予删除!