园区次干道及支路四期道路工程海绵城市专篇施工图设计说明.docx

上传人:p** 文档编号:221028 上传时间:2023-04-17 格式:DOCX 页数:7 大小:47.07KB
下载 相关 举报
园区次干道及支路四期道路工程海绵城市专篇施工图设计说明.docx_第1页
第1页 / 共7页
园区次干道及支路四期道路工程海绵城市专篇施工图设计说明.docx_第2页
第2页 / 共7页
园区次干道及支路四期道路工程海绵城市专篇施工图设计说明.docx_第3页
第3页 / 共7页
园区次干道及支路四期道路工程海绵城市专篇施工图设计说明.docx_第4页
第4页 / 共7页
园区次干道及支路四期道路工程海绵城市专篇施工图设计说明.docx_第5页
第5页 / 共7页
园区次干道及支路四期道路工程海绵城市专篇施工图设计说明.docx_第6页
第6页 / 共7页
园区次干道及支路四期道路工程海绵城市专篇施工图设计说明.docx_第7页
第7页 / 共7页
亲,该文档总共7页,全部预览完了,如果喜欢就下载吧!
资源描述

《园区次干道及支路四期道路工程海绵城市专篇施工图设计说明.docx》由会员分享,可在线阅读,更多相关《园区次干道及支路四期道路工程海绵城市专篇施工图设计说明.docx(7页珍藏版)》请在第壹文秘上搜索。

1、园区次干道及支路四期道路工程海绵城市专篇施工图设计说明1设计依据(1)海绵城市建设技术指南一低影响开发雨水系统构建(2014年10月)(2)重庆市海绵城市规划与设计导则(重庆市城乡建设委员会,重庆市规划局,2016.11)(3)重庆市海绵城市建设工程设计文件编制深度规定一低影响开发雨水系统(试行)(重庆市城乡建设委员会,2016.11)(4)低影响开发雨水系统设计标准(DBJ50T2922018)(5)室外排水设计标准(GB50014-2021)(6)城市工程管线综合规划规范(GB50289-2016)(7)城市防洪工程设计规范(GB/T50805-2012)(8)给水排水工程构筑物结构设计规

2、范(GB50069-2002)(9)给水排水工程管道结构设计规范(GB50332-2002)2初设审查意见执行情况上阶段无审查意见2.3规范强制性条文执行情况本次设计不存在违反行业现行规范强制性条文的情况。3项目概况(1)工程名称:园区次干道及支路四期道路工程(2)工程地点:重庆两江新区水土高新技术产业园(3)道路基本情况园区次干道及支路四期道路工程共五条道路,分别为ZI路北延伸段、万寿路、莱宝西路、莱宝纵向一支路及W7路延伸段,道路总长约5.471kmZl路北延伸段、万寿路、莱宝西路及W7路延伸段为城市次干道,设计时速40kmh,路幅宽度2226m,双向4车道,莱宝纵向一支路为城市支路,设计

3、时速30kmh,路幅宽度16m,双向两车道。本次设计为莱宝纵向一支路,设计范围为K0+779.257-K1+109.372段,道路总长330.115m04设计范围本次设计为莱宝纵向一支路(KO+779257Kl+109.372段)的低影响开发相关设计。S上位规划要求根据两江新区海绵城市近建区修建性详细规划,本次设计道路所在区域未在规划近建区范围内。故本次设计参照主城区海绵城市专项规划,根据该规划,本次设计道路位于竹溪河北二分区,该分区年径流总量控制率为68%,年径流污染去除率为50%。6现状情况分析本次设计范围内均为现状地形,暂无相关海绵城市实施内容。7设计内容7.1设计原则(1)满足海绵城市

4、建设道路设计目标。(2)道路LlD设施的选择应与规划用地性质相协调,因地制宜、经济有效、方便易行,充分结合道路红线内外绿化带进行设计。(3)道路LlD设施的选择应充分考虑设计道路及周边的土壤、地质特征。(4)车行道路面上的降雨通过雨水口排入市政雨水系统,人行道透水的铺装负责收集透水砖铺装面积上的降雨,地块内部的雨水通过地块内部的LlD设施进行综合利用,且地块内部外排雨水通过雨水管直接汇入市政雨水系统:(5)位于泄流通道上的道路应满足洪涝水的顺坡排放至下游泄流通道,且道路不应存在低洼地点,若因地势受限应保证低洼处设计雨水塘等雨水调蓄设施。7.2需求分析(1)根据重庆市主城区海绵城市专项规划,车行

5、道径流系数取0.85,人行道透水铺装径流系数按0.3设计,生物滞留设施自身直接接收降雨面径流系数1。经加权平均,单项设施功能控制目标置式处方经济性污染物去除率(以SS计,%)景观效果集蓄利用雨水补充地电雨水转输径流总量径流峰值径流污染分散建造费用维护费用透水砖铺装OO低低80-90透水水泥混凝OOO高中80-90透水沥啻混凝土OOO0S中80-9()绿色屋顶OOOO一商中70-80好下沉式绿地OO低低一般简易型生物滞留设施0O低低好亚杂里生物滞留设施OO中低70-95好海透塘OO中中70-80一般漆井OO低低湿塘OO高中50-80好雨水湿地OO高中50-80好蓄水池OO高中80-9()雨水罐O

6、O低低80-9()调节塘OOOO高中殷调节池OOOOOO高中转输型植草沟OOOO低低35-90一般干式植草沟OOO低低35-9()好湿式植草沟OOOOO中低好渗管保OOOO中中35-70植被线冲带OOOOO低低50-75搬初期雨水弃流设施QOOOO低中40-60人工上填渗油OOOO高中75-95好注:一强一一较强O弱或很小;2SS去除率数据来自美国流域保护中心(CenlerFOrWtershedPmteciion,CWP)的研究数据。各类用地中低影响开发设施选用一览表技术类型(按主要功能)单项设施用地类型建筑与小区城市道路绿地与广场城市水系港透技术透水砖铺装透水水泥混凝土透水沥青混凝土绿色屋顶

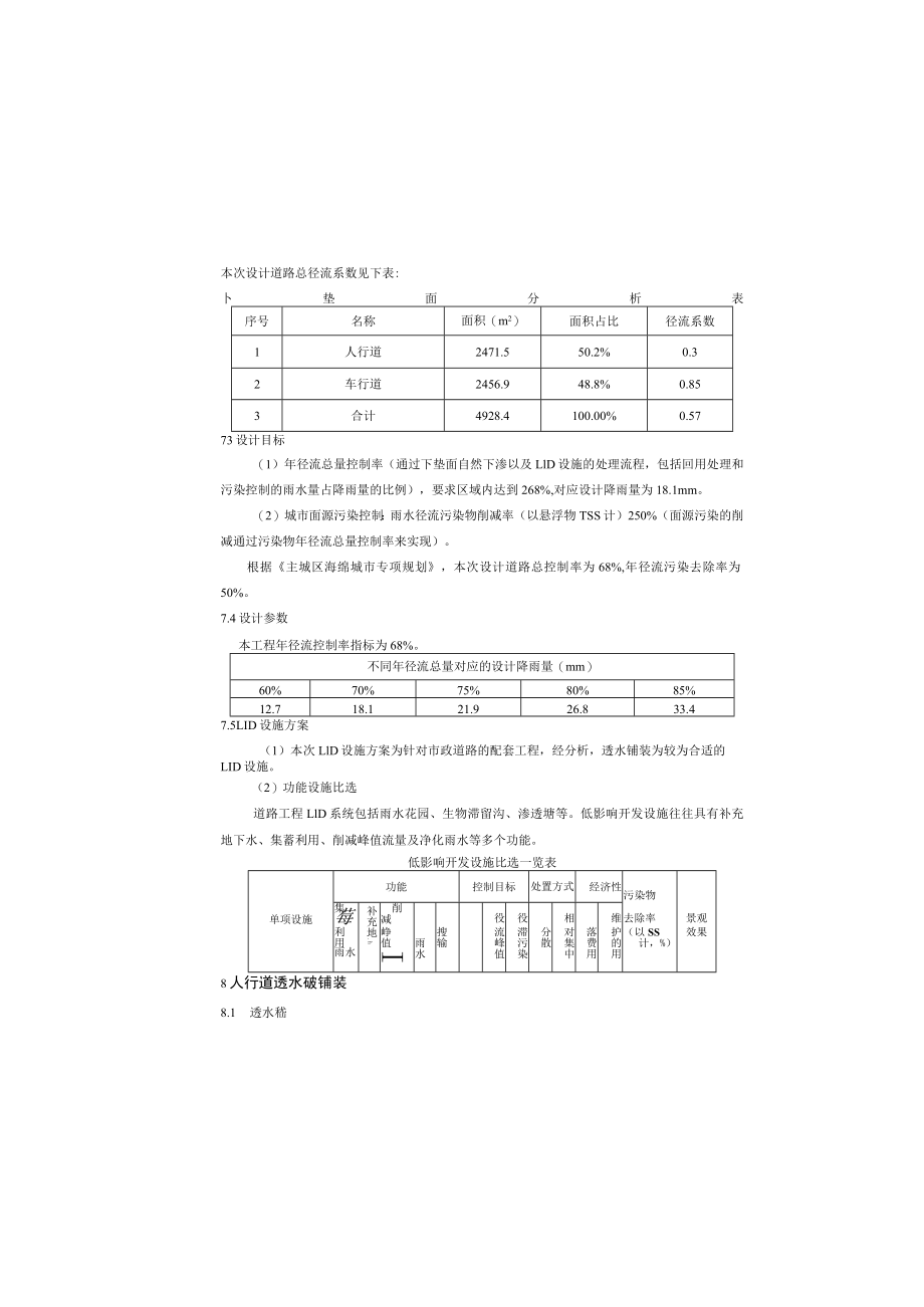
7、OOO卜沉式绿地本次设计道路总径流系数见下表:卜垫面分析表序号名称面积(m2)面积占比径流系数1人行道2471.550.2%0.32车行道2456.948.8%0.853合计4928.4100.00%0.5773设计目标(1)年径流总量控制率(通过下垫面自然下渗以及LlD设施的处理流程,包括回用处理和污染控制的雨水量占降雨量的比例),要求区域内达到268%,对应设计降雨量为18.1mm。(2)城市面源污染控制:雨水径流污染物削减率(以悬浮物TSS计)250%(面源污染的削减通过污染物年径流总量控制率来实现)。根据主城区海绵城市专项规划,本次设计道路总控制率为68%,年径流污染去除率为50%。7

8、.4设计参数本工程年径流控制率指标为68%。不同年径流总量对应的设计降雨量(mm)60%70%75%80%85%12.718.121.926.833.47.5LID设施方案(1)本次LlD设施方案为针对市政道路的配套工程,经分析,透水铺装为较为合适的LID设施。(2)功能设施比选道路工程LlD系统包括雨水花园、生物滞留沟、渗透塘等。低影响开发设施往往具有补充地下水、集蓄利用、削减峰值流量及净化雨水等多个功能。低影响开发设施比选一览表功能控制目标处置方式经济性污染物单项设施集莓补充地.h削减役役相维去除率景观利峥搜流滞分对落护(以SS效果用值雨输峰污散集费的计,%)雨水Ill水值染中用用8人行道

9、透水破铺装8.1 透水嵇本工程采用透水语的透水系数不应W2.OXlOWse8.2 人行道路面结构本次设计遵循海绵城市理念,人行道采用透水砖铺装。人行道海绵城市透水铺装形式需结合周边地块的用地性质与建筑功能、特殊的景观要求进行综合功能导向性设计,采用彩色或带有图案的整体透水混凝土、透水砖。本项目人行道结构设计如下:C30透水混凝土面层6cmC20透水混凝土基层IOcm级配碎石垫层15cm8.3 排水设计(1)透水砖路面的排水可分表面排水和内部排水。应结合市政管网、绿化景观、生态建设及雨水综合利用系统进行综合设计,并应符合现行行业标谁城市道路工程设计规范CJJ37的规定。(2)对人行道全幅敷设透水

10、混凝土,路面内部横向设置HDPE透水盲管,管径DN50,每隔5m布置一处,坡度同人行道横坡:在靠近路缘石或生物滞留带的人行道下设置纵向透水盲管,管径DNlO0,坡度同道路纵坡。横向透水盲管雨水接入纵向透水盲管后,纵向透水盲管分段就近引入雨水口或雨水检杳井后排入雨水系统,详见人行道结构大样图。(3)透水盲管的铺设坡度同人行道横坡坡度。盲管周围应包裹透水土工布,规格300gm2,垂直渗透系数0.001lcms,断裂强力N14km,CBR顶破强力NL8kN,有效孔径0.070.2mu选用盲管的直径为DN50,环刚度不应小于8kNm208.4 路基防水透水铺装与车行道路基之间应敷设防渗膜,防渗膜采用两

11、布一膜防渗土工膜,规格400gm2,断裂强度28.0kNm,CBR顶破强力21.4kN,耐净静水压0.4MPa。9施工要求9.1级配碎石垫层在铺垫15cm的级配碎石之前应铺设土工布,级配碎石应充分压实,在狭窄路段可采用小型机具压实。碎石最大粒径不大于53mm,4.75mm以下的颗粒含量应为30%50%,石料压碎技术类型(按主要功能)单项设施用地类型建筑与小区城市道路绿地与广场城市水系简易型生物滞留设施复杂型生物滞留设施港透塘O渗井O储存技术湿塘雨水湿地蓄水池OO雨水耀OOO调节技术调节塘调节池O转输技术转输型植草沟干式植草沟湿式植草沟港管/渠*O截污净化技术植被缓冲带*初期雨水奔流设施*O人工土壤渗滤O本次设计道路为城市支路,道路人行道宽度最宽为4m,考虑在人行道采用透水铺装作为海绵城市设施。7.6总体控制指标计算(1)年径流总量控制率本次设计采用人行道透水砖铺装作为UD设施。经计算,

展开阅读全文
相关资源
猜你喜欢
相关搜索

当前位置:首页 > 行业资料 > 园艺

copyright@ 2008-2023 1wenmi网站版权所有

经营许可证编号:宁ICP备2022001189号-1

本站为文档C2C交易模式,即用户上传的文档直接被用户下载,本站只是中间服务平台,本站所有文档下载所得的收益归上传人(含作者)所有。第壹文秘仅提供信息存储空间,仅对用户上传内容的表现方式做保护处理,对上载内容本身不做任何修改或编辑。若文档所含内容侵犯了您的版权或隐私,请立即通知第壹文秘网,我们立即给予删除!