图纸、计算书等相关标准.docx

上传人:p** 文档编号:221314 上传时间:2023-04-17 格式:DOCX 页数:2 大小:21.60KB
下载 相关 举报
图纸、计算书等相关标准.docx_第1页
第1页 / 共2页
图纸、计算书等相关标准.docx_第2页
第2页 / 共2页
亲,该文档总共2页,全部预览完了,如果喜欢就下载吧!
资源描述

《图纸、计算书等相关标准.docx》由会员分享,可在线阅读,更多相关《图纸、计算书等相关标准.docx(2页珍藏版)》请在第壹文秘上搜索。

1、图纸、计算书等标准要求一、A4纸插图绘制字体为仿宋GB2312,高宽比为1,字体和尺寸标准均为蓝色;中心线为红色的点划线,结构物用线均为白色细实线;插图文字大小=插图箭头大小=w插图标题大小=210-为A4纸短边长度;X-为A4纸左页边距;Y-为A4纸右页边距;Z-为CAD图中量取的最大长度尺寸。二、表格绘制表格标题及表格内文字均为小五号字,表格外边线为双蓝色粗细线,内线为单蓝色细线。表格中标题加粗,底色为玫瑰红(其他颜色/标准/第七行第九列),其他格底色为浅青绿(其他颜色/标准/第六行第六列)。表1.1-1港珠澳大桥各种频率设计洪水成果表频率(%)0.3323.3510水位(m)53.805

2、2.3051.7751.1750.39流量(m2s)2630021300198001850016300三、文字说明文字表达使用工程专业术语,措辞准确,语言组织严谨,杜绝口语化语句的出现,如:都、要、才、能等词。四、A3图纸绘制说明1、全面正确理解设计思路,合理把握图纸布置格局;2、单页图纸布置应科学合理、视觉美观,给人以一目了然的感觉;3、建议以图框为基准,控制标注尺寸及文字大小,通过图框文字大小反算其他标注尺寸及文字大小,确保每张图纸统一,不建议放大或缩小原图;4、图纸中标准尺寸、文字高度、说明等严格按照规定执行,字体为仿宋GB2312,高宽比为0.75;图中共分5种不同大小的字体,图框字体

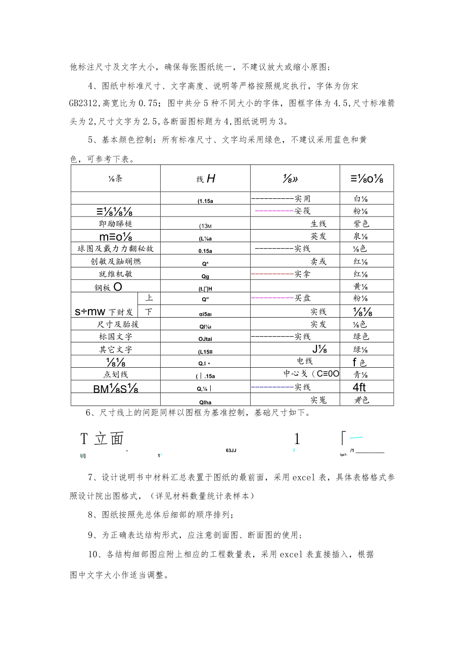
3、为4.5,尺寸标准箭头为2,尺寸文字为2.5,各断面图标题为4,图纸说明为3。5、基本颜色控制:所有标准尺寸、文字均采用绿色,不建议采用蓝色和黄色,可参考下表。条线Ho(1.15a实用白安筏粉即励睇槌(13m生线紫色mo(La英发泉球图及戴力力翻秘故0.15a实线色创敏及鼬斓燃Q*卖或红就维机敏Qg实拿红钢板O(t.H黄smw下财发上Q买盘粉下i5a实线尺寸及胎援Ql实发色标国文字OJtai实线绿色其它文字(L15J绿Q.l电线QASRBD)f色点划线(.15a中心戋(C0O青bmsQ,实线4ftQlha实嵬黄色6、尺寸线上的间距同样以图框为基准控制,基础尺寸如下。T立面1一-63JJf/1Ijl11lz1-7、设计说明书中材料汇总表置于图纸的最前面,采用excel表,具体表格格式参照设计院出图格式,(详见材料数量统计表样本)8、图纸按照先总体后细部的顺序排列;9、为正确表达结构形式,应注意剖面图、断面图的使用;10、各结构细部图应附上相应的工程数量表,采用excel表直接插入,根据图中文字大小作适当调整。

展开阅读全文
相关资源
猜你喜欢
相关搜索

当前位置:首页 > 建筑/环境 > 建筑图纸/图片/标牌

copyright@ 2008-2023 1wenmi网站版权所有

经营许可证编号:宁ICP备2022001189号-1

本站为文档C2C交易模式,即用户上传的文档直接被用户下载,本站只是中间服务平台,本站所有文档下载所得的收益归上传人(含作者)所有。第壹文秘仅提供信息存储空间,仅对用户上传内容的表现方式做保护处理,对上载内容本身不做任何修改或编辑。若文档所含内容侵犯了您的版权或隐私,请立即通知第壹文秘网,我们立即给予删除!