城中村改造配套市政道路工程项目施工图设计--照明工程施工图设计说明.docx

上传人:p** 文档编号:221840 上传时间:2023-04-17 格式:DOCX 页数:16 大小:45.88KB
下载 相关 举报
城中村改造配套市政道路工程项目施工图设计--照明工程施工图设计说明.docx_第1页
第1页 / 共16页
城中村改造配套市政道路工程项目施工图设计--照明工程施工图设计说明.docx_第2页
第2页 / 共16页
城中村改造配套市政道路工程项目施工图设计--照明工程施工图设计说明.docx_第3页
第3页 / 共16页
城中村改造配套市政道路工程项目施工图设计--照明工程施工图设计说明.docx_第4页
第4页 / 共16页
城中村改造配套市政道路工程项目施工图设计--照明工程施工图设计说明.docx_第5页
第5页 / 共16页
城中村改造配套市政道路工程项目施工图设计--照明工程施工图设计说明.docx_第6页
第6页 / 共16页
城中村改造配套市政道路工程项目施工图设计--照明工程施工图设计说明.docx_第7页
第7页 / 共16页
城中村改造配套市政道路工程项目施工图设计--照明工程施工图设计说明.docx_第8页
第8页 / 共16页
城中村改造配套市政道路工程项目施工图设计--照明工程施工图设计说明.docx_第9页
第9页 / 共16页
城中村改造配套市政道路工程项目施工图设计--照明工程施工图设计说明.docx_第10页
第10页 / 共16页
亲,该文档总共16页,到这儿已超出免费预览范围,如果喜欢就下载吧!
资源描述

《城中村改造配套市政道路工程项目施工图设计--照明工程施工图设计说明.docx》由会员分享,可在线阅读,更多相关《城中村改造配套市政道路工程项目施工图设计--照明工程施工图设计说明.docx(16页珍藏版)》请在第壹文秘上搜索。

1、城中村改造配套市政道路工程项目施工图设计照明工程施工图设计说明1设计依据1.1 设计合同及委托书1.2 城市道路工程设计规范CJJ37-2012(2016年版)1.3 城市道路照明设计标准CJJ45-20151.4 低压配电设计规范GB50054-20111.5 2OkV及以下变电所设计规范GB50053-20131.6 供配电系统设计规范GB50052-20091.7 建筑物防雷设计规范GB50057-20101.8 城市道路照明工程施工及验收规程CJJ89-20121.9 电气装置安装工程接地装置施工及验收规范GB50169-20161.10 建筑设计防火规范GB50016-2014(20

2、18年版)1.11 道路照明用LED灯性能要求GBfT24907-20101.12 LED城市道路照明应用技术要求GB/T31832-20151.13 重庆市市政工程施工图设计文件编制技术规定(2017年版)1.14 道路专业提供的道路相关平面图和横断面图2工程概况及设计内容2.1 工程概况水峰片区城中村改造配套市政道路工程含两条道路。道路I全长310m,标准路幅宽度24m=45m(人行道)+15m(车行道)+4.5m(人行道),设计速度30kmh,为城市次干路,双向四车道,采用沥青混凝土路面;道路2全长616m=4m(人行道)+8m(车行道)+4m(人行道),标准路幅宽度16m,设计速度30

3、knVh,为城市支路,双向两车道,采用沥青混凝土路面。2.2 设计内容(1)照明设计范围包括以下内容:1)供配电系统2)照明系统3)接地系统本工程以IOkV电源进户电缆终端头为分界,分界面的用户侧部分供配电设计属本次设计范围,电源侧(包括电缆终端头)部分由业主委托专门单位做电力专项设计,本次仅作立项估算。3供配电系统3.1 负荷等级及供电电压本工程负荷等级为三级用电负荷,各照明回路采用AC380/220V供电,LED单灯在开关电源后采用DC24V供电。3.2 供电电源选择考虑低压供电半径的影响、供配电系统的经济性以及预留用电负荷,本为补充,要求补偿后功率因素CoS20.95。3.6 电能计量本

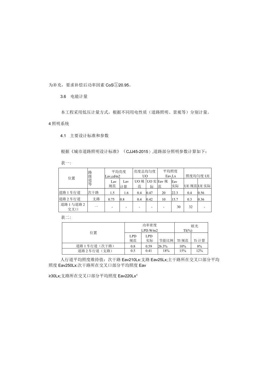
4、工程采用低压计量方式,根据不同用电性质(道路照明、景观等)分别计量。4照明系统4.1 主要设计标准和参数根据城市道路照明设计标准(CJJ45-2015),道路部分照明参数计算如下:表一:位置路级道等平均亮度Lav,cdm2亮度总均匀度UO平均照度Eav,Lx照度均匀度UELav规范Lav计算UO规范UO实际Eav规范Eav实际UE规范UE实际道路1车行道次干路1.51.60.40.472022.30.40.56道路2车行道支路0.750.80.40.421015.70.30.36道路1与道路2交叉口一-3032-表二:位置功率密度LPD.Wm2眩光TI(%)LPD规范LPD实际节能比例TI规范

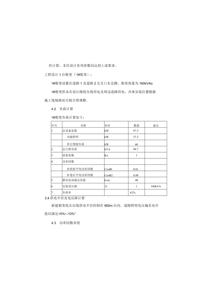
5、Ti计算道路1车行道(次干路)0.80.5926.3%10%8%道路2车行道(支路)0.50.4118%15%12%人行道平均照度维持值:次干路Eav210Lx:支路Eav25Lx;主干路所在交叉口部分平均照度Eav250Lx:次干路所在交叉口部分平均照度Eav30Lx;支路所在交叉口部分平均照度Eav220Lx经计算,本次设计各项参数均达到上述要求。工程设计1台箱变(1#箱变):1#箱变设置在道路1及道路2交叉口东北侧,箱变容量为160kVAo1#箱变供本次设计路段全线用电及周边道路用电,具体安装位置根据施工现场情况可做合理调整。4.2 负荷计算1#箱变负荷计算如下:序号名称单位数量备注1总

6、设备容量kW97.3功能照明kW37.3其它预留负荷kW602总计算负荷kVA99.73需要系数Kx14功率因数补偿前平均功率因数Cosl0.81补卷后平均功率因数Cos20.985静电电容器总容量kvar486安装变压器台1160kVA7负荷率62%3.4供电半径及电压降计算新建箱变低压出线供电半径控制在800m以内,道路照明电压偏差允许值应满足+5%-10%4.3 功率因数补偿本工程道路照明用电主要负荷为LED灯,其自然功率因数较高,故不设单灯无功功率因数补偿,仅在变压器低压侧设置集中电容自动补偿方式同类光源的色品容差小于7SDCMo2)LED灯具在正常工作3(X)()h的光通维持率不应低

7、于96%,6000h的光通维持率不应低于92%o3)道路照明宜采用分体式LED灯具,便于后期检修维护。(5)灯具、灯杆的外观、颜色在满足功能性前提下尽量与环境相协调,可采用具有一定装饰性灯具。4.4照明控制模式及技术要求(1)道路照明要求通过“四遥”控制、时控控制、光控控制等控制手段,实现LED灯定时调光(无级调光)、分组管理、数据采集管理(例如光线、温度、湿度、噪音、用电量)、智能管理、灯具故障检测报警、地理定位等功能。(2)照明控制系统的选择遵循技术先进、实用可靠、成熟稳定、维护方便、造价合理的方针及原则。经综合考虑,本项目路灯照明采用无线通讯路灯照明节能控制技术,要求如下:1)工程采用单

8、灯控制技术,采用集中照明控制器配合单灯控制器实现单灯调光,照明控制采用自动和手动相结合的控制方式,同时安装路灯监控终端(与当地路灯控制系统兼容)并接入城市路灯管理处的四遥控制。2)采用的LED灯具备可调光功能,调光设备集成在LED单灯电路板处,根据当地实际情况设置多个时控段,降低夜间灯具亮度,要求控制器具有100%、70%和50%三档调光,根据时段进行调光,以实现不同车流量和人流量的不同照度要求,达到节能的目的。下半夜调光后次干路平均照度不低于IoLX,支路平均照度不低于8Lx。4.2 照明布置方式(1)本道路仅设计功能照明,道路1采用双臂路灯(l()m+8m)配120W+40WLED光源沿道

9、路双侧人行道对称布置;道路2采用单臂路灯(9m)配90WLED光源沿道路单侧人行道均匀布置;直线标准段灯杆间距约为30m,路灯距路缘石1m;具体路灯布置位置详照明平面图,管线布置位置详大样图。(2)曲线路段(RVlOOOm)、加宽段及路口段适当缩短灯杆间距或增大灯具功率以加强照度。4.3 灯杆、灯具、光源、电器主要参数要求(1)灯杆要求采用热浸锌喷塑防腐,材质为SS400低硅低碳钢(其中SiWO.04%、屈服强度245MPa)或国标优质Q300以上钢。镀锌层厚度不小于65Hmo序号位置灯杆车行道侧灯具高度m人行道侧灯具高度m间距m锥度%0壁厚mm车行道臂长Hl人行道臂长m车行道侧灯具仰角人行道

10、侧灯具仰角1道路29一3012241.5一10一2道路11083012241.51105(2)灯具选择半截光型,防护等级不低于IP65,灯具效率不低于80%,灯具自然功率因数20.9。(3)灯杆使用寿命应不小于20年。(4)光源选择:1)选用LED光源,单灯功率为40W、90W、120W、300W。要求灯具效能NllOLm/W,显色指数Ra70,LED光源色温TCP=400Ok,寿命250000h,4.7 手孔井规格在电缆保护管过街处,其两端均设置600X6(X)双层防盗检查井:其余未设置检查井的灯杆旁均设置一个400X400双层防盗检查井;检查井雨水采用自然渗漏方式,其平面位置以大样图为准,

11、“路灯平面图”中不再标注。箱变出线处及过街后设800800检查井,排水用UPVC50的塑料管接入附近排水系统。所有的电缆接头采用热缩式且必须在检查井内完成,保护管内不得有电缆接头。5照明节能措施(1)选用高光效节能LED光源(灯具效能RlOLm/W),利用其灯具效率高的特点实现节能。灯具采用蝙蝠翼配光曲线或等亮度配光曲线。(2)在满足标准规范对照度、均匀度、眩光、环境比要求的前提下,采用合理选择高度、间距、灯具功率、配光曲线等方式尽量降低单位面积功率密度,以响应国家对节能的宏观要求。(3)通过采用智能控制器,加强路灯电压的控制、路灯开关灯时间的精细管理和分级管理实现节能。(4)采用单灯控制技术

12、,在不降低道路均匀度的前提下,下半夜下调车行道照度,降低运行功率,要求进行控制后下半夜次干路路面平均照度不低于IOLxo(5)应制定维护计划,宜定期进行灯具清扫、光源更换及其他设施的维护。(6)本工程道路1照明功率密度值LPD=O.59Wnf,道路2照明功率密度值LPD=O.41W/m2,均满足规范要求。3)集中照明控制系统有远程单灯控制、系统策略调控、防盗报警、远程参数监控、灯杆倾斜报警、漏电报警、历史数据查询等功能。4)道路照明远程监控系统由上位机管理软件、智能网关、智能单灯控制器组成。智能网关支持4G/5G、WIFkRJ45等方式入网并与监控中心进行通信,终端控制器采用无线射频的方式与智

13、能网关进行通信。5)道路照明开灯和关灯时的天然光照度水平,次干路和支路宜为201o4.5 照明线缆及敷设照明供电干线采用YJV-0.6lkV单芯铜芯交联聚乙烯绝缘聚氯乙烯护套电缆,各灯杆处采用穿刺线夹分线,由供电干线及接地扁钢引上至灯杆顶部灯具的分支线采用BVV-3X2.5的绝缘护套导线。本工程各相线、零线按国家相关规范分别加以区分。4.6 排管规格及敷设深度(1)设计采用PVCllO(双壁波纹管)沿两侧人行道布置;过街采用DFPBlOO/3.0(涂塑钢管,要求耐湿热性2720h、锌层厚度220um、涂层厚度2250Um)。每回路各穿一根管。照明管道内应预留8#细铁丝,便于穿线。电缆保护管不应

14、有孔洞、裂缝和明显的凹凸不平,内壁和管口光滑无毛刺,管内吹扫干净。(2)照明管线在人行道下的管顶埋深20.5m:在车行道及绿化带下的管顶埋深20.7m,排管在过车行道时采用混凝土包封保护。要求人行道下双壁波纹管环刚度28kN:车行道下钢管环刚度212kNf.(3)在埋地管道中,预留1组电缆管道以备交通控制和其它照明穿线用。路口处过街管道尽量与交通管道共沟敷设。1)变压器、配电柜等的金属底座和外壳。2)配电装置的金属构架及靠近带电部位的金属遮拦等。3)电力电缆的金属接线盒和保护管。4)路灯的金属灯杆。5)其他因绝缘破坏可能使其带电的外露导体。63接触电压的控制与保护在每个照明出线回路设置断路器对回路故障予以隔离:在每个单灯回路相线设置剩余电流保护电器对单灯故障予以隔离。6.4 末端短路电流的控制与保护在每个单灯回路相线设置整定值6A的断路器+30mA剩余电流保护开关以实现支线故障保护,在各照明出线回路设置合适的断路器以实现干线末端短路的保护。6.5 电缆分支方式的选择与要求为保证平衡三相负荷,灯具采用Ll、L2、L3三相跳跃接线方式。灯具分支线与供电干线的接线方式采用穿

展开阅读全文
相关资源
猜你喜欢
相关搜索

当前位置:首页 > 建筑/环境 > 市政工程

copyright@ 2008-2023 1wenmi网站版权所有

经营许可证编号:宁ICP备2022001189号-1

本站为文档C2C交易模式,即用户上传的文档直接被用户下载,本站只是中间服务平台,本站所有文档下载所得的收益归上传人(含作者)所有。第壹文秘仅提供信息存储空间,仅对用户上传内容的表现方式做保护处理,对上载内容本身不做任何修改或编辑。若文档所含内容侵犯了您的版权或隐私,请立即通知第壹文秘网,我们立即给予删除!