基础墙砌筑工程.docx

上传人:p** 文档编号:222205 上传时间:2023-04-17 格式:DOCX 页数:4 大小:19.18KB
下载 相关 举报
基础墙砌筑工程.docx_第1页
第1页 / 共4页
基础墙砌筑工程.docx_第2页
第2页 / 共4页
基础墙砌筑工程.docx_第3页
第3页 / 共4页
基础墙砌筑工程.docx_第4页
第4页 / 共4页
亲,该文档总共4页,全部预览完了,如果喜欢就下载吧!
资源描述

《基础墙砌筑工程.docx》由会员分享,可在线阅读,更多相关《基础墙砌筑工程.docx(4页珍藏版)》请在第壹文秘上搜索。

1、一、基础墙砌筑工程(一)作业条件(1)砌筑方案已由相关单位批准通过,已组织施工人员进行了技术、质量、安全和环境的交底。(2)基础:混凝土或灰土地基均已完成,并且办完隐验手续。(3)已放好轴线及边线,立好皮数杆(一般间距1520m,转角处均应设立),并且办完予检手续。(4)根据皮数杆最下面一层砖的标高,拉线检查基础垫层表面标高是否合适,如第一层砖的水平灰缝大于20mm时,应用细石碎找平,不得用砂浆或在砂浆中掺碎砖或细石处理。(5)完成了进场材料的见证取样复试工作,并已确认符合工程要求。(6)常温施工时,砖应提前12d浇水湿润,以水浸入砖表面下1020mm为宜,不得使用干砖和含水率饱和的砖砌筑。(

2、二)工艺流程与操作工艺砖基放线一确定组砌方法一排砖摆底一砌筑一抹防潮层一养护。(1)确定组砌方法1)砖砌体组砌方法应正确,一般采用满丁满条。上下错缝,内外搭接,砖柱不得采用空心砌法。2)里外咬槎,上下层错缝,尺寸严密,采用“三一砌砖法”(即一块砖、一铲灰、一挤揉),严禁用水冲砂浆灌缝的方法。(2)砌筑1)根据抄平设置好的皮数杆,最下面一层砖的底标高拉线检查基础垫层表面标高。如第一层砖的水平灰缝大于20mm时,应先用细石混凝土找平。2)砖基础砌筑前,基础垫层表面应清扫干净,无泥无尘,洒水湿润,根据抄平位置固定设置皮数杆,先盘墙角,每次盘角高度不应超过五层砖,随盘随靠平,吊线板吊直。3)砌筑墙体应

3、挂线施工,240mm墙反手挂线,37Omm以上墙应双面挂线。4)砖砌体的转角处和交接处应同时砌筑,严禁无可靠措施的内外墙分砌施工。对不能同时砌筑而又必须留置的临时间断处应砌成斜槎,斜槎水平投影长度不应小于高度的2/3。5)基础标高不一致或有局部加深部位,应从最低处向上砌筑,应经常拉线检查,保持砌体通顺平直,防止砌成“螺丝”墙。6)各种预留洞口(横向尺寸30Omm或大于30Omm以上),须加设钢筋混凝土过梁(现浇或预留钢筋混凝土过梁)过梁压墙尺寸不得小于120mm,如图要求有较大预留洞口时,钢筋经过梁压墙,需按图纸要求施工。预制钢筋混凝土过梁和现浇过梁强度等级,依照基础圈梁混凝土强度等级。7)安

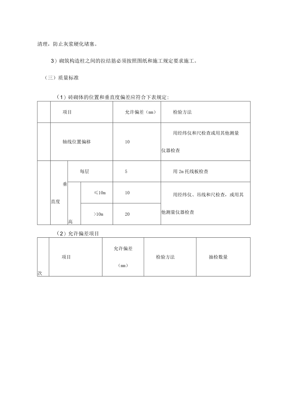
4、装管沟和洞口钢筋混凝土过梁其型号标高必须正确,底灰必须饱满。(3)构造柱旁墙砌筑1)基础墙构造柱:在确定组砌方法后,根据放线轴线,放出满足构造柱规定尺寸后,从两侧构造柱的边线向外延长60mm,为构造柱大马牙。2)根据先退后进构造柱马牙槎的砌筑工法,一般采用三皮砖退、进砌筑方法,每步退、进槎上下应顺直,里外破平行,不应出现里外错槎现象,下部清灰孔应符合要求,应经常清理,防止灰浆硬化堵塞。3)砌筑构造柱之间的拉结筋必须按照图纸和施工规定要求施工。(三)质量标准(1)砖砌体的位置和垂直度偏差应符合下表规定:项目允许偏差(mm)检验方法轴线位置偏移10用经纬仪和尺检查或用其他测量仪器检查垂直度每层5用

5、2m托线板检查高10m10用经纬仪、吊线和尺检查,或用其他测量仪器检查10m20(2)允许偏差项目次项目允许偏差(mm)检验方法抽检数量基础顶面和楼面标高15用水平仪和尺检查不应少于5处表面平整度面8用2m靠尺和楔型塞尺检查有代表性自然间10%,但不应少于3间,每间不应少于2处水平灰缝平直度面10拉IOm线和尺检查有代表性自然间10%,但不应少于3间,每间不应少于2处轴线位置偏移10用经纬仪或拉线和尺检查垂直度5用2m托线板检查(四)成品保护(1)基础砖墙砌完后,未经有关人员复查之前对轴线桩、水平桩应注意保护,不得碰撞。(2)对外露或预埋在基础内的暖卫、电器套管及其它预埋件,应注意保护。(3)抗震构造柱筋应加以固定,不得弯折,踩倒。(4)回填土应两侧同时进行,防止回填时挤歪挤裂。回填土分层夯实。(5)回填土运输时应做好墙体保护,不得墙上推车,损坏墙顶和碰撞墙体。

展开阅读全文
相关资源
猜你喜欢
相关搜索

当前位置:首页 > 建筑/环境 > 施工组织

copyright@ 2008-2023 1wenmi网站版权所有

经营许可证编号:宁ICP备2022001189号-1

本站为文档C2C交易模式,即用户上传的文档直接被用户下载,本站只是中间服务平台,本站所有文档下载所得的收益归上传人(含作者)所有。第壹文秘仅提供信息存储空间,仅对用户上传内容的表现方式做保护处理,对上载内容本身不做任何修改或编辑。若文档所含内容侵犯了您的版权或隐私,请立即通知第壹文秘网,我们立即给予删除!