安装工程常用图形符号.docx

上传人:p** 文档编号:227310 上传时间:2023-04-17 格式:DOCX 页数:18 大小:60.98KB
下载 相关 举报
安装工程常用图形符号.docx_第1页
第1页 / 共18页
安装工程常用图形符号.docx_第2页
第2页 / 共18页
安装工程常用图形符号.docx_第3页
第3页 / 共18页
安装工程常用图形符号.docx_第4页
第4页 / 共18页
安装工程常用图形符号.docx_第5页
第5页 / 共18页
安装工程常用图形符号.docx_第6页
第6页 / 共18页
安装工程常用图形符号.docx_第7页
第7页 / 共18页
安装工程常用图形符号.docx_第8页
第8页 / 共18页
安装工程常用图形符号.docx_第9页
第9页 / 共18页
安装工程常用图形符号.docx_第10页
第10页 / 共18页
亲,该文档总共18页,到这儿已超出免费预览范围,如果喜欢就下载吧!
资源描述

《安装工程常用图形符号.docx》由会员分享,可在线阅读,更多相关《安装工程常用图形符号.docx(18页珍藏版)》请在第壹文秘上搜索。

1、沟通配电线路铝芯导线时为6根铜芯导线时为6根支路编号电缆穿管(钢管、非金属管)爱惜管径规格见具体工程图注中途穿线盒或分线盒做法见-H-B-伸缩缝穿线盒做法见-电缆人孔除注明外,见m电缆手孔y向上配线Z向下配汽,丞宜通过配注管线引向符号引上,引下,由上引来,由下引来,引上并引下,由上引来再引下,由下引来再引上“明胸电缆桥架封闭式母线引向符号线槽引上,引下,由上引来,由下引来,引上并引下,由上引来再引下,由下引来再引上XX避雷线除注明外,见避雷针*-双极带熔断器开关除注明外,均为HKl型单相胶壳闸三极带熔断器开关除注明外,均为HKl型三相胶壳闸*-双极带熔断器开关除注明外,均为HH3或HH4型单相

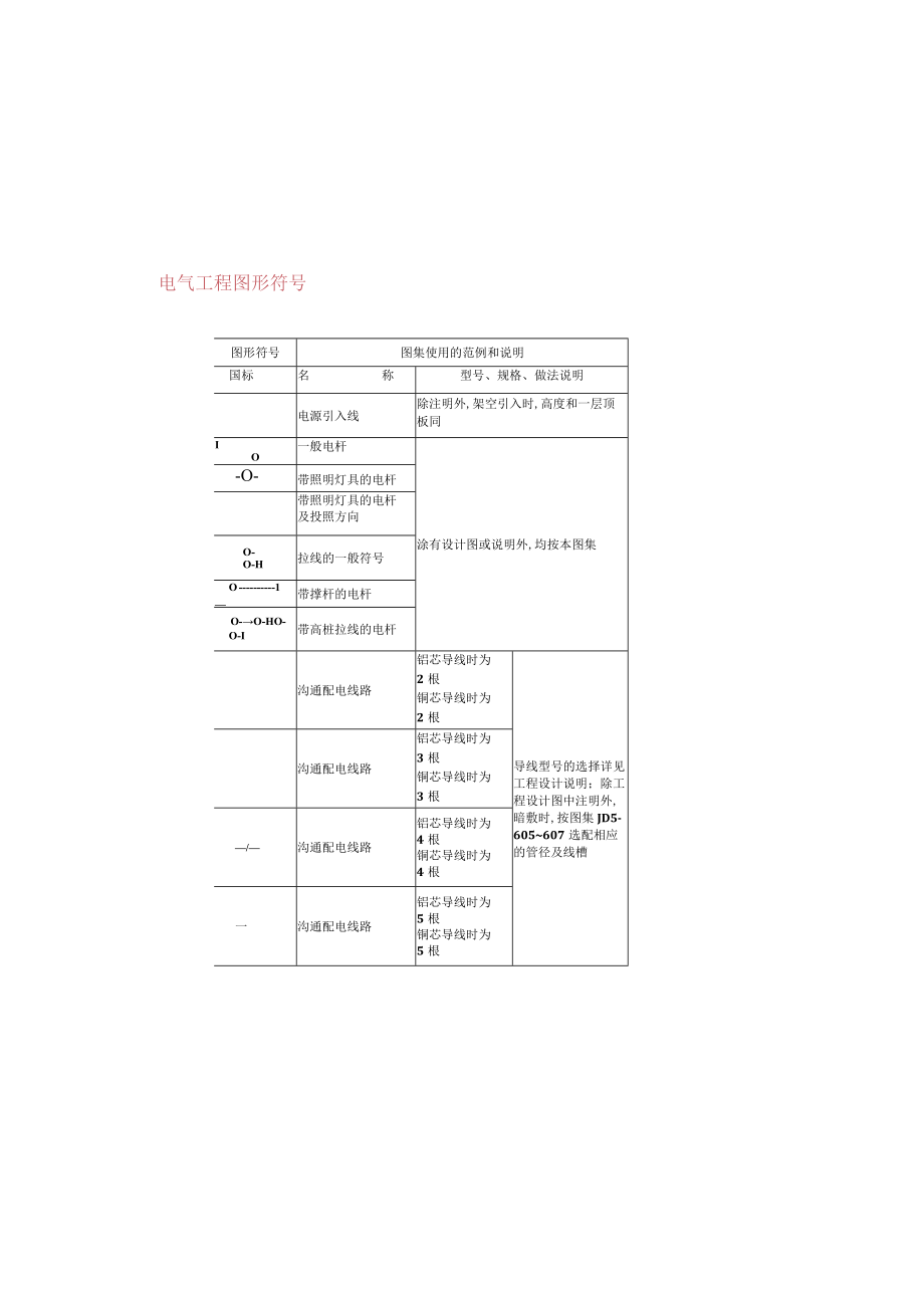
2、铁光开关三极带熔断器开关除注明外,均为HH3或HH4型三相铁壳开关*双极三相转换开关除注明外,均为两电流切换开关+HzzH-三相低压断路器规格、型号详见工程图注电气工程图形符号图形符号图集使用的范例和说明国标名称型号、规格、做法说明电源引入线除注明外,架空引入时,高度和一层顶板同IO一般电杆涂有设计图或说明外,均按本图集-O-带照明灯具的电杆带照明灯具的电杆及投照方向O-O-H拉线的一般符号O1带撑杆的电杆O-O-HO-O-I带高桩拉线的电杆沟通配电线路铝芯导线时为2根铜芯导线时为2根导线型号的选择详见工程设计说明;除工程设计图中注明外,暗敷时,按图集JD5-605607选配相应的管径及线槽沟

3、通配电线路铝芯导线时为3根铜芯导线时为3根/沟通配电线路铝芯导线时为4根铜芯导线时为4根一沟通配电线路铝芯导线时为5根铜芯导线时为5根末端线路,简化标注时,只注明电话对数2对2(20.2)(KRG)203对3(20.2)4对4(20.2)5对5(20.2)一S广播线路除注明外,同电话线路注法,导线穿管见JD50-608-V电视线路除注明外,电缆接受SYY-75-5-1型,穿(KRG)15、FECI5、TCI5,明、暗敷设有设计定设计照度表示100勒克司士o.oco9L.安装或敷设高度(米)自室内该处地面算起60.000安装或敷设高度(米)自室外该处地面算起H消防专用按钮SFAN-I型囚试验室用

4、暗装塑料插销组板安装高度:除注明者外,距地1.2米;装于依墙试验台处,距台面上0.3米固试验室用暗装插销组板安装高度:除注明者外,距地1.2米;装于依墙试验台处,距台面上0.3米试验室插的组板、汨扬号圈内数字:A为分盘号;B为设计选定插销组板或箱的排列方案试验室明装接地端子板右下角数字表示安装接地端子的节数,由设计选定.安装高度:除注明外,距地3米Q试验室暗装接地端子箱结接地接线柱板接受633型100安接线柱组合跌落式熔断雅除注明外,均为RW3-10型户外跌落式熔断器除注明外,均为RW4-10型户外跌落式熔断器S熔断器式隔离开关除注明外,均为HR3型熔断器式隔离开关1图形符号图集使用的范例和说

5、明国标名称型号、规格、做法说明熔断器除注明外,均为RClA瓷插式熔断器指示式电流表、电压表除注明外,为ITl-A型沟通电流表除注明外,为ITl-V型沟通电压表同布功电能表除注明外,均由供电部门备料安装(虚线时为表位)无功电能表除注明外,均由供电部门备料安装(虚线时为表位)a7安培表的换相开关vT伏特表的换相开关日壁龛电话交接箱除注明外,暗装距地0.3米室内电话分线盒除注明外,只做出线口,暗装距地0.3米用扬声器除注明外,距顶板0.5米3广播分线箱()除注明外,暗装距地0.3米电话线路RVB(2O.2)暗装时穿管1对l(202)SCl5、PCl5、TC20、FECI5、相;例:沟通三相带中性线表

6、示如下:3N50赫,380伏N中性线e-一一安装高度(米);f“一安装方式注:1.安装高度:壁灯时,指灯具中心和地距离;吊灯时,为灯具底部和地距离。2.灯具符号内已标注编号者,不再注明型号标注照明变压器规格的格式在电话交接箱上标写的格式标注相序的代号tca一一一次电压(伏);b一一二次电压(伏);C-一一额定容量(伏.安)a编号;b型号;c线序;d-一用户数Ll沟通系统电源第一相;L2沟通系统电源其次相;L3沟通系统电源第三相;U沟通系统设备端第一相;V沟通系统设备端其次相;W沟通系统设备端第三相;N中性线标注线路的代号标写计算用的代号在电话线路上标写的格式在工程平面图中标注的各种符号和代表名

7、称在用电设备或电动机出线口处标写格式在电力或照明设备一般的标注方法在配电线路上的标写格式-a一设备编号;b-额定功率(千瓦);C路途首端熔断片或自动开关释放的电流(安);d标高(米);a-或a-b-ca,t-fd(cf)-ga一设备编号;b-设备型号;C一一设备功率(千瓦);d-导线型号;e导线根数;f-导线截面(军米2);g-导线敷设方式及部位-b(cd)-f末端支路只注编号时为:3回路编号;b-导线型号;c导线根数;d-导线截面;合一一敷设方式及穿管管径;f-敷设部位;交流电比照明灯具的表达格式Um一一沟通系统电源第三相;f-一沟通系统设备端第一相;U-沟通系统设备端其次4.bX2Lkfa

8、一一灯具数;b一一型号或编号;c一一-每盏灯的灯泡数或灯管数;d一一灯泡容量(瓦);L光源种类;表达内容标注代号时照英文代号汉语拼书代号本图集代号沿钢索敷设沿屋架或层架下弦敷设沿柱敷设沿墙敷设沿天棚敷设在能进人的吊顶内敷设暗敷在梁内暗敷在柱内暗敷在屋面内或顶板内暗敷在地面或者地板内暗敷在不能进入人的吊顶内暗敷在墙内SRBECLEWECECEBCCLCCCFCACWCSI.MZMQMPMPNMLAZAPADAPNAQASLMZMQMPMPNMLAZAPADAPNAQA表达照明灯具安装方式标注的文字代号表达内容标注代号对照英文代号汉语拼音代号本图奥代号线吊式CP自由器线吊式CPXX固定线吊式CPl

9、XlXl防水线吊式CP2X2X2吊线器式CP3X3X3链吊式ChLL管吊式PGG吸顶式或直附式SDD嵌入式(嵌入不行进入的顶RRR棚)CRDRDR顶棚内安装(嵌入可进入的顶WRBRBR棚)TTT墙壁内安装SPJJ台上安装WBB(CXd)-Pe-设备容量(千a”一编号;PG-一配电干线;瓦);b-型号;LGMG-PEGLFG-MFG-KZ-电力干线;一照明干线;一配电分干线;-电力分干线;一照明分干线;一限制线(安);Iis计算电流(安);Iz整定电流(安);Kx须要系数;U%电压损失;c-一一导线对数;d-一导线芯径(亳米);e“敷设方式和管径;cos-一功率因素f敷设部位表达线路敷设方式标注

10、的文字代号标注代号对照表达内容英文代号汉语拼音代号本图象代号用轨型护套线敷设用塑制线槽敷设用硬质塑制管敷设用半硬塑制管敷设用可挠型塑制管敷设用薄电线管敷设用厚电线管敷设用水煤气钢管敷设用金属线槽敷设用电缆桥架(或托盘)敷设用瓷夹敷设用塑制夹敷设用蛇皮管敷设用瓷瓶式或瓷柱式绝缘子敷设表达线路助PRPCFECTCSCSRCTPLPCLCPK(设部位标注的XCVGZVGIX;GGCRCJVTCP文字代号GBVVXCVGBYGKRGDGGGGGXC图形符号说明图形符号说明管道:用于一张图内只有一种管道四通连接IJP管道:用汉语拼音字头表示管道类别A流向-导管:用图例表示管道类别,i坡向一交叉管:指管道

11、交叉不连接,在下方和后面的管道应断开E3套管伸缩器I三通连接波形伸缩器_Q_弧形伸缩器管道滑动支架n方形伸缩器保温管也适用于防结露管J.1,防水套管多孔管TTT软管VVV拆除管AAA-O-可挠曲橡胶接头地沟管MZW管道固定支架防护套管士广管道立管H检查口排水明沟T清扫口支架上安装壁装式柱上安装座装CLHMZZHZZH管道工程图形符号泞道及附件I管道的连修I皿I更生器只及水池I收备及仪衣管道及附件阀门图形符号说明图形符号说明OO-阀门用于一张图内只有一种阀门鼠电动阀角阀具液动阀T三通阀气动阀-四通阀减压阀DtO-闸阀旋塞阀X-J-截止阀Y)底阀IXl球倜演消声止回阀隔膜阀S碟阀像温度调整阀1弹簧平安阀由压力调整阀tzi平衡锤平安阀阕电磁阀Q自动排气网M止回阀回浮球阀%气开隔膜阀必气闭隔膜阀4延时自闭冲洗阀脚踏开关排水暗沟个单通气帽-O弯折管表示管道向后弯90VDO?雨水斗弯折管表示管道向前弯90OT排水漏斗Ul存水弯0Y圆形地漏HD&方型地漏_-阀门套筒A甲自动冲洗箱-F挡墩管道的连接图形符号说明图形符号说明I法兰连接山活接头Il)承插连接转动接头C管堵一F-CX

展开阅读全文
相关资源
猜你喜欢
相关搜索

当前位置:首页 > 建筑/环境 > 施工组织

copyright@ 2008-2023 1wenmi网站版权所有

经营许可证编号:宁ICP备2022001189号-1

本站为文档C2C交易模式,即用户上传的文档直接被用户下载,本站只是中间服务平台,本站所有文档下载所得的收益归上传人(含作者)所有。第壹文秘仅提供信息存储空间,仅对用户上传内容的表现方式做保护处理,对上载内容本身不做任何修改或编辑。若文档所含内容侵犯了您的版权或隐私,请立即通知第壹文秘网,我们立即给予删除!