室内采暖系统水压试验及调试质量标准及检验方法.docx

上传人:p** 文档编号:232226 上传时间:2023-04-18 格式:DOCX 页数:1 大小:14.62KB
下载 相关 举报
室内采暖系统水压试验及调试质量标准及检验方法.docx_第1页
第1页 / 共1页
亲,该文档总共1页,全部预览完了,如果喜欢就下载吧!
资源描述

《室内采暖系统水压试验及调试质量标准及检验方法.docx》由会员分享,可在线阅读,更多相关《室内采暖系统水压试验及调试质量标准及检验方法.docx(1页珍藏版)》请在第壹文秘上搜索。

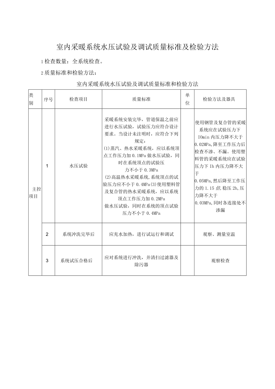
室内采暖系统水压试验及调试质量标准及检验方法1检查数量:全系统检查。2质量标准和检验方法:室内采暖系统水压试验及调试质量标准和检验方法类别序号检查项目质量标准单位检验方法及器具主控项目1水压试验采暖系统安装完毕,管道保温之前应进行水压试验,试验压力应符合设计要求。当设计未注明时,应符合下列规定:(1)蒸汽、热水采暖系统,应以系统顶点工作压力加0.1MPa做水压试验,同时在系统顶点的试验压力不小于0.3MPa(2)高温热水采暖系统,系统顶点的试验压力应不小于0.4MPa(3)使用塑料管及复合管的热水采暖系统,应以系统顶点工作压力加0.2MPa做水压试验,同时在系统的顶点试验压力不小于0.4MPa使用钢管及复合管的采暖系统应在试验压力下IOmin内压力降不大于0.02MPa,降至工作压力后检查不渗、不漏。使用塑料管的采暖系统应在试验压力下Ih内压力降不大于0.05MPa,然后降至工作压力的1.15倍,稳压2h,压力降不大于0.03MPa,同时各连接处不渗漏2系统冲洗完毕后应充水加热,进行试运行和调试观察、测量室温3系统试压合格后应对系统进行冲洗,并清扫过滤器及除污器观察检查

展开阅读全文
相关资源
猜你喜欢
相关搜索

当前位置:首页 > 建筑/环境 > 给排水/暖通与智能化

copyright@ 2008-2023 1wenmi网站版权所有

经营许可证编号:宁ICP备2022001189号-1

本站为文档C2C交易模式,即用户上传的文档直接被用户下载,本站只是中间服务平台,本站所有文档下载所得的收益归上传人(含作者)所有。第壹文秘仅提供信息存储空间,仅对用户上传内容的表现方式做保护处理,对上载内容本身不做任何修改或编辑。若文档所含内容侵犯了您的版权或隐私,请立即通知第壹文秘网,我们立即给予删除!