室内采暖金属辐射板及低温热水地板辐射采暖系统安装质量标准及检验方法.docx

上传人:p** 文档编号:232261 上传时间:2023-04-18 格式:DOCX 页数:2 大小:17.21KB
下载 相关 举报
室内采暖金属辐射板及低温热水地板辐射采暖系统安装质量标准及检验方法.docx_第1页
第1页 / 共2页
室内采暖金属辐射板及低温热水地板辐射采暖系统安装质量标准及检验方法.docx_第2页
第2页 / 共2页
亲,该文档总共2页,全部预览完了,如果喜欢就下载吧!
资源描述

《室内采暖金属辐射板及低温热水地板辐射采暖系统安装质量标准及检验方法.docx》由会员分享,可在线阅读,更多相关《室内采暖金属辐射板及低温热水地板辐射采暖系统安装质量标准及检验方法.docx(2页珍藏版)》请在第壹文秘上搜索。

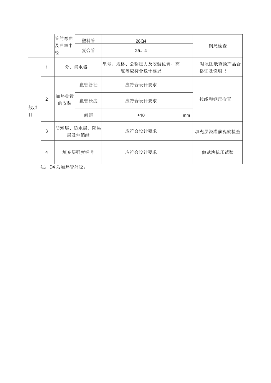
1、室内采暖金属辐射板及低温热水地板辐射采暖系统安装质量标准及检验方法1检查数量:主控项目1)地面下敷设的盘管埋地部分:全数检查。2)盘管水压试验:全数检查。3)辐射板水压试验:全数检查。4)加热盘管:全数检查。一般项目5)分、集水器型号、规格、公称压力及安装位置、高度等:全数检查。2质量标准和检验方法:室内采暖金属辐射板及低温热水地板辐射采暖系统安装质量标准和检验方法类别序检查项目质量标准单位检验方法及器具主控项目1地面下敷设的盘管埋地部分不应有接头隐蔽前现场查看2盘管水压试验盘管隐蔽前的水压试验必须进行水压试验,试验压力为工作压力的1.5倍,但不小于0.6MPa稳压Ih内压力降不大于0.05M

2、Pa,且不渗漏3辐射板水压试验辐射板在安装前应做水压试验,如设计无要求时试验压力应为工作压力的1.5倍,但不得小于0.6MPa试验压力下2min3min压力不降且不渗漏4水平安装辐射坡度水平安装的辐射板应有不小于5%o的坡度坡向回水管水平尺、拉线和钢尺检查5辐射板管道及带状辐射板连接应使用法兰连接观察检查6加热盘弯曲不得出现硬折弯观察检查管的弯曲及曲率半径塑料管28Q4钢尺检查复合管25。4般项目1分、集水器型号、规格、公称压力及安装位置、高度等应符合设计要求对照图纸查验产品合格证及说明书2加热盘管的安装盘管管径应符合设计要求拉线和钢尺检查盘管长度应符合设计要求间距+10mm3防潮层、防水层、隔热层及伸缩缝应符合设计要求填充层浇灌前观察检查4填充层强度标号应符合设计要求做试块抗压试验注:D4为加热管外径。

展开阅读全文
相关资源
猜你喜欢
相关搜索

当前位置:首页 > 建筑/环境 > 给排水/暖通与智能化

copyright@ 2008-2023 1wenmi网站版权所有

经营许可证编号:宁ICP备2022001189号-1

本站为文档C2C交易模式,即用户上传的文档直接被用户下载,本站只是中间服务平台,本站所有文档下载所得的收益归上传人(含作者)所有。第壹文秘仅提供信息存储空间,仅对用户上传内容的表现方式做保护处理,对上载内容本身不做任何修改或编辑。若文档所含内容侵犯了您的版权或隐私,请立即通知第壹文秘网,我们立即给予删除!