小学西侧市政道路及配套工程--交通工程设计说明书.docx

上传人:p** 文档编号:232785 上传时间:2023-04-18 格式:DOCX 页数:11 大小:36.93KB
下载 相关 举报
小学西侧市政道路及配套工程--交通工程设计说明书.docx_第1页
第1页 / 共11页
小学西侧市政道路及配套工程--交通工程设计说明书.docx_第2页
第2页 / 共11页
小学西侧市政道路及配套工程--交通工程设计说明书.docx_第3页
第3页 / 共11页
小学西侧市政道路及配套工程--交通工程设计说明书.docx_第4页
第4页 / 共11页
小学西侧市政道路及配套工程--交通工程设计说明书.docx_第5页
第5页 / 共11页
小学西侧市政道路及配套工程--交通工程设计说明书.docx_第6页
第6页 / 共11页
小学西侧市政道路及配套工程--交通工程设计说明书.docx_第7页
第7页 / 共11页
小学西侧市政道路及配套工程--交通工程设计说明书.docx_第8页
第8页 / 共11页
小学西侧市政道路及配套工程--交通工程设计说明书.docx_第9页
第9页 / 共11页
小学西侧市政道路及配套工程--交通工程设计说明书.docx_第10页
第10页 / 共11页
亲,该文档总共11页,到这儿已超出免费预览范围,如果喜欢就下载吧!
资源描述

《小学西侧市政道路及配套工程--交通工程设计说明书.docx》由会员分享,可在线阅读,更多相关《小学西侧市政道路及配套工程--交通工程设计说明书.docx(11页珍藏版)》请在第壹文秘上搜索。

1、16道路交通信号控制机(GB25280-2016)17广州市地名委员会中英双语标志通名译写规范及广州市市政园林局广州市公共场所英文译名规则及指引的通知市政园林函20061983号18安全防范工程技术规范(GB50348-2018)19广州市质量技术监督局路牌、巷牌(DBJ440100/T158-2012)20电气装置安装工程电缆线路施工及验收规范(GB50168-2018)21电力工程电缆设计规范(GB50217-2018)22公路交通指挥系统建设技术规范(GA/T445-2010)23公路通信技术要求及设备配备(GB/T7262-2009)24道路交通标线质量要求和检测方法(GB/T1631

2、1-2009)25电气装置安装工程_接地装置施工及验收规范(GB50169-2016)26广州市建设工程绿色施工围蔽指导图集C20版)27广州开发区道路车行道标线指引(2017.5)28其它相关的设计规范、规程三、对方案设计评审会专家组意见的执行情况1、建议道路设计速度采用40kmh执行情况:道路线型设计满足40km/h的标准,考虑到本道路为金和小学配套道路,学生较多,标志牌限速宜为30km/h。2、完善道路标志、标线、行人护栏设计。执行情况:按意见修改,详见JT-Cl-2-03交通平面图h四、对初步设计评审会专家组意见的执行情况1、进一步完善道路指路标志设置和信息采集,细化道路交通标志设置。

3、执行情况:按意见修改,详见JTYl-2-03交通平面图讥五、对施工图审查专家意见的执行情况1、进照明灯杆位于人行横道中间不合理,需调整位置。执行情况:按意见修改,详见JT-Sl-2-03交通平面图讥2、人行横道两端的注意行人警告标志需改为人行横道指示标志。执行情况:按意见修改,详见JT-Sl-2-03交通平面图讥3、简化指路标志的目的地信息。执行情况:项目道路名称为暂定,图纸已说明后续施工时需与相关部门核实后方可交通工程设计说明书一、工程概况金和小学西侧市政道路及配套工程位于广州市黄埔区,道路等级为城市支路,起点位于金坑邓屋路附近,终点至广汕公路,道路设计长度约280m,道路宽15m,双向2车

4、道布置,设计速度30kmh,道路全线新建。本工程设计内容包括道路、桥涵、交通、给排水、电力管廊、照明、绿化。施工图文件共六册,划分如下:第册:道路、桥涵及绿化工程慵二册:交通工稿第三册:排水工程第四册:给水工程第五册:照明工程第六册:电力管廊工程本册为第二册:交通工程。交通工程主要包含交通标线设计、交通标志设计、交通管线预埋及交通疏解。图IT项目地理位置图二、主要设计规范与标准1中华人民共和国道路交通安全法2城市道路工程技术规范(GB51286-2018)3城市道路工程设计规范(CJJ37-2012)2016年版4城市道路交叉口设计规程(CJJ152-2010)5城市道路交通设施设计规范(GB

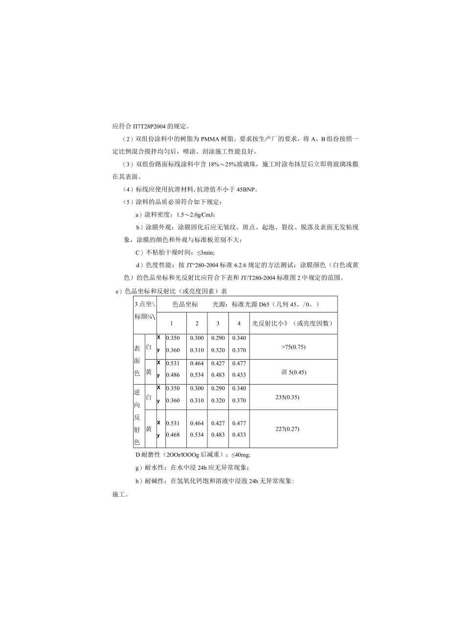
5、50688-2011)6道路交通标志和标线(GB5768-2009)7城市道路交通标志和标线设置规范(GB51038-2015)8广州市道路交通管理设施设计技术指引研究广州市公安局9变形铝及铝合金化学成分(GB/T3190-2008)10一般工业用铝及铝合金板、带材(GB/T3880-2012)11道路交通标志板及支撑件(GB/T23827-2009)12道路交通反光膜(GB/T1833-2012)13路面标线涂料(JT/T280-2004)14道路交通信号灯(GB14887-2011)15道路交通信号灯设置与安装规范(GB14886-2016)应符合7T28P2004的规定。(2)双组份涂料

6、中的树脂为PMMA树脂。要求按生产厂的要求,将A、B组份按照一定比例混合搅拌均匀后,喷涂、刮涂施工性能良好。(3)双组份路面标线涂料中含18%25%玻璃珠,施工时涂布抹层后立即将玻璃珠撒在其表面。(4)标线应使用抗滑材料,抗滑值不小于45BNP。(5)涂料的品质必须符合如下规定:a)涂料密度:1.52.0gCmJ:b)涂膜外观:涂膜固化后应无皱纹、斑点、起泡、裂纹、脱落及表面无发粘现象,涂膜的颜色和外观与标准板差别不大;C)不粘胎干燥时间:3min;d)色度性能:按JT“280-2004标准6.2.6规定的方法测试:涂膜颜色(白色或黄色)的色品坐标和光反射比应符合下表和JT/T280-2004

7、标准图2中规定的范围。e)色品坐标和反射比(或亮度因素)表3点坐标颜色品坐标光源:标准光源D65(几何45。/0。)1234光反射比小(或亮度因数)表面色白Xy0.3500.3600.3000.3100.2900.3200.3400.37075(0.75)黄Xy0.5310.4860.4640.5340.4270.4830.4770.433训5(0.45)逆向反射色白Xy0.3500.3600.3000.3100.2900.3200.3400.370235(0.35)黄Xy0.5310.4680.4640.5340.4270.4830.4770.433227(0.27)D耐磨性(2OOrlOO

8、Og后减重):40mg;g)耐水性:在水中浸24h应无异常现象;h)耐碱性:在氢氧化钙饱和溶液中浸泡24h无异常现象:施工。4、注意行人警告标志的立杆规格可调整采用76执行情况:按意见修改,详见JT-SL2-03交通平面图讥5、路段的管井可采用小井,之间的预埋管数可减少。执行情况:按意见修改,详见JT-Sl-2-03交通平面图。6、补充指路标志的文字尺寸。执行情况:按意见修改,详见JT-Sl-2-05标志版面设计图讥7、补充反光膜的性能要求。执行情况:按意见修改,详见JT-Sl-2-05标志版面设计图。8、设计文件需报交警部门审批。执行情况:图纸已同步送交警部门审批。六、交通工程设计(一)交通

9、标线设计本工程道路标线采用双组份型反光环保涂料涂划,路面标线应符合GB51038-2015.GB5768-2009.JT/280-2004以及其它各项规定。各道路标准划线断面:双向两车道对向车行道之间的分界线采用黄色虚线,用来分隔对向行驶车流,在保证安全情况下,允许车辆短时越线行驶,线段及间距长分别为400cm和600cm,路缘线采取连续白色实线(线宽15cm),停车线距人行横道2m。专有设施、交叉口渠化划线以图为准。交叉口按标准设置各种导向箭头(长3m)、人行横道线(线宽40cm)。1、交通标线设置原则(1)车行道分界线分隔对向交通流,采用黄色虚线,线宽15cm,实线段长400cm,虚线段间

10、隔600cin(2)车行道边缘线,采用白色实线,线宽15cm。(3)人行横道线为白色平行粗实线,线宽40cm,间距60cm。人行横道宽500cm。(4)导向筋头的颜色为白色,箭头高300cm。(5)导流线的颜色为白色,外围线宽20cm,内部线宽45cm,间隔为IOOCn,倾斜角为45。(6)停止线为白色实线,线宽40cm,停止线距人行横道为2m。2、交通标线设计要求(1)所有标线均设置反光交通标线,并采用双组份型标线。路面标线涂料的技术要求所有没有交通信号灯的路口均应采用根据中华人民共和国道路交通安全法第47条,广州市城市道路交通管理设施技术指引、城市道路交通标志和标线设置规范(GB51038

11、-2015)制定礼让斑马线交通设施,设理标准如下:(1)在无信号灯控制人行横道线上游,停止线与人行横道线的距离设置为5米,并在人行横道线与停止线之间增设黄色“礼让行人”(华文楷体)地面标识。(2)在停止线上游20-30米处开始施划纵向减速标线以及距离人行横道线40米、30米处设置2组人行横道预告标识(菱形图案),并在第二组标识上游增设“30m”字样地标。(3)在距离人行横道线30米和10米处增设“注意人行横道”警告标志(采用荧光黄绿的川类反光膜,字样为黑色)以及在30米位置的警告标志增加“前方30米”辅助标志。(4)礼让斑马线反光道钉设置:由停止线起,依次设置反光道钉间隔2米的5组,间隔4米的

12、2组,间隔6米的2组,在道路边缘线对出、道路中央分隔线对出、进出口道中点对出的人行横道线两侧设置黄色反光道钉。(二)交通标志设计根据多杆合一原则,标志牌若附着于照明灯杆,不能遮挡与灯具相关的雨:要信息如灯杆编号等,且保证净空不少于2m。1、材料技术要求(1)标志立柱和横梁凡钢管外径在152mm以下(含152m)的立柱和横梁,采用普通碳素结构钢焊接钢管,应符合GB/T700-2006的要求;凡钢管外径在152mm以上的立柱和横梁,采用一般常用热轧无缝钢管,并符合GB8162-2018.GB8163-2018的规定。标志立柱柱帽和横梁帽采用普通碳素结构钢板,板厚一般采用3mm。表面采用热浸镀锌处理

13、(含底座法兰盘、包箍),镀锌量不少于600gm)(2)标志板、滑动横梁采用符合GB/T3880.2-2012标准的铝合金板材,抗拉强度应不小于265Mpa,屈服点不小于24L2MPa,延伸率不小于4%,并符合GB/T3880.3-2012、GB/T3880.1-2012的相关规定。(3)螺栓高强螺栓,高强连接螺栓(包括相应螺母、垫圈)应采用Q345C,并符合GB1231-2006i)玻璃珠含量:1825%;j)耐候性:经人工加速耐候性试验后,试板图层不允许产生龟裂、剥落;允许轻微粉化和变色,但色品坐标应符合JT/T280-2004标准6.2.6和标准图2规定的范围,亮度因素变化范围不应大于标准

14、板亮度因素的20%。;(6)涂料用下涂剂(底油)的品质应符合如下规定:a)涂料用下涂剂颜色应无透明或琥珀色流体;b)固体含量:305%:C)涂布量:150200gm:d)干燥时间:5min;(7)玻璃珠的品质应符合如下规定:a)容器中玻璃珠状态:粒状或松散团状,清洁无杂质;b)密度(在23C2C的二甲苯中):2.42.6g/cm3;c)粒径:标准筛筛号(目)N=30j,筛余物()=0;N=3050时,A=4090:N=IOO时:d)A=95100:e)外观:无色透明球状,扩大1050倍观察时,熔融团、片状、尖状物、有气泡等瑕庇珠不应超过总量的20%:D玻璃珠的折射率(20lC浸渍法):21.5

15、;g)耐水性:取IOg样品放于IomL蒸僧水中,于沸腾水溶中加热1小时后冷却:玻璃珠表面不应出现模糊状;中和这IOomL水所需0.0IM的盐酸应在IOmL以下。3、施工要求(1)制作标线的热熔涂料、底漆、玻璃珠要经检查合格才能使用。(2)在施工前应先将道路表面上的污物、松散的石子和其它杂质清除。喷涂工作一般在白天进行,施工时的温度不能低于0摄氏度,相对湿度90%以下。(3)涂料本身有保质期,且保存温度不能高于35摄氏度。(4)尽可能采用内混喷涂设备施工,以保证A/B组分反应完全,提高标线强度。(5)涂划期间路面必须干燥,遇水和溶剂降低反应时间和强度,以免降低标线附着力。(6)若发生工作间断,应将设备和喷枪清洗干净,避免堵枪和固化

展开阅读全文
相关资源
猜你喜欢
相关搜索

当前位置:首页 > 建筑/环境 > 市政工程

copyright@ 2008-2023 1wenmi网站版权所有

经营许可证编号:宁ICP备2022001189号-1

本站为文档C2C交易模式,即用户上传的文档直接被用户下载,本站只是中间服务平台,本站所有文档下载所得的收益归上传人(含作者)所有。第壹文秘仅提供信息存储空间,仅对用户上传内容的表现方式做保护处理,对上载内容本身不做任何修改或编辑。若文档所含内容侵犯了您的版权或隐私,请立即通知第壹文秘网,我们立即给予删除!