屋面保温层质量标准及检验方法.docx

上传人:p** 文档编号:232906 上传时间:2023-04-18 格式:DOCX 页数:2 大小:16.57KB
下载 相关 举报
屋面保温层质量标准及检验方法.docx_第1页
第1页 / 共2页
屋面保温层质量标准及检验方法.docx_第2页
第2页 / 共2页
亲,该文档总共2页,全部预览完了,如果喜欢就下载吧!
资源描述

《屋面保温层质量标准及检验方法.docx》由会员分享,可在线阅读,更多相关《屋面保温层质量标准及检验方法.docx(2页珍藏版)》请在第壹文秘上搜索。

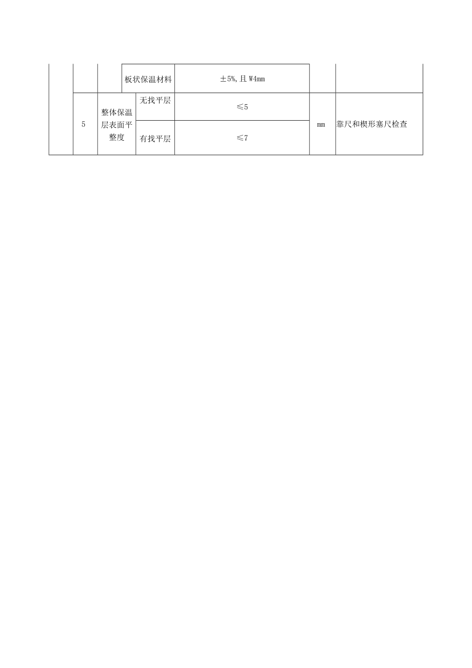
屋面保温层质量标准及检验方法1适用范围:本条适用于松散、板状或整体现浇(喷)保温层。2检查数量:主控项目1)材料:按进场的批次和产品的抽样检验方案确定。一般项目2)平整度、厚度:按保温层面积每100m2抽查1处,每处10m2,并不得少于3处。3)其他一般项目:应全数检查。3质量标准和检验方法:屋面保温层质量标准和检验方法类别序号检查项目质量标准甲位检验方法及器具主控项目1保温材料屋面工程所采用的防水、保温隔热材料应有产品合格证书和性能检测报告,材料的品种、规格、性能等应符合现行国家产品标准和设计要求检查出厂合格证、质量检验报告和现场抽样复验报告2保温层含水率必须符合设计要求检查现场抽样检验报告般项目1保温层的铺设松散保温材料分层铺设,压实适当,表面平整,找坡正确观察检查板状保温材料紧贴(靠)基层,铺平、垫稳,拼缝严密,找坡正确整体现浇保温层拌和均匀,分层铺设,压实适当,表面平整,找坡正确2倒置式屋面保护层采用卵石铺压时,卵石应分布均匀,卵石的质(重)量应符合设计要求观察检查和按堆积密度计算其质量3排汽孔道的留设排汽道应纵横贯通,不得堵塞。排汽管应安装牢固、位置正确、封闭严密观察检查4保温层厚度偏差松散保温材料-5%+10%钢针插入和钢尺检查整体现浇保温层-5%+10%板状保温材料5%,且W4mm5整体保温层表面平整度无找平层5mm靠尺和楔形塞尺检查有找平层7

展开阅读全文
相关资源
猜你喜欢
相关搜索

当前位置:首页 > 建筑/环境 > 保温建筑

copyright@ 2008-2023 1wenmi网站版权所有

经营许可证编号:宁ICP备2022001189号-1

本站为文档C2C交易模式,即用户上传的文档直接被用户下载,本站只是中间服务平台,本站所有文档下载所得的收益归上传人(含作者)所有。第壹文秘仅提供信息存储空间,仅对用户上传内容的表现方式做保护处理,对上载内容本身不做任何修改或编辑。若文档所含内容侵犯了您的版权或隐私,请立即通知第壹文秘网,我们立即给予删除!