广州日立YPVF控制版功能.docx

上传人:p** 文档编号:235669 上传时间:2023-04-18 格式:DOCX 页数:2 大小:46.25KB
下载 相关 举报
广州日立YPVF控制版功能.docx_第1页
第1页 / 共2页
广州日立YPVF控制版功能.docx_第2页
第2页 / 共2页
亲,该文档总共2页,全部预览完了,如果喜欢就下载吧!
资源描述

《广州日立YPVF控制版功能.docx》由会员分享,可在线阅读,更多相关《广州日立YPVF控制版功能.docx(2页珍藏版)》请在第壹文秘上搜索。

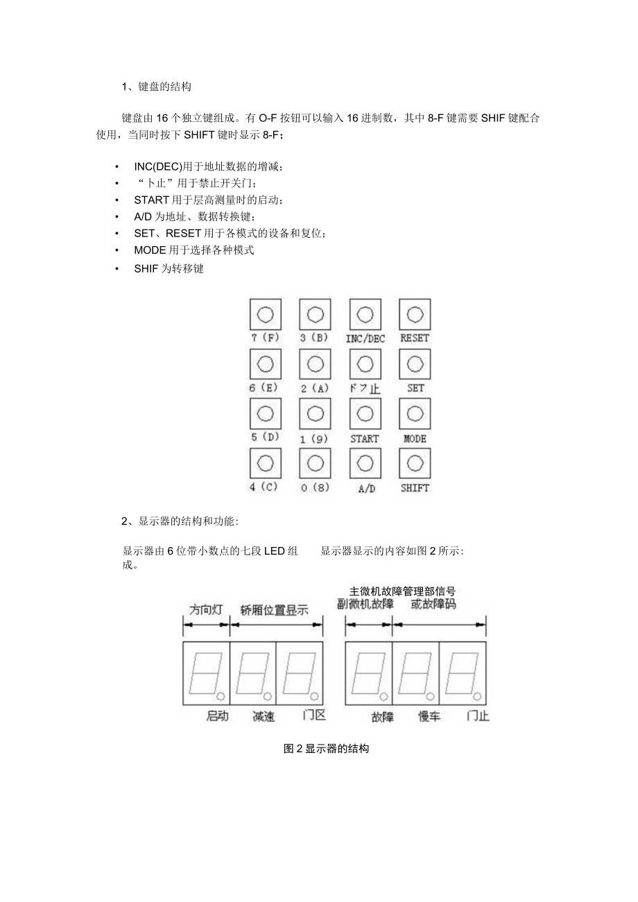
1、键盘的结构键盘由16个独立键组成。有O-F按钮可以输入16进制数,其中8-F键需要SHIF键配合使用,当同时按下SHIFT键时显示8-F; INC(DEC)用于地址数据的增减; “卜止”用于禁止开关门; START用于层高测量时的启动; A/D为地址、数据转换键; SET、RESET用于各模式的设备和复位; MODE用于选择各种模式 SHIF为转移键2、显示器的结构和功能:显示器由6位带小数点的七段LED组成。显示器显示的内容如图2所示:主微机故障管理部信号图2显示器的结构 启动灯:仅在标准情况下启动指令ZIoO接通时点亮; 减速灯:仅在标准情况下电梯减速时点亮; 开门区灯:仅在标准情况下电梯停在开门区内点亮: 故障灯:仅在标准情况下检测到故障时点亮; 慢车灯:仅在标准情况下点亮,以便在机房内区分快车和慢车运行方式:门停止灯:标准情况监控器进行门停止操作时点亮;显示器的LED显示功能说明图:

展开阅读全文
相关资源
猜你喜欢
相关搜索

当前位置:首页 > 行业资料 > 家电行业

copyright@ 2008-2023 1wenmi网站版权所有

经营许可证编号:宁ICP备2022001189号-1

本站为文档C2C交易模式,即用户上传的文档直接被用户下载,本站只是中间服务平台,本站所有文档下载所得的收益归上传人(含作者)所有。第壹文秘仅提供信息存储空间,仅对用户上传内容的表现方式做保护处理,对上载内容本身不做任何修改或编辑。若文档所含内容侵犯了您的版权或隐私,请立即通知第壹文秘网,我们立即给予删除!