批量精装修材料验收及复试要求汇总表.docx

上传人:p** 文档编号:239027 上传时间:2023-04-18 格式:DOCX 页数:5 大小:27.64KB
下载 相关 举报
批量精装修材料验收及复试要求汇总表.docx_第1页
第1页 / 共5页
批量精装修材料验收及复试要求汇总表.docx_第2页
第2页 / 共5页
批量精装修材料验收及复试要求汇总表.docx_第3页
第3页 / 共5页
批量精装修材料验收及复试要求汇总表.docx_第4页
第4页 / 共5页
批量精装修材料验收及复试要求汇总表.docx_第5页
第5页 / 共5页
亲,该文档总共5页,全部预览完了,如果喜欢就下载吧!
资源描述

《批量精装修材料验收及复试要求汇总表.docx》由会员分享,可在线阅读,更多相关《批量精装修材料验收及复试要求汇总表.docx(5页珍藏版)》请在第壹文秘上搜索。

1、批量精装修材料验收及复试要求汇总表类别序号材料名称品牌材料型号规格使用部位生产厂家验收内容是否需复试及复试内容板材木方类1细木工板(柳安芯)外观质量、规格尺寸、产品合格证书、性能检测报告,含水率不大于16%规范规定需复试,使用面积大于500m2同一批次取一组,从现场用于工程的材料随机取样见证送样复试。游离甲醛释放量或游离甲醛含量3普通石膏板外观质量、规格尺寸、产品合格证书、检测报告5防潮石膏板外观质量、规格尺寸、产品合格证书、检测报告11储藏间柜板需复检12卫生间台盆柜柜板13鞋柜等其它家具柜板14木质内门外观质量与封样对比、规格尺寸、产品合格证书、检测报告,对角线长度差小于2mm,翘曲度3m

2、m,表面平整度L52mm0符合需方确认的设计图纸、样板要求、合同规定,安洋复合木门甲醛释放量小于1.5,顺弯2%o,含水率12+1%16橱柜17木地板产外观质量与封样对比、规格尺寸、品合格证书、检测报告,符合需方确认的设计图纸、样板要求、合同规定木地板面层铺设尺寸偏差、含水率、粘结剂、浸渍剥离静曲强度、弹性模量、表面耐磨漆模附着力、表面耐污染、甲醛释放量。合同、规范规定需复试,使用面积大于500m2同一批次取一组18入户门外观质量、规格尺寸、产品合格证书、检测报告,门的表面平整、光滑、漆层良好、颜色符合设计要求、无变形现象、门扇上配安装位置正确,门扇尺寸符合订货要求,与框相匹配把手类型与门扇上

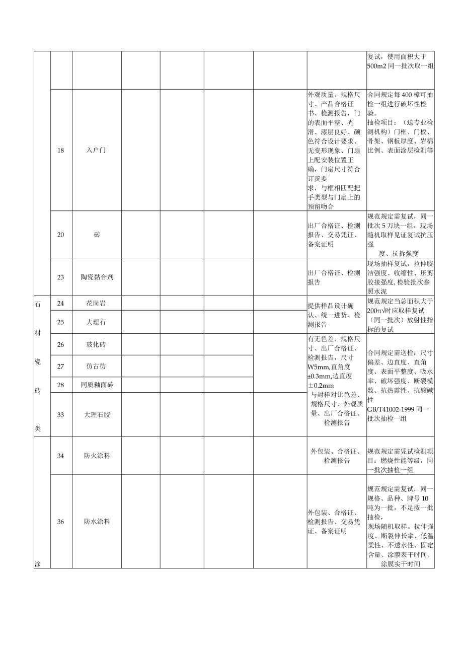
3、的预留吻合合同规定每400樟可抽检一组进行破坏性检验。抽检项目:(送专业检测机构)门框、门板、骨架、钢板厚度、岩棉比例、表面涂层检测等20砖出厂合格证、检测报告、交易凭证、备案证明规范规定需复试,同一批次5万块一组,现场随机取样见证复试抗压强度、抗拆强度23陶瓷黏合剂出厂合格证、检测报告现场抽样复试,拉伸胶洁强度、收缩性、压剪胶接强度,检验批次参照水泥石材瓷砖类24花岗岩提供样品设计确认、统一进货、检测报告规范规定当总面积大于200时应取样复试(同一批次)放射性指标的复试25大理石26玻化砖有无色差、规格尺寸、出厂合格证、检测报告,尺寸W5mm,直角度0.3mm,边直度0.2mm与封样对比色差

4、、规格尺寸、外观质量、出厂合格证、检测报告合同规定需送检:尺寸偏差、边直度、直角度、表面平整度、吸水率、破坏强度、断裂模数、抗热震性、抗酸碱性GB/T41002-1999同一批次抽检一组27仿古彷28同质釉面砖33大理石胶涂34防火涂料外包装、合格证、检测报告规范规定需凭试检测项目:燃烧性能等级,同一批次抽检一组36防水涂料外包装、合格证、检测报告、交易凭证、备案证明规范规定需复试,同一规格、品种、牌号10吨为一批,不足按一批抽检,现场随机取样。拉伸强度、断裂伸长率、低温柔性、不透水性、固定含量、涂膜表干时间、涂膜实干时间料类39各类金属制品油漆金属构件类40轻钢龙骨外观质量、规格尺寸、产品合

5、格证书、检测报告规范规定需复试,按照GB/T11981-2001建筑用轻钢龙墙体竖向龙骨检测,同一批次抽检一组41不锈钢板42吊筋规格、出厂合格证书、检测报告粉料类55腻子合格证书、检测报告56拉法基合格证书、检测报告57石膏粉合格证书、检测报告58防水腻子其它类59发泡剂合格证60隔音棉合格证书、检测报告61无纺布合格证书62墙纸合格证书、检测报告抽检一次,参照建科院检测标准63墙纸胶合格证、设计确定样品抽检一次,参照建科院检测标准64红丹防锈漆合格证书65聚丙烯管材备案证明、检测报告、卫生许可批件、产品合格证、外观质量管径、壁厚、卡尺测量66镀锌钢管合格证、检测报告、外观质量、管径、壁厚、

6、卡尺测量67排水软管合格证、安装说明、外观质量、包装完好、无损伤68浴缸下水合格证、安装说明、外观质量、水暖零件卫生洁具包装完好、无损伤69下水S弯合格证、检测报告、外观质量完好70淋浴龙头合格证、检测报告、外观质量完好71台盆龙头合格证、检测报告、外观质量完好72拖把池龙头合格证、检测报告、外观质量完好73洗衣机龙头合格证、检测报告、外观质量完好74厨房龙头合格证、检测报告、外观质量完好75三角阀合格证、检测报告、外观质量完好76皂掖器合格证、检测报告、外观质量完好77普通地漏合格证、检测报告、外观质量完好78洗衣机地漏合格证、检测报告、外观质量完好79水槽合格证、检测报告、外观质量完好81座厕检验报告、合格证、外观质量完好82座厕检验报告、合格证、外观质量完好83洗脸盆检验报告、合格证、外观质量完好85供水软管检验报告、合格证、外观质量完好电气86电气安装用阻燃PVC塑料平导管备案证明、检测报告、产品合格证、外观质量管径、壁厚、卡尺测量87电线检验报告、合格证、外观质量完好88电话线检验报告、产品合格证、外观质类量、线径、护套层厚度、卡尺测量92筒灯93射灯94吸顶灯95浴霸96开关、插座面板项目可根据自身具体情况进行适当调整

展开阅读全文
相关资源
猜你喜欢
相关搜索

当前位置:首页 > 研究生考试 > 辅导咨询

copyright@ 2008-2023 1wenmi网站版权所有

经营许可证编号:宁ICP备2022001189号-1

本站为文档C2C交易模式,即用户上传的文档直接被用户下载,本站只是中间服务平台,本站所有文档下载所得的收益归上传人(含作者)所有。第壹文秘仅提供信息存储空间,仅对用户上传内容的表现方式做保护处理,对上载内容本身不做任何修改或编辑。若文档所含内容侵犯了您的版权或隐私,请立即通知第壹文秘网,我们立即给予删除!