技术标编制说明.docx

上传人:p** 文档编号:239148 上传时间:2023-04-18 格式:DOCX 页数:3 大小:39.75KB
下载 相关 举报
技术标编制说明.docx_第1页
第1页 / 共3页
技术标编制说明.docx_第2页
第2页 / 共3页
技术标编制说明.docx_第3页
第3页 / 共3页
亲,该文档总共3页,全部预览完了,如果喜欢就下载吧!
资源描述

《技术标编制说明.docx》由会员分享,可在线阅读,更多相关《技术标编制说明.docx(3页珍藏版)》请在第壹文秘上搜索。

1、技术标编制说明本技术标阐明了我公司对本工程的施工组织、总体部署、主要施工方法的原则做法以及质量、安全、工期控制目标和保证措施。我公司如果中标,我们将按我公司技术管理规定,再进行设计交底和图纸会审、在充分理解设计意图的前提下,根据本施工组织设计确定的原则,紧紧围绕工程的特点、强调工程重点、重视工程难点,有的放矢,对症下药。主要从以下六个方面入手进行安排:1、施工组织安排要科学、有深度和针对性:施工场地动态布置;劳动力、施工机械等资源动态配置。坚持最大限度地减少施工对周围环境影响的原则进行施工组织安排。2、资源配置最优化:本工程量大、要求高,要加大投入,确保资源配置充裕。在施工中选择先进、成熟的工

2、艺、投入先进的设备和充足的周转材料及安排有丰富施工经验的人员参加施Io3、以关键工期目标的实现为主线紧抓本工程特点,在总工期和关键工期的要求下,安排各工序施工进度,着重保证关键工期目标的实现。4、技术措施切实可行:施工技术措施及质量保证措施的制定紧紧围绕各关键工序的重点和难点。用先进可靠的工艺措施保证质量目标的实现。5、注重文明施工、强调环境保护制定方案时注重对环保措施的选择,文明施工,维护投资方及我公司形象。一、我单位承建该工程的有利条件(二)诚实守信,服务业主,具备良好的企业信誉公司管理方针视企业信誉为发展的根本,视合同为生命。建立严格的项目协调制度,与分包业主保持畅通的沟通渠道。对年在市

3、场经历的大潮中认真执行合同,对建设过程中出现的问题能用为用户服务的精神与业主协商解决,顾大体,努力营建业主利益的空间。多年的努力与业主建立了良好的关系和友情。公司用户满意调查多年来均处于较高的水平,荣获一致好评。近几年连续被市政府命名为“重合同、守信誉”单位和信用AAA级企业。打下双方合作的最佳基础。(三)系统严密的质量管理体系1、公司在全员工程质量管理中,建立了以公司总工程师、公司质量科为抽查监督,项目工长、质量员为基层检查与控制,施工班组为自检的多层次质量管理体系。形成一个横向从土建、安装、装饰及各分包项目,纵向从总工程师到生产班组的质量管理网络。建立高度灵敏的质量信息反馈系统,以试验、技

4、术管理、质量检查为信息中心,负责收集、传递质量信息,以便决策机构对异常情况做出迅速反应,及时将新的指令传递到执行机构,尽快纠正质量出现的偏差。2、做好“质量第一”的传统教育工作,强化和提高职工整体素质,定期学习规范标准,坚持工序间的三检制度,严格内控质量标准,消除质量通病,确保使用功能。3、按分项和专业制度内控工艺质量标准,用工法进行技术交底,切实做到施工按规范,操作按规程,质量验收按标准。4、认真执行质量手册规定的程序。抓好过程管理的策划和实施、监视。对关键过程重点予以研究分析,分阶段、抓重点,按工序强化质量控制,使施工全过程处于受控状态之中。5、强化质量监督检查工作,做好外部质量监督,内部

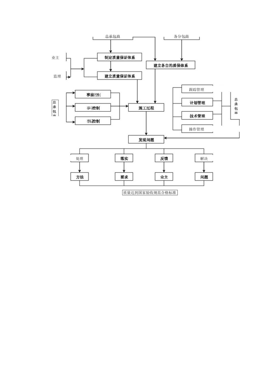
5、质量检查,搞好与监理公司及质量监督站的沟通和配合,认真接受检查指导。上道工序不合格,不得进行下道工序。在施工中质量员发现问题,坚决予以制止,行使质量否决权,质量控制权,停工权,返工权。6、积极采用科学适用的新技术、新工艺、新设备、新材料是我们提高工程质量,加快施工进度的最科学手段。狠抓工程一次成优是我们确保工程质量、降低施工成本,为建设单位节约资金的最佳途径。7、建立项目、业主和监理三方沟通、协调制度,及时了解业主和监理对工程的意见和要求,以及通过以上沟通了解业主的潜在要求及时在适宜的时机解决。二、总承包对工程质量的管理如图:处理业主解决监理跟踪管理操作管理各分包商总承包商总承包商总承包商质量达到国家验收规范合格标准

展开阅读全文
相关资源
猜你喜欢
相关搜索

当前位置:首页 > 建筑/环境 > 工程造价

copyright@ 2008-2023 1wenmi网站版权所有

经营许可证编号:宁ICP备2022001189号-1

本站为文档C2C交易模式,即用户上传的文档直接被用户下载,本站只是中间服务平台,本站所有文档下载所得的收益归上传人(含作者)所有。第壹文秘仅提供信息存储空间,仅对用户上传内容的表现方式做保护处理,对上载内容本身不做任何修改或编辑。若文档所含内容侵犯了您的版权或隐私,请立即通知第壹文秘网,我们立即给予删除!