断路器试验步骤.docx

上传人:p** 文档编号:241347 上传时间:2023-04-18 格式:DOCX 页数:4 大小:54.80KB
下载 相关 举报
断路器试验步骤.docx_第1页
第1页 / 共4页
断路器试验步骤.docx_第2页
第2页 / 共4页
断路器试验步骤.docx_第3页
第3页 / 共4页
断路器试验步骤.docx_第4页
第4页 / 共4页
亲,该文档总共4页,全部预览完了,如果喜欢就下载吧!
资源描述

《断路器试验步骤.docx》由会员分享,可在线阅读,更多相关《断路器试验步骤.docx(4页珍藏版)》请在第壹文秘上搜索。

1、断路器试验步骤2.1.9.1试验步骤(1)测量断路器主回路对地、相间及断口的绝缘电阻:对于IOOOV及以上的采用250OV绝缘电阻表测量,对于1000V以下的采用IOoOV绝缘电阻表测量。整体绝缘电阻参照制造厂规定,断口和用有机物制成的提升杆的绝缘电阻不应低于:额定电压小于24KV为1200MQ,额定电压24-40.5KV为3000MQ。测量断口绝缘时,把断路器进线侧三相和出线侧三相分别短接,进线侧和出线侧任一侧接地或接外壳,将绝缘电阻表的E端子与断路器外壳连接。转动绝缘电阻表到额定转速后(120转/分钟),表针指示到“8”时,将绝缘电阻表的L端子和断路器的导体连接,在整个连续测量的过程中,绝

2、缘电阻表应保持平稳的额定转速,然后读取数值。测量完毕后,在绝缘电阻表仍保持额定转速下断开L线,然后放电。测量整体绝缘时先合上断路器,进线侧或出线侧短接,绝缘电阻表E端子与断路器外壳连接。试验方法同上。以上是手摇式绝缘电阻表的测试方法,对于电动式绝缘电阻表,先选定正确的量程,将电阻表的“+”输出端接地或外壳,“一”输出端接被试绕组,按下测试按钮即可进行测量。(2)测量合闸接触器和分、合闸电磁铁线圈的直流电阻和绝缘电阻:测量直流电阻按照制造厂提供的二次回路图,分别找出合闸接触器和分、合闸电磁铁线圈,用单臂电桥测量,应符合制造厂规定。线圈绝缘电阻采用1000V绝缘电阻表测量,不应小于2MQ,试验方法

3、同6.2.1。对于有整流回路与线圈相连的回路,可不测量直流电阻和绝缘电阻。(3)测量断路器的合闸时间和分闸时间,分、合闸的同期性,合闸弹跳:在额定操作电压下进行。测量仪器为开关测试仪。按图1接好线后,按制造厂提供的控制电压来调节仪器的输出电压,调节好电压后按下开关测试仪面板上的合闸或分闸按钮,此时断路器应动作,记录显示屏上每一相的分、合闸时间、同期、合闸弹跳等数据,并与制造厂标准相比较,有任一项不合格,需查明原因。对于有合闸接触器的,应先测量合闸接触器的时间,然后用合闸时间减去合闸接触器的时间即为实际合闸时间。图1:测量断路器的合闸时间和分闸时间,分、合闸的同期性,合闸弹跳的接线图(4)操动机

4、构合闸接触器和分、合闸电磁铁的最低动作电压试验:操动机构分、合闸电磁铁或合闸接触器端子上的最低动作电压应在操作电压额定值的3O%-65%I,0,在使用电磁机构时,合闸电磁铁线圈通流时的端电压为操作额定值的80%(关合峰值电流等于或大于50KA时为85%)时应可靠动作,如制造厂有要求时按制造厂规定。使用仪器为开关测试仪,也可以用其他整流装置试验。接线如图1。把开关测试仪上的合闸回路与合闸线圈接好,调节电压到80%操作电压额定值,按下合闸按钮,断路器应可靠合上。把分闸线圈接入开关测试仪,调节电压到30%操作电压额定值,按下分闸按钮,断路器不应动作,调节电压到65%操作电压额定值,断路器应可靠分闸。

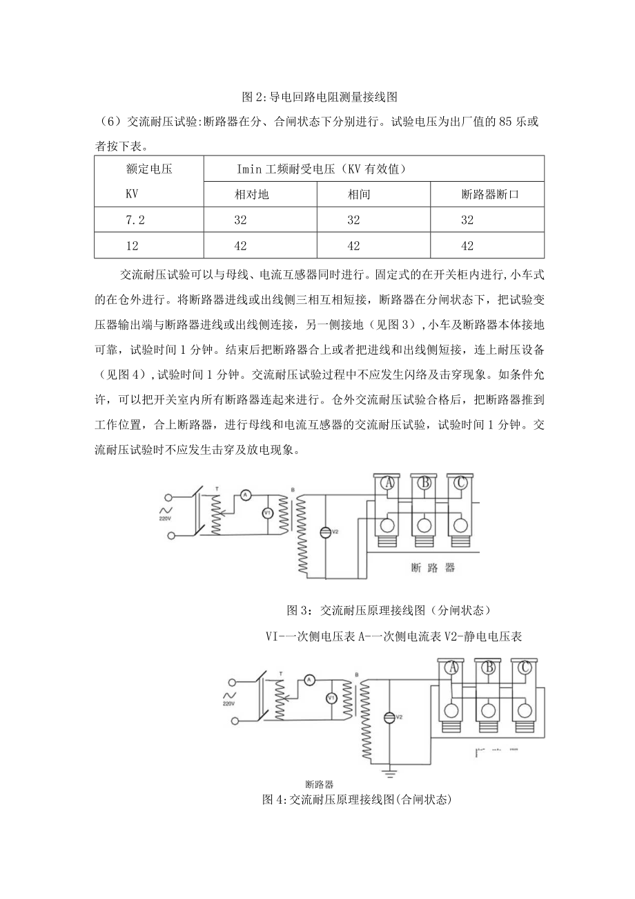
5、测量导电回路电阻:应符合制造厂规定。试验接线见图2(只画出一相)。在合闸状态下测量每一相的导电回路电阻,采用高电流微欧计测量。测量时应注意避免引线和接触方式的影响,应注意电压线要接在断口侧,电流线应接在电压线的外侧,接触应紧密良好,试验电流IOoA。断路器-FFr6006IlViV2I2I显示屏O电源。微欧计图2:导电回路电阻测量接线图(6)交流耐压试验:断路器在分、合闸状态下分别进行。试验电压为出厂值的85乐或者按下表。额定电压KVImin工频耐受电压(KV有效值)相对地相间断路器断口7.232323212424242交流耐压试验可以与母线、电流互感器同时进行。固定式的在开关柜内进行,小车式

6、的在仓外进行。将断路器进线或出线侧三相互相短接,断路器在分闸状态下,把试验变压器输出端与断路器进线或出线侧连接,另一侧接地(见图3),小车及断路器本体接地可靠,试验时间1分钟。结束后把断路器合上或者把进线和出线侧短接,连上耐压设备(见图4),试验时间1分钟。交流耐压试验过程中不应发生闪络及击穿现象。如条件允许,可以把开关室内所有断路器连起来进行。仓外交流耐压试验合格后,把断路器推到工作位置,合上断路器,进行母线和电流互感器的交流耐压试验,试验时间1分钟。交流耐压试验时不应发生击穿及放电现象。图3:交流耐压原理接线图(分闸状态)VI-一次侧电压表A-一次侧电流表V2-静电电压表断路器图4:交流耐压原理接线图(合闸状态)2.1.9.2.安全注意事项(1)交流耐压试验前安装工作完毕,开关柜内清理干净,环境整洁。(2)安排警戒区,悬挂“止步,高压危险”标志牌,设专人监护。(3)仪器与被试设备接地可靠。(4)发现异常后立即停止升压,查明原因。

展开阅读全文
相关资源
猜你喜欢
相关搜索

当前位置:首页 > 建筑/环境 > 电气安装工程

copyright@ 2008-2023 1wenmi网站版权所有

经营许可证编号:宁ICP备2022001189号-1

本站为文档C2C交易模式,即用户上传的文档直接被用户下载,本站只是中间服务平台,本站所有文档下载所得的收益归上传人(含作者)所有。第壹文秘仅提供信息存储空间,仅对用户上传内容的表现方式做保护处理,对上载内容本身不做任何修改或编辑。若文档所含内容侵犯了您的版权或隐私,请立即通知第壹文秘网,我们立即给予删除!