新城道路工程30号路照明设计说明.docx

上传人:p** 文档编号:241456 上传时间:2023-04-18 格式:DOCX 页数:7 大小:28.47KB
下载 相关 举报
新城道路工程30号路照明设计说明.docx_第1页
第1页 / 共7页
新城道路工程30号路照明设计说明.docx_第2页
第2页 / 共7页
新城道路工程30号路照明设计说明.docx_第3页
第3页 / 共7页
新城道路工程30号路照明设计说明.docx_第4页
第4页 / 共7页
新城道路工程30号路照明设计说明.docx_第5页
第5页 / 共7页
新城道路工程30号路照明设计说明.docx_第6页
第6页 / 共7页
新城道路工程30号路照明设计说明.docx_第7页
第7页 / 共7页
亲,该文档总共7页,全部预览完了,如果喜欢就下载吧!
资源描述

《新城道路工程30号路照明设计说明.docx》由会员分享,可在线阅读,更多相关《新城道路工程30号路照明设计说明.docx(7页珍藏版)》请在第壹文秘上搜索。

1、1道路照明设计1.1 项目概况及照明设计范围本工程为彭水县新城道路工程30号路,道路全线为城市主干路,道路红线宽度34m,设计速度30kmh,沥青混凝土路面。本次照明设计范围为:道路K0+000至道路K0+540范围内道路照明设计。设计内容主要包括:灯高,灯型,照明光源,灯具光源点等。1.2 供配电系统本工程用电负荷为三级负荷,本次设计30#路路灯总容量为10.8kW,在30#道路和31#道路交叉路口的绿化带内设置的160KVA箱变,负责全段道路沿路路灯照明的供电,箱变内预留交通信号负荷30KW,景观照明负荷30KW,其他用电负荷30KW。路灯箱内断路器带RCD断路器,漏电电流整定值为IoOm

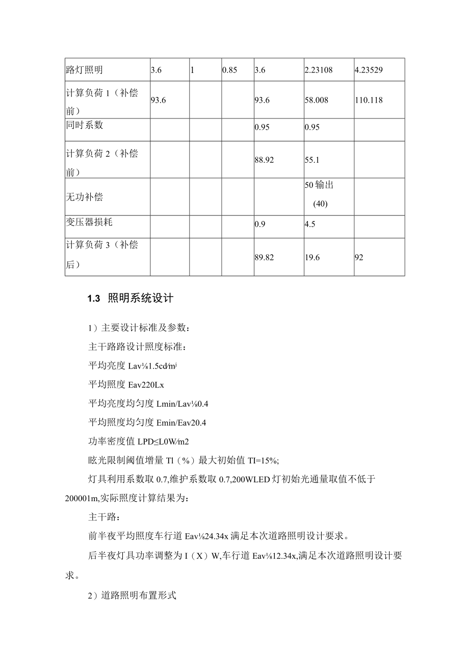
2、A.路灯照明变压器利用率约57.5%,满足变压器经济运行要求。供电电源由道路沿线规划IOKV高压电力网提供,高压电网应能满足箱变容量要求。供电电源由道路沿线规划IOKV高压电力网提供,高压电网应能满足箱变容量要求。本工程照明配电方式采用放射式供电,供电半径小于800米,以满足末端电压要求在10%以内,本工程采用低压侧集中补偿方式,补偿后低压侧功率因数在0.93左右,满足供电质量要求。本工程采用低压侧集中计量方式,满足供电要求。负荷计算:用电设备组名称总功率需要系数功率因数有功功率(kW)无功功率(kvar)视在功率(kVA)交通信号预留3010.853018.592335.2941景观照明预留

3、3010.853018.592335.2941其他负荷预留3010.853018.592335.2941路灯照明3.610.853.62.231084.23529计算负荷1(补偿前)93.693.658.008110.118同时系数0.950.95计算负荷2(补偿前)88.9255.1无功补偿50输出(40)变压器损耗0.94.5计算负荷3(补偿后)89.8219.6921.3 照明系统设计1)主要设计标准及参数:主干路路设计照度标准:平均亮度Lav1.5cdmj平均照度Eav220Lx平均亮度均匀度Lmin/Lav0.4平均照度均匀度Emin/Eav20.4功率密度值LPDL0Wm2眩光限制

4、阈值增量Tl(%)最大初始值TI=15%;灯具利用系数取0.7,维护系数取0.7,200WLED灯初始光通量取值不低于200001m,实际照度计算结果为:主干路:前半夜平均照度车行道Eav24.34x满足本次道路照明设计要求。后半夜灯具功率调整为I(X)W,车行道Eav12.34x,满足本次道路照明设计要求。2)道路照明布置形式本工程道路主要主要采用双侧布置,在交叉口展宽段主要双侧布置。以达到道路照度均匀。3)灯杆,灯具,光源,电器主要参数要求本工程主要采用12m高单臂灯沿道路双侧等间距布置,在交叉口展宽段适当减小布置距离,灯具光源为200WLED光源,灯杆臂长为1.51m,仰角为12+5,灯

5、杆间距35米左右。道路交叉口增大灯具功率;灯杆布置在人行道靠机动车道侧的路缘石边上,距离道路路缘石0.5m。本工程路灯采用密闭式道路照明灯具,光源腔的防护等级不应低于IP54O环境污染严重、维护困难的道路和场所,光源腔的防护等级不应低于IP65o灯具电气腔的防护等级不应低于IP43o灯具的功率因数不应小于0.9;灯具效能不应小于以下要求;LED光源的色温宜为不高于4000K,多雾路段照明不宜使用节能模式,多雾地区应选择色温较低灯具。灯具的功率因数不应小于0.9;灯具效能不应小于以下要求;色温T,(K)T,3000灯具效能限值901mW0色温T,(K),3000T,2500角钢,2.5m长,埋深

6、0.8m。接地电阻要求不大于4欧。具体做法详国标图14D504-17o如接地电阻达不到要求,应增设接地极。金属灯杆及构件、灯具外壳、配电及控制箱等的外露可导电部分均应与保护导体相连接。接地应符合国家现行相关标准的规定。在满足接地电阻要求的情况下,应利用路灯基础钢筋等自然接地体。本工程路灯采用T-T接地形式防止低压中性点电压升高后故障电压蔓延至路灯系统,降低保护的安全性。本工程路灯接线在路灯灯杆内部的接线端子里面进行。接线端子窗口应上锁且密闭。2电力工程设计1 .1电力通道布置彭水县新城道路工程30号路电力通道单侧布置,根据彭水新城管网综合规划和当地相关部门意见,在道路的西侧人行道设置电力通道(

7、电缆排管),电缆通道中心距人行道外侧路沿石边线0.7米。2 .2电力通道方案设计(1)电力电缆主干管群沿道路左侧人行道内敷设(综合管位标准横断面图),电力电缆主干管群材料和规格为12CPVC-160(碎包封)覆土约0.7米,采用碎包封;排管过道路交叉口时采用砂包封后埋于道路结构层下,过路排管为6CPVC-160(碎包封)覆土不小于LO米。(2)电力通道每隔50米左右设一个中型电力电缆井,电缆井做法详见国标电力电缆井设计与安装07SD101-8o(3)电力通道每隔150米左右设置一组电缆支管穿过机动车道至马路对面,电缆支管规格及数量为6C-PVC-160管群(碎包封)。在电缆支管终端设过路电力用

8、户井。(4)沿电力通道纵向全线铺设一根50x5镀锌扁钢做接地干线,并每隔不大于100米做一角钢接地极,要求接地电阻不大于10欧姆,具体做法详国标图集接地装置安装14D504P17o(5)每座电力工作井外侧设一根长2.5米的L50X5镀锌角钢作接地体,其水平连结体采用-50X5镀锌扁钢。安装在电力工作井内的金属构件采用-50X5镀锌扁钢与接地体连接,要求接地电阻不大于10欧姆,具体做法详国标图集UlOkV及以下电缆敷设12D101-5o(6)电缆排管坡降随道路坡降,纵向排水坡度不小于0.3%,以保证管内排水畅通,每个工作井亦设置一积水坑,坑内设置一根。160UPVC排水管就近与雨水井相连。电缆沟

9、底以不小于05%的坡度就近坡向积水坑。排水管管口用钢丝网(不大于10x10mm)封堵。(7)人孔或手孔的井盖采用防响、防跳、防坠落、防位移、防盗井盖。井盖、盖座车行道上采用重型,人行道上采用轻型。检查井井盖、盖座安装要求与路面平整。(8)图中未尽事宜,应参照国家有关施工验收规范执行。12.3其他(1)本次设计电力排管断面及规模均按规划确定,请规划及电力部门复核。(2)图中未尽事宜,应参照国家有关施工验收规范执行。3通信工程设计1. 1通信通道布置彭水县新城道路工程30号路通信通道沿道路布置在道路右侧,通信管群中心距人行道外侧路沿石边线1.2米。3. 2通信通道方案设计根据规划,本次道路通信线路

10、全部下地敷设,电信与广电、移动等通信线路纳入统一规划,共用走廊,减少各种通信走廊管道占用的走廊通道。本次方案通信管沿道路设置12孔(6波+6蜂)通信管道,支管采用6孔(3波+3蜂)排管。具体分配为:12孔:移动2孔、广电2孔,电信4孔,防灾通信线路1孔,预留2孔,联通1孔。6孔:移动2孔、联通1孔、电信2孔、广电1孔。通信排管波纹管及蜂窝管的分配由各通信管线单位确定,请业主协助各管线单位复核。通信排管每隔约80m设置检修人孔。在管束纵向每隔160米左右设一组用户支管,通信支管管材采用3根梅花管3根单孔PVC管共4孔组成。本工程由于通讯主管对向地块为绿化地块,故不设通讯过路管。4. 3通信管道安

11、装要求(1)通信排管埋深(管顶至路面)按0.7米考虑。(2)进入人孔的管道底部距人孔底板面及管道顶部距人孔内上覆顶面(即人孔内上覆面)的净距不得小于0.3m。3.4铺设波纹管的一般规定及要求PVC管规格为(H10X6000mm,管孔排列平、齐,间隔均匀,管间缝隙(指上、下,左、右之间)为20mm,底层塑料管下侧与混凝土基础之间的垫层厚度为20mm。(2)塑料管的接续部位,相邻两管之间应错开300mm。塑料管每隔300Onml用IOmm的钢筋网片固定,钢筋网片从离人孔外侧IOOOnIm处开始安装。(3)铺设塑料管的管底垫层砂浆的饱满程度应不低于95%,两行管之间的缝隙应填充M5水泥砂浆。考虑到人

12、行道上停车的需求,本次设计人行道下通信排管全线采用C20碎全包封。(4)管底两侧抹1:2.5水泥砂浆,要求作到抹严、压实、平整光滑、无欠茬、不空鼓和不漏水。(5)塑料管的铺设方法为:将插口端套上橡胶圈,插入承口端在接续管另一端垫上木板用锤子敲击木板,接头处橡胶圈进入承口即可。3.5蜂窝式PVC直埋管的敷设及要求(1)蜂窝式直埋管和接头在粘合前应用棉纱或干布将承口内侧、插口外侧和管孔擦拭干净,使被粘僵在保持清洁,无尘砂与水迹,当表面沾有油污时,应用丙酮等清洁剂擦净。(2)用油刷蘸胶粘剂,冷刷被粘接插口及接承口内侧时,应轴向涂动,动作迅速,涂刷的胶粘剂应适量,不得漏涂或涂抹过厚,涂刷时,应先涂承口,后涂插口,冬季施工时必须注意。(3)承插口涂刷胶粘剂后,应找正方向,即管材上所印刷的厂名等文字要在同一条直线上,将管子插入承口后使其对直,再加挤压,使其接口固定。(4)若管子发生安装后管材移位,脱出以及管内有异物时,应作返工处理,及时地加以纠正。(5)下管可由人工进行,由地面人员将管材传递给槽底施工

展开阅读全文
相关资源
猜你喜欢
相关搜索

当前位置:首页 > 建筑/环境 > 施工组织

copyright@ 2008-2023 1wenmi网站版权所有

经营许可证编号:宁ICP备2022001189号-1

本站为文档C2C交易模式,即用户上传的文档直接被用户下载,本站只是中间服务平台,本站所有文档下载所得的收益归上传人(含作者)所有。第壹文秘仅提供信息存储空间,仅对用户上传内容的表现方式做保护处理,对上载内容本身不做任何修改或编辑。若文档所含内容侵犯了您的版权或隐私,请立即通知第壹文秘网,我们立即给予删除!