明月二路照明施工图设计说明.docx

上传人:p** 文档编号:242696 上传时间:2023-04-18 格式:DOCX 页数:11 大小:60.58KB
下载 相关 举报
明月二路照明施工图设计说明.docx_第1页
第1页 / 共11页
明月二路照明施工图设计说明.docx_第2页
第2页 / 共11页
明月二路照明施工图设计说明.docx_第3页
第3页 / 共11页
明月二路照明施工图设计说明.docx_第4页
第4页 / 共11页
明月二路照明施工图设计说明.docx_第5页
第5页 / 共11页
明月二路照明施工图设计说明.docx_第6页
第6页 / 共11页
明月二路照明施工图设计说明.docx_第7页
第7页 / 共11页
明月二路照明施工图设计说明.docx_第8页
第8页 / 共11页
明月二路照明施工图设计说明.docx_第9页
第9页 / 共11页
明月二路照明施工图设计说明.docx_第10页
第10页 / 共11页
亲,该文档总共11页,到这儿已超出免费预览范围,如果喜欢就下载吧!
资源描述

《明月二路照明施工图设计说明.docx》由会员分享,可在线阅读,更多相关《明月二路照明施工图设计说明.docx(11页珍藏版)》请在第壹文秘上搜索。

1、一期路网-明月二路照明施工图设计说明1设计依据(I)设计合同及委托书(2)城市道路工程设计规范CJJ37-2012(2016年版)(3)城市道路照明设计标准CJJ45-2015(4) LED城市道路照明应用技术要求GBT31832-2015(5) 低压配电设计规范GB554-20ll(6) 供配电系统设计规范GB50052-2009(7) 2OkV及以下变电所设计规范GB553-2O13(8)建筑物防雷设计规范GB5(K)57-2010(9)电力工程电缆设计标准GB50217-2018(IO)并联电容器装置设计规范GB50227-2017(11)重庆市市政工程施工图设计文件编制技术规定(201

2、7年版)(12)关于协同创新区路网路灯设计的函(2021.11.15)(13)重庆两江新区市政管理局关于统一辖区部分市政设施建设维护标准的通知(渝两江市府发2017394号)(14)道路专业提供的道路相关平面图和横断面图(15)初步设计专家审查意见及概况无2工程概况及设计范围2.1 项目概况本次设计的明月二路为东西走向,西起于人高路交叉口,沿线经过东湖路交叉口,终点位于东7号路交叉口。明月二路为城市支路,标准路幅宽16m,双向2车道,路幅分配为4.25m(人行道)+7.5m(车行道)+4.25m(人行道),设计时速30kmh,实施长度为424.641m。实施范围为KO+O39.436KO+52

3、9.O49,其中K0+266.727-K0+331.699纳入东湖路交叉口设计范围,实施范围长度为424.641m。沥青混凝上路面。路幅分配:4.25m(人行道)+7.5m(车行道)+4.25m(人行道)。2.2 设计范围照明设计范围包括以下内容:(1)供配电系统(2)照明系统(3)防雷接地系统3供配电系统3.1 负荷等级及供电电压设计范围内主要用电负荷为路灯照明,负荷等级为三级:各照明回路采用AC380/220V供电,单灯电压C220V,LED单灯在开关电源后采用DC24V供电。3.2 负荷计算照明设备总容量为2.2kW03.3 供电电源及变压器选择考虑供电线缆电压损失及供电系统经济性,本段

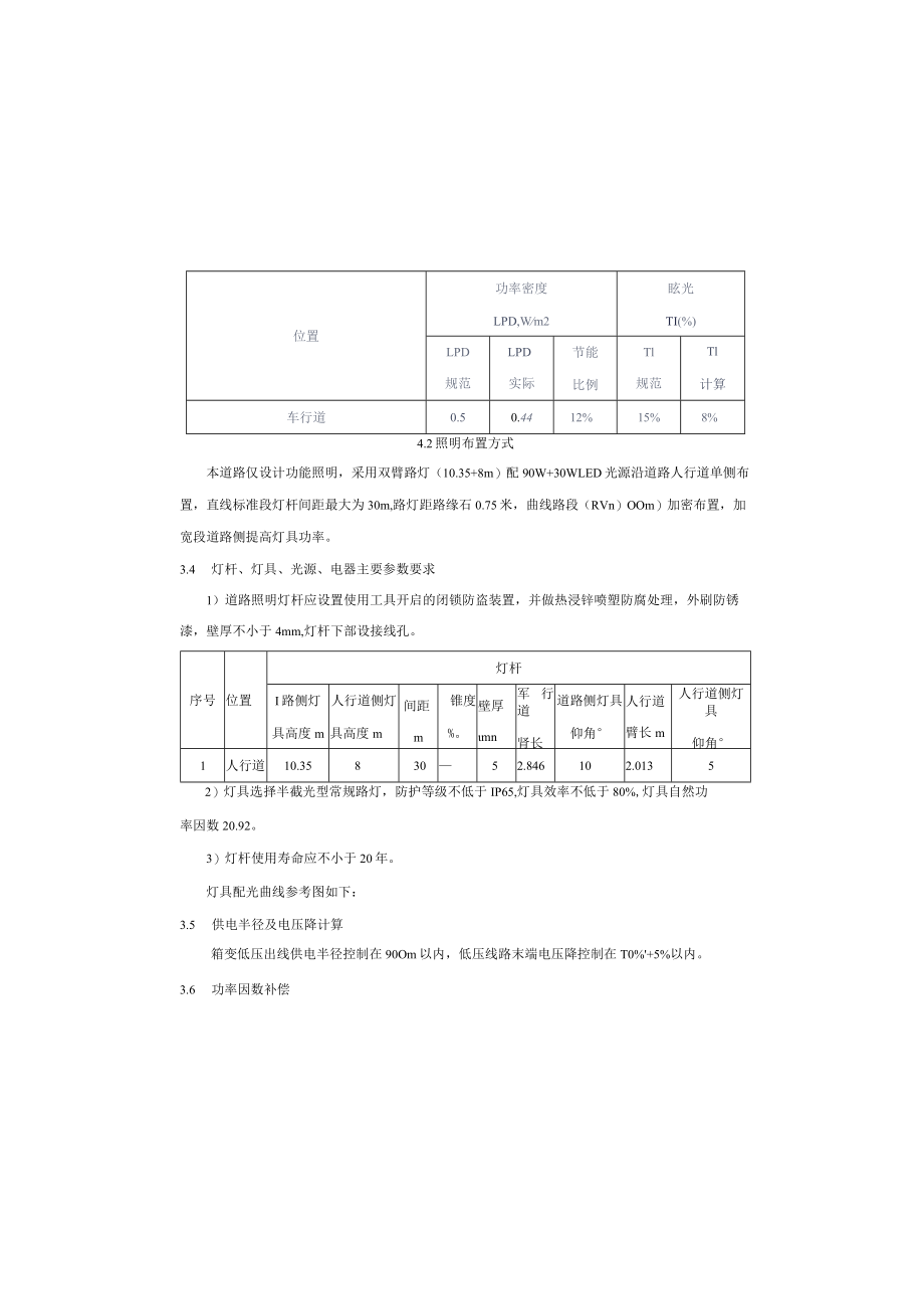
4、道路接入东湖路照明供电回路,电源引自已有箱变一一东湖路1#箱变,该箱变位于东湖路K0+770附近人行道外侧,箱变容量315KVA,具体布置详见供电区位图。位置功率密度LPD,Wm2眩光TI(%)LPD规范LPD实际节能比例Tl规范Tl计算车行道0.50.4412%15%8%4.2照明布置方式本道路仅设计功能照明,采用双臂路灯(10.35+8m)配90W+30WLED光源沿道路人行道单侧布置,直线标准段灯杆间距最大为30m,路灯距路缘石0.75米,曲线路段(RVn)OOm)加密布置,加宽段道路侧提高灯具功率。3.4 灯杆、灯具、光源、电器主要参数要求1)道路照明灯杆应设置使用工具开启的闭锁防盗装

5、置,并做热浸锌喷塑防腐处理,外刷防锈漆,壁厚不小于4mm,灯杆下部设接线孔。序号位置灯杆I路侧灯具高度m人行道侧灯具高度m间距m锥度%。壁厚mn军行道肾长m道路侧灯具仰角人行道臂长m人行道侧灯具仰角1人行道10.3583052.846102.01352)灯具选择半截光型常规路灯,防护等级不低于IP65,灯具效率不低于80%,灯具自然功率因数20.92。3)灯杆使用寿命应不小于20年。灯具配光曲线参考图如下:3.5 供电半径及电压降计算箱变低压出线供电半径控制在90Om以内,低压线路末端电压降控制在T0%+5%以内。3.6 功率因数补偿本工程道路照明用电主要负荷为LED灯,其自然功率因数较高,故

6、不设单灯无功功率因数补偿,仅在变压器低压侧设置集中电容自动补偿方式为补充,要求补偿后功率因素COSNO.9。3.7 电能计量计量方式与东湖路I#箱变保持一致,且由东湖路1#箱变计量。4照明系统4.1主要设计标准和参数根据城市道路照明设计标准(CJJ45-2015),道路部分照明参数计算如下:表一:位置道路等级平均亮度Lav,cdm2亮度总均匀度UO平均照度Eav,Lx照度均匀度UELav规范Lav计算10规范UO计算Eav规范Eav计算UE规范UE计算车行道标准段支路0.751.30.40.651017.10.40.M人行道57.5交汇区一一-交叉口限制眩光值:在驾驶员观看灯具的方位角上,灯具

7、在90和80高度角方向上的光强分别不得超过10cd10001n和30cd10001m交叉口限制眩光值采取的措施:交叉口选用半截光型灯具。表二:照明管线在人行道下的管顶埋深20.5m;在车行道及绿化带下的管顶埋深20.7m,排管在人行道及车行道下采用混凝土包封保护。照明管道内应预留8#细铁丝。要求人行道下碳素螺旋管环刚度N4kN肝。4.7手孔井规格在每处灯杆旁均设置个400X400防盗检查井;检查井雨水采用自然渗漏方式。所有的电缆接头采用热缩式且必须在检查井内完成,保护管内不得有电缆接头。5照明节能措施(1)选用高光效节能LED光源(灯具效能2U0LmW),利用其灯具效率高的特点实现节能。灯具采

8、用蝙蛆翼配光曲线或等亮度配光曲线。(2)在满足标准规范对照度、均匀度、眩光、环境比要求的前提下,采用合理选择高度、间距、灯具功率、配光曲线等方式尽量降低单位面积功率密度,以响应国家对节能的宏观要求。(3)通过采用智能控制器,加强路灯电压的控制、路灯开关灯时间的精细管理和分级管理实现节能。(4)采用单灯控制技术,在不降低道路均匀度的前提下,下半夜下调车行道照度,降低运行功率,要求进行控制后下半夜支路路面平均照度不低于8L0(5)应制定维护计划,宜定期进行灯具清扫、光源更换及其他设施的维护。6安全措施6.1 防雷及过电压保护措施与要求利用金属灯杆作为接闪器和引下线与基础钢筋接地作可靠连接。低压进线

9、总开关处设置电涌保护器,对间接雷电和直接雷电影响或其他瞬时过压的电涌进行保护。6.2 接地型式的选择与要求本工程照明接地采用电源端TN-S接地加路灯系统TT接地。箱变中性点应设置专用独立的接地体,且不应与路灯接地扁钢联接,接地电阻4Q。路灯保护接地采用TT接地,采用40x4热镀锌扁钢接地下线沿路灯配电线路通长埋地敷设,扁钢埋深不小于0.6m;采用力10热镀锌圆4)光源选择:选用LED光源,单灯功率为30W、90W和120队要求灯具效能NUoLm/W,显色指数Ra270,LED光源色温TcpMOOOk,同类光源的色品容差小于7SDCM。LED灯具在正常工作3000h的光通维持率不应低于96%,6

10、000h的光通维持率不应低于92%。道路照明宜采用分体式LED灯具,便于后期检修维护。灯具、灯杆的外观、颜色在满足功能性前提下尽量与环境相协调,可采用具有一定装饰性灯具。4.4 照明控制模式及技术要求D照明控制方式与东湖路1#箱变保持致,且由东湖路I#箱变控制2)道路照明开灯和关灯时的天然光照度水平,支路宜为201Xo4.5 照明线缆及敷设照明供电干线采用YJV-O.6/IkV单芯铜芯交联聚乙烯绝缘聚氯乙烯护套电缆,各灯杆处采用防水绝缘穿刺线夹分线,由供电干线引上至灯杆顶部灯具的分支线采用BVV-3X2.5的绝缘护套导线。本工程各相线、零线按国家相关规范分别加以区分。4.6 排管规格及敷设深度

11、设计采用PElOO(碳素螺旋管)沿人行道布置。电缆保护管不应有孔洞、裂缝和明显的凹凸不平,内壁应光滑无毛剌。要求。要求井座底面支承压强27.5Nran20手孔井盖选用成品复合材料或钢纤维增强混凝土型井盖时,应满足GB/T23858-2009要求:豆合材料井盖井座性能要求详见附录Bo地基应作压实处理,要求基础承载力N120kPa,灯杆基础周围回填土应按道路人行道压实度要求处理,回填土密实度同道路要求。4.7 防盗安全措施与要求设计采用防盗手孔井。手孔井益、户外路灯配电柜,均应设置需使用专用工具开启的闭锁防盗装置和防盗措施。灯杆检修门要求设置合页式防盗绞链,并配用专用钥匙。4.8 其它安全措施本工

12、程所有非碎中钢质材料均需采用热镀锌产品,所有金屈焊接部位均应进行防腐处理。灯杆施工时应避开高压线,保持净距,水平净距和垂直净距应满足城市工程管线综合规划规范GB50289-2016规定。灯杆基础下法兰盘必须水平安装,要求灯杆倾斜度W3%。上下法兰盘采用双螺帽配平垫、弹垫固定。灯杆安装校正后,将螺栓打黄油后用塑料薄膜包扎,浇筑在人行道垫层内。安装完毕后螺栓多余部分应切除,固定螺帽顶外留IOmm即可。7“危大工程”安全提示7.1、 施工单位应按有关规定落实要求,并重点做好以下工作:(1)施工单位应当在危大工程施工前组织工程技术人员编制专项施工方案。(2)专项施工方案应当由施工单位技术负责人审核答字

13、、加盖单位公章,并由总监理工程师审查签字、加盖执业印章后方可实施。(3)对于超过一定规模的危大工程,施工单位应当组织召开专家论证会对专项施工方案进行论证。实行施工总承包的,由施工总承包单位组织召开专家论证会。专家论证前专项施工方案应当通过施工单位审核和总监理工程师审查。钢将灯杆埋地螺栓与热镀锌扁钢可靠焊接,接地扁钢在每间隔三盏灯设垂直接地极做重复接地,接地极采用N50X50X5热镀锌角钢,2.5m长,埋深不小于0.8m,具体做法详国标图集14D504-P17,要求接地电阻4Q。箱变配电系统的路灯配电回路采用三相配电,并应配置IOOinA的剩余电流保护作为路灯配电回路的接地故障保护。电气装置的下

14、列金属部分,均应与接地装置可靠连接。a变压器等的金属底座和外壳与接地装置可靠连接。b配电装置的金屈构架及靠近带电部位的金属遮拦等与接地装置可靠连接。c电力电缆的金属接线盒和保护管与接地装置可靠连接。d其他因绝缘破坏可能使其带电的外露导体。eI类照明灯具的金属外壳。6.3 接触电压的控制与保护在每个单灯回路相线设置30mA的漏电断路器对支线短路故障予以保护:在各照明出线回路设置合适的漏电断路器以实现干线末端短路电流的保护。为提高末端单相接地故障电流,相线与零线等截面配置。6.4 末端短路电流的控制与保护在每个单灯回路相线设置30mA的漏电断路器对支线短路故障予以保护;在各照明出线回路设置合适的漏电断路器以实现干线末端短路电流的保护。6.5 电缆分支方式的选择与要求为保证平衡T相负荷,灯具采用LI、L2、L3三相跳跃接线方式。各相线按国家相关规范分别采用红、黄、绿加以区分,支线零线采用浅蓝色。灯具分支线与供电干线的接线方式采用防水穿刺线夹在手孔井内分线引上方式(或由防水灌胶盒分线,分线后接线盒内灌绝缘胶密封处理)。干线在每根灯杆手孔处应留有0.5m余缆长度,保护管内电缆不得有接头。6.6 结构安全措施与要求路灯手孔井井盖承载能力为B125,井盖试验允许变形位应符合GB/T23858-2009表4相关两江市政令。

展开阅读全文
相关资源
猜你喜欢
相关搜索

当前位置:首页 > 建筑/环境 > 建筑图纸/图片/标牌

copyright@ 2008-2023 1wenmi网站版权所有

经营许可证编号:宁ICP备2022001189号-1

本站为文档C2C交易模式,即用户上传的文档直接被用户下载,本站只是中间服务平台,本站所有文档下载所得的收益归上传人(含作者)所有。第壹文秘仅提供信息存储空间,仅对用户上传内容的表现方式做保护处理,对上载内容本身不做任何修改或编辑。若文档所含内容侵犯了您的版权或隐私,请立即通知第壹文秘网,我们立即给予删除!