普通灯具安装质量标准及检验方法.docx

上传人:p** 文档编号:242859 上传时间:2023-04-18 格式:DOCX 页数:3 大小:18.53KB
下载 相关 举报
普通灯具安装质量标准及检验方法.docx_第1页
第1页 / 共3页
普通灯具安装质量标准及检验方法.docx_第2页
第2页 / 共3页
普通灯具安装质量标准及检验方法.docx_第3页
第3页 / 共3页
亲,该文档总共3页,全部预览完了,如果喜欢就下载吧!
资源描述

《普通灯具安装质量标准及检验方法.docx》由会员分享,可在线阅读,更多相关《普通灯具安装质量标准及检验方法.docx(3页珍藏版)》请在第壹文秘上搜索。

1、普通灯具安装质量标准及检验方法1检查数量:主控项目D第1项、第3项第6项:抽查10%,少于10套时全数检查。2)第2项:全数检查。一般项目3)第1项、第2项、第4项、第7项:抽查10%,少于10套时全数检查。4)第3项、第5项、第6项:全数检查。2质量标准和检验方法:普通灯具安装质量标准和检验方法类别序号检查项目质量标准单位检验方法及器具主控项目1花灯吊钩选用、固定及悬吊装置的过载试验花灯吊钩圆钢直径不应小于灯具挂销直径,且不应小于6mm大型花灯的固定及悬吊装置,应按灯具重力的2倍做过载试验查阅试验记录或试验时旁站2距地面高度小于2.4m的灯具的可靠性裸露导体接地或接零当灯具距地面高度小于2.

2、4m时灯具的可靠性裸露导体必须接地(PE)或接零(PEN)可靠,并应有专用接地螺栓,且有标识观察、钢尺、手扳检查3灯具的固定(1)灯具质量大于3kg时,应固定在螺栓或预埋吊钩上。(2)软线吊灯,灯具质量在0.5kg及以下时,采用软电线自身吊装;大于0.5kg的灯具采用吊链,且软电线编叉在吊链内,使电线不受力。(3)灯具固定牢固、可靠,不使用木楔。每个灯具至少有2个固定用螺钉或螺栓;当绝缘台直径在75mm及以下时,采用1个螺钉或螺栓固定观察检查4钢管吊灯灯杆检查当钢管做灯杆时,钢管内径不应小于10mm,钢管厚度不应小于1.5mm观察、钢尺检查5灯具的绝缘材料及耐火检查固定灯具带电部件的绝缘材料以

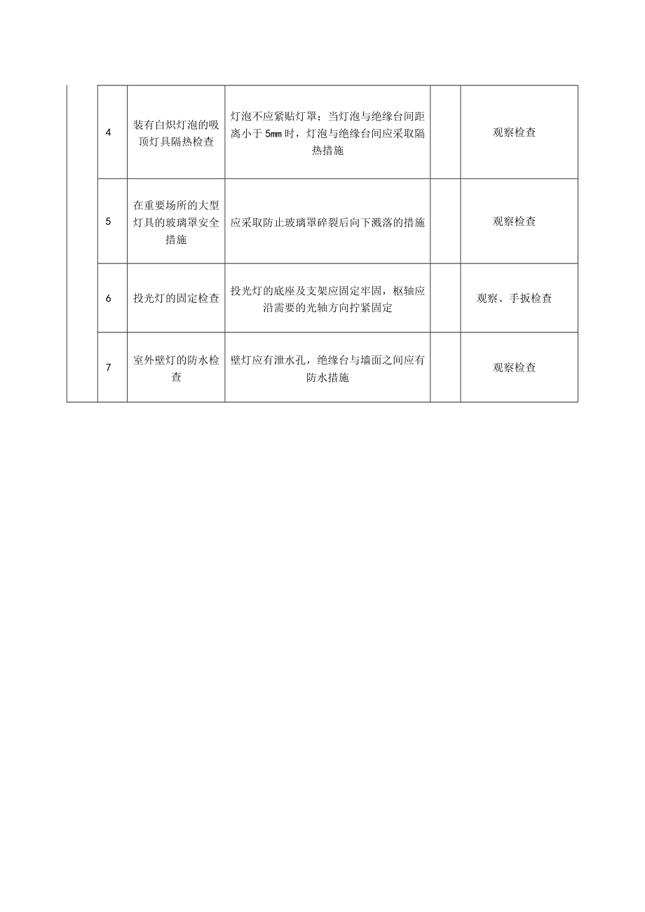
3、及提供防触电保护的绝缘材料应耐燃烧和防明火观察检查6灯具的安装高度和使用电压等级当设计无要求时,灯具的安装高度和使用电压等级应符合下列规定:(1)一般敞开式灯具,灯头对地面距离不小于下列数值(采用安全电压时除外):室外,2.5m(室外墙上安装);厂房,2.5m;室内,2m;软吊线带升降器的灯具在吊线展开后,0.8m。(2)危险性较大及特殊危险场所,当灯具距地面高度小于2.4m时,使用额定电压为36V及以下的照明灯具,或有专用保护措施观察检查1引向每个灯具的导线线芯最小截面积应符合现行标准的规定观察检查2灯具的外形、灯头及其接线(1)灯具及配件齐全,无机械损伤、变形、涂层剥落和灯罩破裂等缺陷。(

4、2)软线吊灯的软线两端做保护扣,两端芯线搪锡;当装升降器时,套塑料软管,采用安全灯头。(3)除敞开式灯具外,其他各类灯具灯泡容量在IOOW及以上者均采用瓷质灯头。(4)连接灯具的软线盘扣、搪锡压线,当采用螺口灯头时,相线接于螺口灯头中间的端子上。(5)灯头的绝缘外壳不破损和漏电;带有开关的灯头,开关手柄无裸露的金属部分观察检查3变电所内灯具的安装位置高低压配电设备及裸母线的正上方不应安装灯具观察检查4装有白炽灯泡的吸顶灯具隔热检查灯泡不应紧贴灯罩;当灯泡与绝缘台间距离小于5mm时,灯泡与绝缘台间应采取隔热措施观察检查5在重要场所的大型灯具的玻璃罩安全措施应采取防止玻璃罩碎裂后向下溅落的措施观察检查6投光灯的固定检查投光灯的底座及支架应固定牢固,枢轴应沿需要的光轴方向拧紧固定观察、手扳检查7室外壁灯的防水检查壁灯应有泄水孔,绝缘台与墙面之间应有防水措施观察检查

展开阅读全文
相关资源
猜你喜欢
相关搜索

当前位置:首页 > 行业资料 > 国内外标准规范

copyright@ 2008-2023 1wenmi网站版权所有

经营许可证编号:宁ICP备2022001189号-1

本站为文档C2C交易模式,即用户上传的文档直接被用户下载,本站只是中间服务平台,本站所有文档下载所得的收益归上传人(含作者)所有。第壹文秘仅提供信息存储空间,仅对用户上传内容的表现方式做保护处理,对上载内容本身不做任何修改或编辑。若文档所含内容侵犯了您的版权或隐私,请立即通知第壹文秘网,我们立即给予删除!