模板安装工程检验批质量验收记录表1.docx

上传人:p** 文档编号:246033 上传时间:2023-04-19 格式:DOCX 页数:1 大小:22.87KB
下载 相关 举报
模板安装工程检验批质量验收记录表1.docx_第1页
第1页 / 共1页
亲,该文档总共1页,全部预览完了,如果喜欢就下载吧!
资源描述

《模板安装工程检验批质量验收记录表1.docx》由会员分享,可在线阅读,更多相关《模板安装工程检验批质量验收记录表1.docx(1页珍藏版)》请在第壹文秘上搜索。

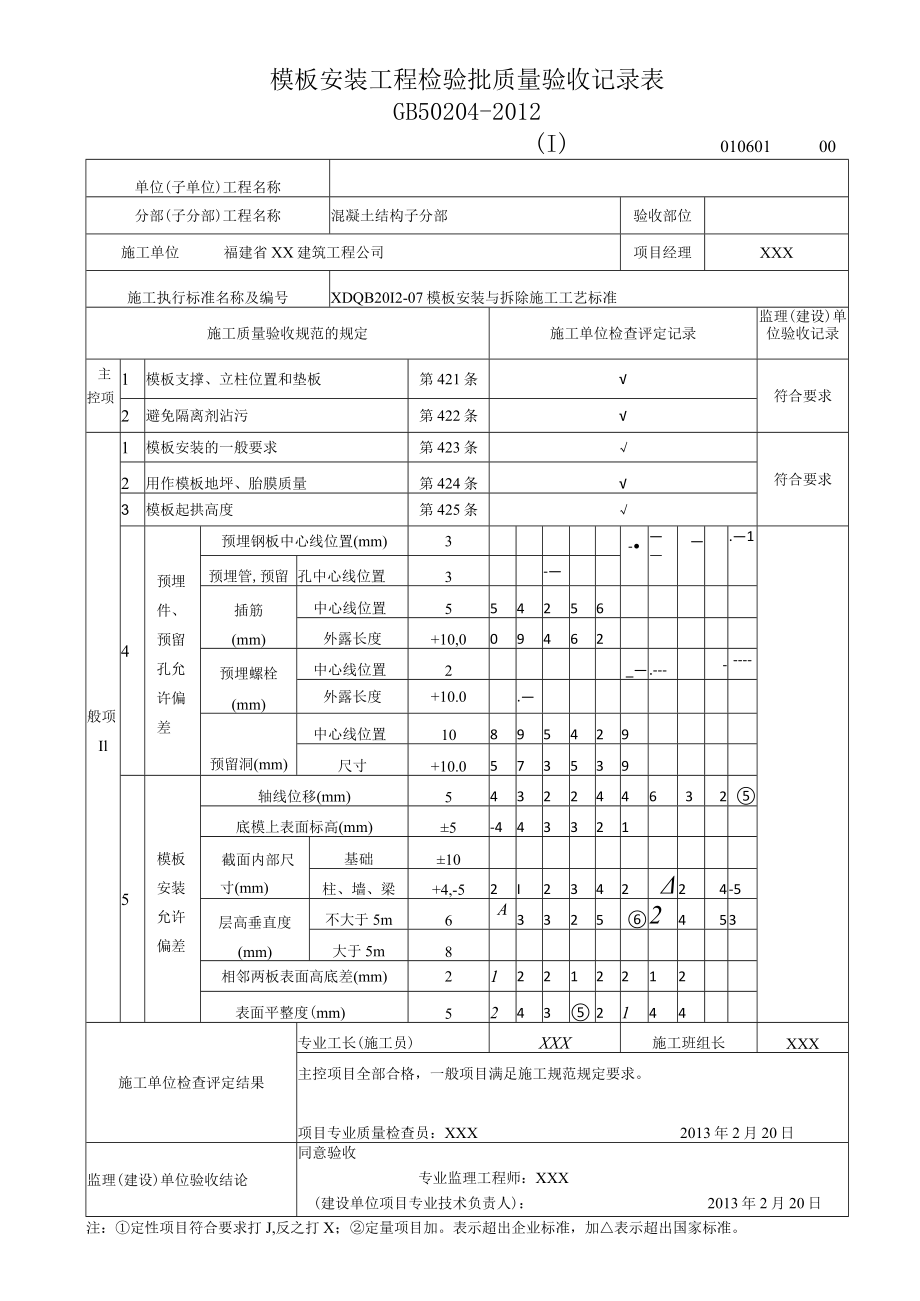
1、模板安装工程检验批质量验收记录表GB50204-2012(I)01060100单位(子单位)工程名称分部(子分部)工程名称混凝土结构子分部验收部位施工单位福建省XX建筑工程公司项目经理XXX施工执行标准名称及编号XDQB20I2-07模板安装与拆除施工工艺标准施工质量验收规范的规定施工单位检查评定记录监理(建设)单位验收记录主控项1模板支撑、立柱位置和垫板第421条符合要求2避免隔离剂沾污第422条般项Il1模板安装的一般要求第423条符合要求2用作模板地坪、胎膜质量第424条3模板起拱高度第425条4预埋件、预留孔允许偏差预埋钢板中心线位置(mm)3-.1预埋管,预留孔中心线位置3-插筋(m

2、m)中心线位置554256外露长度+10,009462预埋螺栓(mm)中心线位置2_.-外露长度+10.0.预留洞(mm)中心线位置10895429尺寸+10.05735395模板安装允许偏差轴线位移(mm)5432244632底模上表面标高(mm)5-443321截面内部尺寸(mm)基础10柱、墙、梁+4,-52I234224-5层高垂直度(mm)不大于5m6A33252453大于5m8相邻两板表面高底差(mm)212212212表面平整度(mm)52432144施工单位检查评定结果专业工长(施工员)XXX施工班组长XXX主控项目全部合格,一般项目满足施工规范规定要求。项目专业质量检查员:XXX2013年2月20日监理(建设)单位验收结论同意验收专业监理工程师:XXX(建设单位项目专业技术负责人):2013年2月20日注:定性项目符合要求打J,反之打X;定量项目加。表示超出企业标准,加表示超出国家标准。

展开阅读全文
相关资源
猜你喜欢
相关搜索

当前位置:首页 > 建筑/环境 > 工程监理

copyright@ 2008-2023 1wenmi网站版权所有

经营许可证编号:宁ICP备2022001189号-1

本站为文档C2C交易模式,即用户上传的文档直接被用户下载,本站只是中间服务平台,本站所有文档下载所得的收益归上传人(含作者)所有。第壹文秘仅提供信息存储空间,仅对用户上传内容的表现方式做保护处理,对上载内容本身不做任何修改或编辑。若文档所含内容侵犯了您的版权或隐私,请立即通知第壹文秘网,我们立即给予删除!