模板拆除检验批质量验收记录.docx

上传人:p** 文档编号:246080 上传时间:2023-04-19 格式:DOCX 页数:1 大小:15.27KB
下载 相关 举报
模板拆除检验批质量验收记录.docx_第1页
第1页 / 共1页
亲,该文档总共1页,全部预览完了,如果喜欢就下载吧!
资源描述

《模板拆除检验批质量验收记录.docx》由会员分享,可在线阅读,更多相关《模板拆除检验批质量验收记录.docx(1页珍藏版)》请在第壹文秘上搜索。

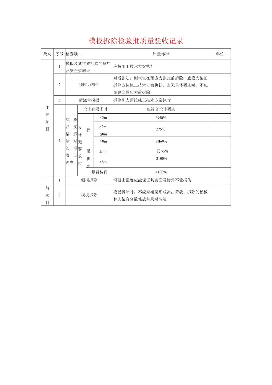
模板拆除检验批质量验收记录类别序号检查项目质量标准单位主控项目1模板及其支架拆除的顺序及安全措施应按施工技术方案执行2预应力构件对后张法,侧模宜在预应力张拉前拆除;底模支架的拆除应按施工技术方案执行,当无具体要求时,不应在建立预应力前拆除3后浇带模板拆除和支顶按施工技术方案执行4底模及支架拆除时的混凝土强度设计有要求时应符合设计要求设计无要求时板2m50%2m,8m275%8mNlo0%梁8m云75%拱光8m2100%悬臂构件100%般项目1侧模拆除混凝土强度应能保证其表面及棱角不受损伤2模板拆除模板拆除时,不应对楼层形成冲击荷载。拆除的模板和支架宜分散堆放并及时清运

展开阅读全文
相关资源
猜你喜欢
相关搜索

当前位置:首页 > 建筑/环境 > 设计及方案

copyright@ 2008-2023 1wenmi网站版权所有

经营许可证编号:宁ICP备2022001189号-1

本站为文档C2C交易模式,即用户上传的文档直接被用户下载,本站只是中间服务平台,本站所有文档下载所得的收益归上传人(含作者)所有。第壹文秘仅提供信息存储空间,仅对用户上传内容的表现方式做保护处理,对上载内容本身不做任何修改或编辑。若文档所含内容侵犯了您的版权或隐私,请立即通知第壹文秘网,我们立即给予删除!