测量放线工高级工操作技能考核试卷2.docx

上传人:p** 文档编号:248042 上传时间:2023-04-19 格式:DOCX 页数:4 大小:45.91KB
下载 相关 举报
测量放线工高级工操作技能考核试卷2.docx_第1页
第1页 / 共4页
测量放线工高级工操作技能考核试卷2.docx_第2页
第2页 / 共4页
测量放线工高级工操作技能考核试卷2.docx_第3页
第3页 / 共4页
测量放线工高级工操作技能考核试卷2.docx_第4页
第4页 / 共4页
亲,该文档总共4页,全部预览完了,如果喜欢就下载吧!
资源描述

《测量放线工高级工操作技能考核试卷2.docx》由会员分享,可在线阅读,更多相关《测量放线工高级工操作技能考核试卷2.docx(4页珍藏版)》请在第壹文秘上搜索。

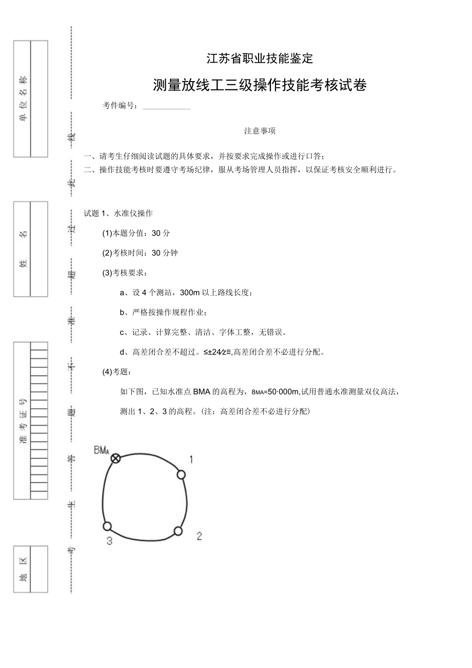
1、江苏省职业技能鉴定测量放线工三级操作技能考核试卷考件编号:注意事项一、请考生仔细阅读试题的具体要求,并按要求完成操作或进行口答;二、操作技能考核时要遵守考场纪律,服从考场管理人员指挥,以保证考核安全顺利进行。试题1、水准仪操作(1)本题分值:30分(2)考核时间:30分钟(3)考核要求:a、设4个测站,300m以上路线长度;b、严格按操作规程作业;c、记录、计算完整、清洁、字体工整,无错误。d、高差闭合差不超过。24z,高差闭合差不必进行分配。(4)考题:如下图,已知水准点BMA的高程为,8ma=50000m,试用普通水准测量双仪高法,测出1、2、3的高程。(注:高差闭合差不必进行分配)水准测

2、量记录表(双仪高法)测站(流水号)点名测序后视读数mni)前视读数(mm)高差(加平均高差(加高程(m)不例Al1次1134ZZ+50.0002次IOllA21次1677-0.543-0.5422次1553-0.54211次ZZ+50.0002次1次2次21次ZZ2次1次2次31次ZZ2次1次2次41次ZZ2次1次检核计算试题2、经纬仪操作(1)本题分值:40分(2)考核时间:25分钟(3)考核要求:a、严格按规范观测程序作业;b、记录、计算完整、清洁、字体工整,无错误。(4)考题已知测站A的高程=4.80m试求A点至1、2水平距离及1、2点的高程。仪器高i=m点视距尺读数视距间隔(m)竖盘读

3、数(。,)竖直角高差(m)水平距离(m)高程号(m)(0z)(m)1上中下2上中下试题3、全站仪操作(1)本题分值:30分(2)考核时间:30分钟(3)考核要求:(3)考核要求:a、严格按操作规程作业,测定待测点坐标;b、记录、计算完整、清洁、字体工整,无错误;;(4)考题如下图,已知测站点A的坐标、BA方位角ba=23。55,36,用测回法测定C、D的坐标。(ABBC、BD距离40m左右)。全站仪测待测点坐标记录表棱镜高度为(V):0仪器高度(i):点名占号X(m)Y(m)Z(m)测站点A45671.25685773.2682.456后视点BA方位角aBA=2355,36”待测点C盘左盘右均值待测点D盘左盘右均值

展开阅读全文
相关资源
猜你喜欢
相关搜索

当前位置:首页 > 建筑/环境 > 测绘

copyright@ 2008-2023 1wenmi网站版权所有

经营许可证编号:宁ICP备2022001189号-1

本站为文档C2C交易模式,即用户上传的文档直接被用户下载,本站只是中间服务平台,本站所有文档下载所得的收益归上传人(含作者)所有。第壹文秘仅提供信息存储空间,仅对用户上传内容的表现方式做保护处理,对上载内容本身不做任何修改或编辑。若文档所含内容侵犯了您的版权或隐私,请立即通知第壹文秘网,我们立即给予删除!