浓缩池混凝土外观及尺寸偏差质量标准及检验方法.docx

上传人:p** 文档编号:248059 上传时间:2023-04-19 格式:DOCX 页数:2 大小:17.24KB
下载 相关 举报
浓缩池混凝土外观及尺寸偏差质量标准及检验方法.docx_第1页
第1页 / 共2页
浓缩池混凝土外观及尺寸偏差质量标准及检验方法.docx_第2页
第2页 / 共2页
亲,该文档总共2页,全部预览完了,如果喜欢就下载吧!
资源描述

《浓缩池混凝土外观及尺寸偏差质量标准及检验方法.docx》由会员分享,可在线阅读,更多相关《浓缩池混凝土外观及尺寸偏差质量标准及检验方法.docx(2页珍藏版)》请在第壹文秘上搜索。

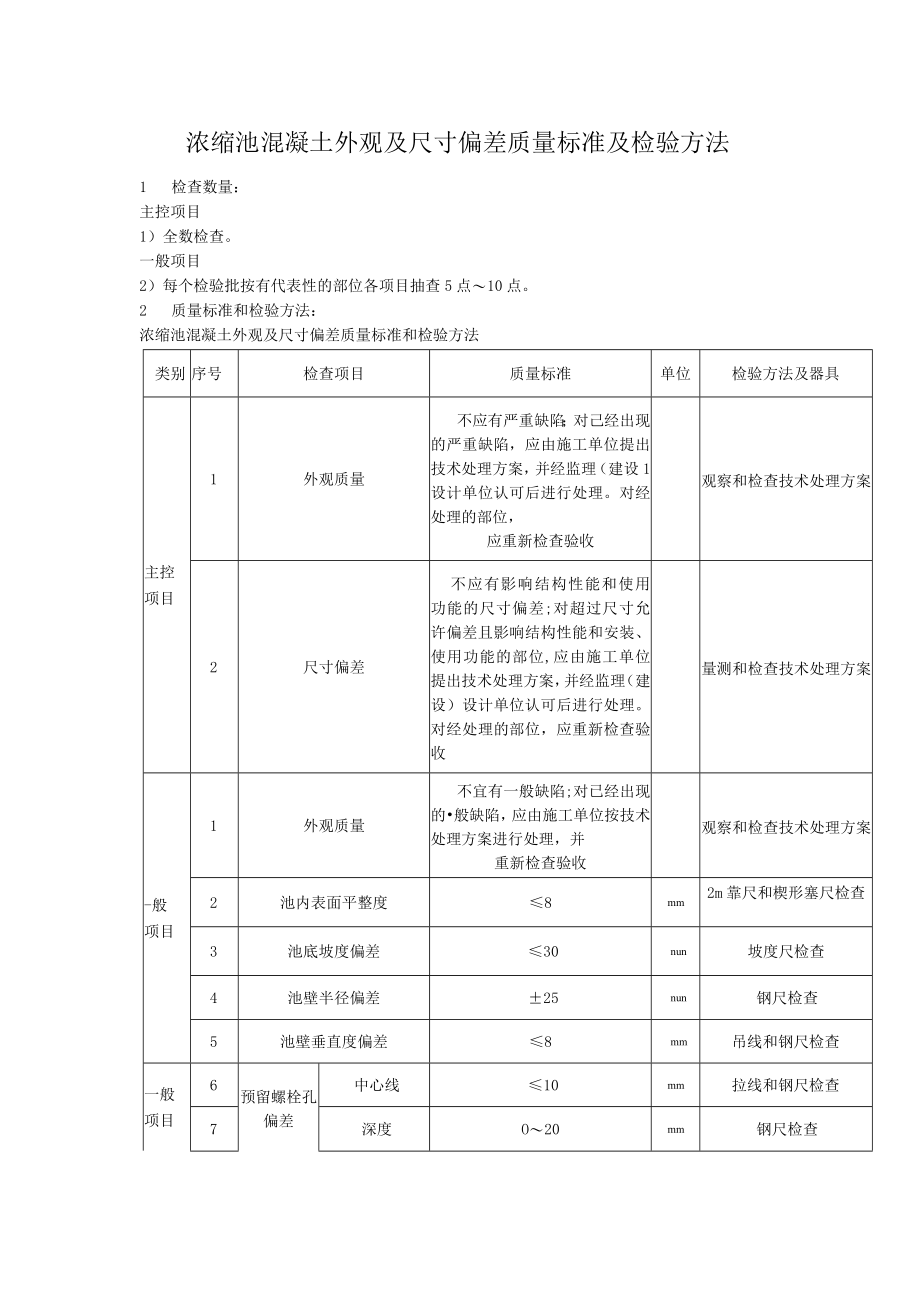
浓缩池混凝土外观及尺寸偏差质量标准及检验方法1 检查数量:主控项目1)全数检查。一般项目2)每个检验批按有代表性的部位各项目抽查5点10点。2 质量标准和检验方法:浓缩池混凝土外观及尺寸偏差质量标准和检验方法类别序号检查项目质量标准单位检验方法及器具主控项目1外观质量不应有严重缺陷;对己经出现的严重缺陷,应由施工单位提出技术处理方案,并经监理(建设1设计单位认可后进行处理。对经处理的部位,应重新检查验收观察和检查技术处理方案2尺寸偏差不应有影响结构性能和使用功能的尺寸偏差;对超过尺寸允许偏差且影响结构性能和安装、使用功能的部位,应由施工单位提出技术处理方案,并经监理(建设)设计单位认可后进行处理。对经处理的部位,应重新检查验收量测和检查技术处理方案-般项目1外观质量不宜有一般缺陷;对已经出现的般缺陷,应由施工单位按技术处理方案进行处理,并重新检查验收观察和检查技术处理方案2池内表面平整度8mm2m靠尺和楔形塞尺检查3池底坡度偏差30nun坡度尺检查4池壁半径偏差25nun钢尺检查5池壁垂直度偏差8mm吊线和钢尺检查一般项目6预留螺栓孔偏差中心线10mm拉线和钢尺检查7深度O20mm钢尺检查8垂直度10mm吊线和钢尺检查9预埋管、预埋件拆模后质量应符合本部分附录B的规定mm按本部分附录B的规定检查

展开阅读全文
相关资源
猜你喜欢
相关搜索

当前位置:首页 > 建筑/环境 > 建材标准

copyright@ 2008-2023 1wenmi网站版权所有

经营许可证编号:宁ICP备2022001189号-1

本站为文档C2C交易模式,即用户上传的文档直接被用户下载,本站只是中间服务平台,本站所有文档下载所得的收益归上传人(含作者)所有。第壹文秘仅提供信息存储空间,仅对用户上传内容的表现方式做保护处理,对上载内容本身不做任何修改或编辑。若文档所含内容侵犯了您的版权或隐私,请立即通知第壹文秘网,我们立即给予删除!