混凝土结构外观及尺寸偏差检验批质量验收记录.docx

上传人:p** 文档编号:249014 上传时间:2023-04-19 格式:DOCX 页数:1 大小:15.25KB
下载 相关 举报
混凝土结构外观及尺寸偏差检验批质量验收记录.docx_第1页
第1页 / 共1页
亲,该文档总共1页,全部预览完了,如果喜欢就下载吧!
资源描述

《混凝土结构外观及尺寸偏差检验批质量验收记录.docx》由会员分享,可在线阅读,更多相关《混凝土结构外观及尺寸偏差检验批质量验收记录.docx(1页珍藏版)》请在第壹文秘上搜索。

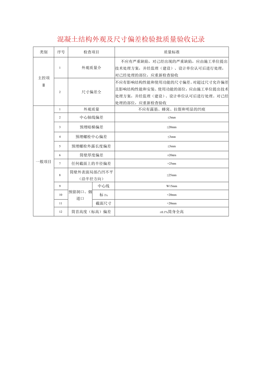
混凝土结构外观及尺寸偏差检验批质量验收记录类别序号检查项目质量标准主控项Il1外观质量介不应有严重缺陷。对己经出现的严重缺陷,应由施工单位提出技术处理方案,并经监理(建设)、设计单位认可后进行处理,对已经处理的部位,应重新检查验收2尺寸偏差仝不应有影响结构性能和使用功能的尺寸偏差。对超过尺寸允许偏差且影响结构性能和安装、使用功能的部位,应由施工单位提出技术处理方案,并经监理(建设)、设计单位认可后进行处理。对已经处理的部位,应重新检查验收一般项目1外观质量不应有露筋、蜂窝、拉裂和明显的凹痕2中心轴线偏差3un3预埋暗梯偏差20mm4预埋螺栓中心偏差3nn5预埋螺栓外露长度偏差3mm6筒壁厚度偏差20rn7任何截面上的半径偏差+25m8筒壁外表面局部凸凹不平(沿半径方向)25mm9预留洞口、烟道口中心线W15mm10标l+20mm11截面尺寸+20mm12筒首高度(标高)偏差0.1%筒身全高

展开阅读全文
相关资源
猜你喜欢
相关搜索

当前位置:首页 > 建筑/环境 > 建筑规范

copyright@ 2008-2023 1wenmi网站版权所有

经营许可证编号:宁ICP备2022001189号-1

本站为文档C2C交易模式,即用户上传的文档直接被用户下载,本站只是中间服务平台,本站所有文档下载所得的收益归上传人(含作者)所有。第壹文秘仅提供信息存储空间,仅对用户上传内容的表现方式做保护处理,对上载内容本身不做任何修改或编辑。若文档所含内容侵犯了您的版权或隐私,请立即通知第壹文秘网,我们立即给予删除!