人工挖孔桩施工记录.docx

上传人:p** 文档编号:251610 上传时间:2023-04-19 格式:DOCX 页数:2 大小:31.66KB
下载 相关 举报
人工挖孔桩施工记录.docx_第1页
第1页 / 共2页
人工挖孔桩施工记录.docx_第2页
第2页 / 共2页
亲,该文档总共2页,全部预览完了,如果喜欢就下载吧!
资源描述

《人工挖孔桩施工记录.docx》由会员分享,可在线阅读,更多相关《人工挖孔桩施工记录.docx(2页珍藏版)》请在第壹文秘上搜索。

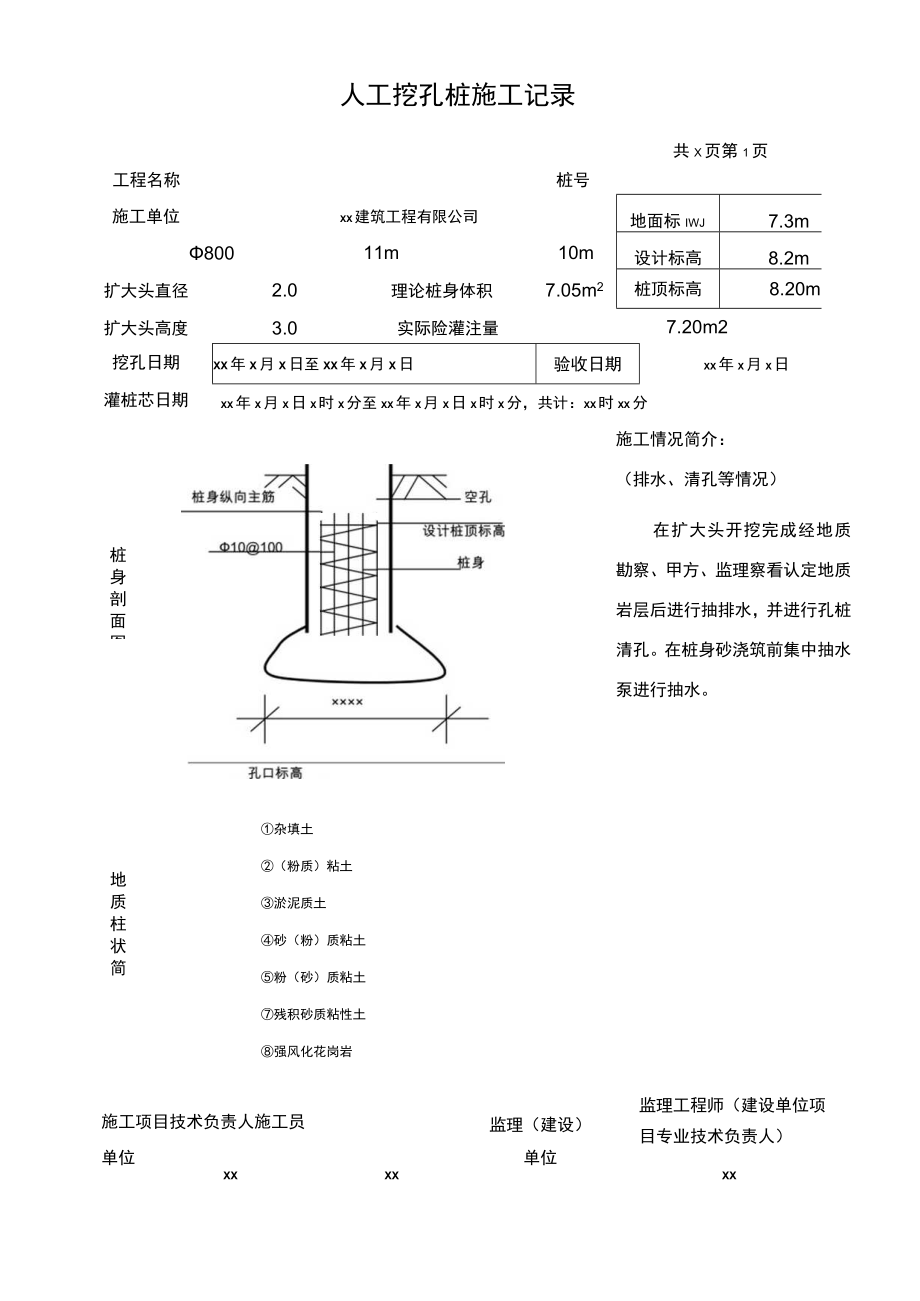
人工挖孔桩施工记录共X页第1页工程名称桩号施工单位XX建筑工程有限公司80011m扩大头直径2.0理论桩身体积地面标IWJ7.3m设计标高8.2m桩顶标高8.20m10m7.05m2扩大头高度3.0实际险灌注量7.20m2挖孔日期XX年X月X日至XX年X月X日验收日期XX年X月X日灌桩芯日期XX年X月X日X时X分至XX年X月X日X时X分,共计:XX时XX分桩身剖面图杂填土施工情况简介:(排水、清孔等情况)在扩大头开挖完成经地质勘察、甲方、监理察看认定地质岩层后进行抽排水,并进行孔桩清孔。在桩身砂浇筑前集中抽水泵进行抽水。地质柱状简图(粉质)粘土淤泥质土砂(粉)质粘土粉(砂)质粘土残积砂质粘性土强风化花岗岩施工项目技术负责人施工员单位监理(建设)单位监理工程师(建设单位项目专业技术负责人)XXXXXX

展开阅读全文
相关资源
猜你喜欢
相关搜索

当前位置:首页 > 建筑/环境 > 施工组织

copyright@ 2008-2023 1wenmi网站版权所有

经营许可证编号:宁ICP备2022001189号-1

本站为文档C2C交易模式,即用户上传的文档直接被用户下载,本站只是中间服务平台,本站所有文档下载所得的收益归上传人(含作者)所有。第壹文秘仅提供信息存储空间,仅对用户上传内容的表现方式做保护处理,对上载内容本身不做任何修改或编辑。若文档所含内容侵犯了您的版权或隐私,请立即通知第壹文秘网,我们立即给予删除!