某市建设工程档案编制.docx

上传人:p** 文档编号:254498 上传时间:2023-04-19 格式:DOCX 页数:79 大小:264.22KB
下载 相关 举报
某市建设工程档案编制.docx_第1页
第1页 / 共79页
某市建设工程档案编制.docx_第2页
第2页 / 共79页
某市建设工程档案编制.docx_第3页
第3页 / 共79页
某市建设工程档案编制.docx_第4页
第4页 / 共79页
某市建设工程档案编制.docx_第5页
第5页 / 共79页
某市建设工程档案编制.docx_第6页
第6页 / 共79页
某市建设工程档案编制.docx_第7页
第7页 / 共79页
某市建设工程档案编制.docx_第8页
第8页 / 共79页
某市建设工程档案编制.docx_第9页
第9页 / 共79页
某市建设工程档案编制.docx_第10页
第10页 / 共79页
亲,该文档总共79页,到这儿已超出免费预览范围,如果喜欢就下载吧!
资源描述

《某市建设工程档案编制.docx》由会员分享,可在线阅读,更多相关《某市建设工程档案编制.docx(79页珍藏版)》请在第壹文秘上搜索。

1、某市建设工程档案编制(试行)前言为了贯彻国务院第279号令建设工程质量管理条例、建设部第78号令房屋建筑工程与市政基础设施工程竣工验收备案管理暂行办法与广州市房屋建筑工程与市政基础设施工程竣工验收备案管理实施办法(试行)(穗建筑200261号文),加强对建设工程质量的管理,同时,为了习惯我国建筑现行的规范标准,进一步加强对建筑工程施工技术文件的规范化管理,统一与完善全市各建设工程单位对工程档案的整理归档要求,根据建设部颁发的国家标准建筑工程施工质量验收统一标准(GB50300-2001)与建设工程文件归档整理规范(GB/T503282001),并结合我市目前建设工程的实际情况、有关的意见与建议

2、,特别是与广州地区建设工程质量安全监督站共同进行了讨论,制定本指南。本指南要紧内容包含:建设工程文件的整理、建设工程档案的预验收与建设工程档案的移交三部分。本指南包含了建筑工程、市政工程与管线工程档案三大部分的标准化卷内目录,包含了工程准备阶段文件、施工文件、竣工验收文件的具体内容、其中监理文件归档的具体内容参见建设工程文件归档理规范(GB/T50328-2001),该部分内容不需移交我馆,此外施工文件立卷方法与过去有较大变动,由按单位工程立卷改为按分部工程立卷,竣工图章也有新规定。请各单位在执行过程中,随时将有关意见与建议反馈给我们,以便完善。本指南主编单位、主编部门、参编部门与要紧编写人员

3、:主编单位:广州市城市建设档案馆主编部门:业务指导科参编部门:管线管理科、档案管理科、档案管理二科、声像档案科主编:邙启桓副主编:蔡艳红编写人员:王玲玲、郑向阳、吴璟、袁桂亮、黄维青、杜星、仇雁广州市城市建筑档案馆联系地址:吉祥路80号广州市城市建设档案馆联系电话:业务指导科:83333461管线管理科:83192504第一部分建设工程文件的整理1一、建设工程文件的归档范围1二、建设工程文件归档的质量要求1三、建设工程文件的立卷11 .立卷的原则与方法22 .卷内文件的排列23 .案卷的规格34 .案卷的编目35 .案卷装订46 .案卷的装盒4四、建设工程文件归档的时间、套数要求4第二部分建设

4、工程文件的预验收5第三部分建设工程档案的移交5附录AI广州市建筑工程档案移交内容一览表(附卷内目录)7录录录录录录录录录录录录件,一IJ,一、J ,一、,一、1 JJL、J ,一IJ,一、J/J.、J 1/J.、I/-1、Y/J.、媪,IM- rJIJ JIJlrJ1.7J I/J IJ 7J 7J7JA2广州市市政工程档案移交内容一览表(附卷内目录)44A3广州市管线工程档案移交内容一览表(附卷内目录)57B卷内目录样式64C卷内备考表样式65D案卷封面样式66E案卷脊背样式67Fl建筑工程及档案概况表68F2市政基础设施工程及档案概况表69F3城市管线工程及档案概况表(通用表)71G城建档

5、案移交书样式72H案卷目录样式73I城建档案移交目录封面样式74广州市建设工程档案预验收规定(穗建档200215号)75广州市建设工程文件的整理及档案移交规定为加强建设工程档案的收集、整理工作,统一建设工程档案的验收标准,保证建设工程档案完整、准确、及时地归档与移交,实现工程档案管理的规范化、标准化,根据建设工程质量管理条例(国务院279号令)、城市建设档案管理规定(建设部90号令)、建筑工程施工质量验收统一标准(GB50300-2001).建设工程文件归档整理规范(GB/T503282001)与城市建设档案著录规范(GB/T50323-2001),特制定本规定。本规定适用于本城市规划区内的各

6、项新建、改建、扩建、续建工程与重要部位的维修工程,包含市政工程、公用设施、交通运输工程、工业建筑、民用建筑、名胜古迹、园林绿化、环境保护、人防、军事工程、水利、防灾及地下管线等建设工程。建设工程文件的整理一、建设工程文件的归档范围对与工程建设有关的重要活动、记载工程建设要紧过程与现状、具有储存价值的各类载体的文件,均应收集齐全,整理立卷后归档。广州市建筑工程文件的具体归档范围应符合本规定附录Al,广州市市工程文件的具体归档范围就符合本规定附录A2,广州市地下管线工程文件的具体归档范围应符合本规定附录A3.二、建设工程文件师归档的质量要求L归档的工程文件应为原件。2 .工程文件的内容及其深度务必

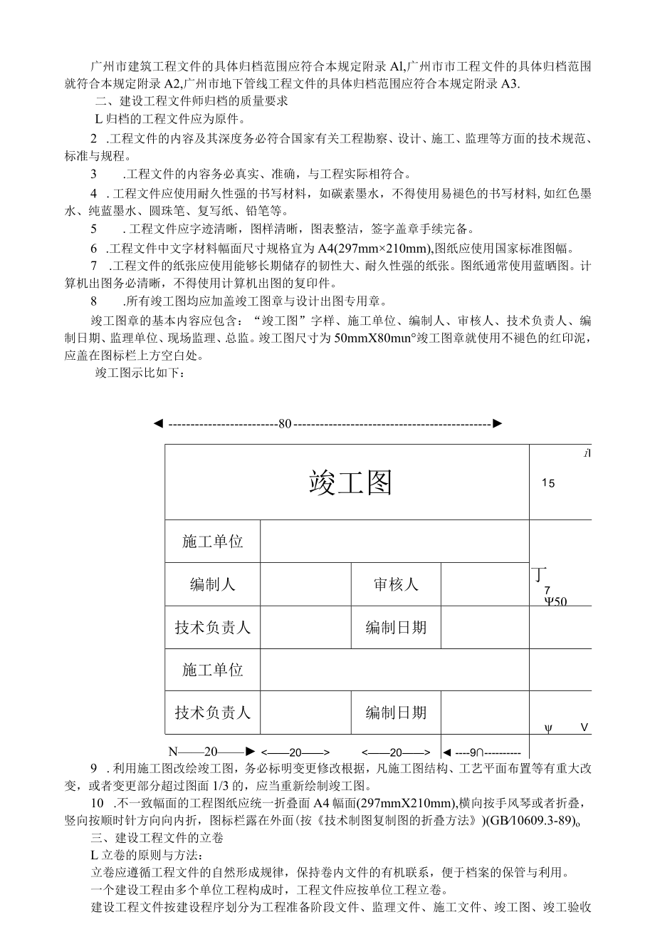
7、符合国家有关工程勘察、设计、施工、监理等方面的技术规范、标准与规程。3 .工程文件的内容务必真实、准确,与工程实际相符合。4 .工程文件应使用耐久性强的书写材料,如碳素墨水,不得使用易褪色的书写材料,如红色墨水、纯蓝墨水、圆珠笔、复写纸、铅笔等。5 .工程文件应字迹清晰,图样清晰,图表整洁,签字盖章手续完备。6 .工程文件中文字材料幅面尺寸规格宜为A4(297mm210mm),图纸应使用国家标准图幅。7 .工程文件的纸张应使用能够长期储存的韧性大、耐久性强的纸张。图纸通常使用蓝晒图。计算机出图务必清晰,不得使用计算机出图的复印件。8 .所有竣工图均应加盖竣工图章与设计出图专用章。竣工图章的基本

8、内容应包含:“竣工图”字样、施工单位、编制人、审核人、技术负责人、编制日期、监理单位、现场监理、总监。竣工图尺寸为50mmX80mn竣工图章就使用不褪色的红印泥,应盖在图标栏上方空白处。竣工图示比如下:80竣工图1iI5施工单位编制人审核人丁750技术负责人编制日期施工单位技术负责人编制日期VN2099 .利用施工图改绘竣工图,务必标明变更修改根据,凡施工图结构、工艺平面布置等有重大改变,或者变更部分超过图面1/3的,应当重新绘制竣工图。10 .不一致幅面的工程图纸应统一折叠面A4幅面(297mmX210mm),横向按手风琴或者折叠,竖向按顺时针方向向内折,图标栏露在外面(按技术制图复制图的折

9、叠方法)(GB10609.3-89)o三、建设工程文件的立卷L立卷的原则与方法:立卷应遵循工程文件的自然形成规律,保持卷内文件的有机联系,便于档案的保管与利用。一个建设工程由多个单位工程构成时,工程文件应按单位工程立卷。建设工程文件按建设程序划分为工程准备阶段文件、监理文件、施工文件、竣工图、竣工验收文件五部分。工程准备阶段文件按建设项目的建设程序、专业、形成单位等立卷,监理文件按单位工程立卷,施工文件按分部工程立卷,竣工图按单位工程与专业立卷,竣工验收文件按单位工程、专业等立卷。2 .卷内文件的排列:卷内文件务必按本规定附录A1、附录A2、附录A3的类别与顺序排列,图纸按专业图纸目录顺序排列

10、。3 .案卷的规格:文字材料通常不超过3厘米,图纸不超过4厘米。印刷成册的工程文件保持原状。4 .案卷的编目(1)卷内文件页号的编制:卷内文件均按有书写内容的页面编号。每卷单独编号,页号从“1”开始。页号编写位置:单面书写的文件在右下角;双面书写的文件,正面在右下角,背面在左上角。折叠后的图纸一律在右下角。印刷成册的科技文件,自成一卷的,原目录可代替卷内目录,不必重新编写页号。案卷封面、卷内目录、卷内备考表不编页号。(2)卷内目录的编制:卷内目录排列在卷内文件首页之前,样式应符合附录B。序号:以一份文件为单位,用阿拉伯数字从1依次标注。责任者:填写文件的直接形成单位,有多个责任者时,选择一个要

11、紧责任者,其余用“等”代替。文件编号:填写工程文件原有的文号或者图号。文件题名:填写文件标题的全称。日期:填写文件形成的日期。页次:填写文件在卷内所排的起始责号,最后一份文件填写起始页号。(3)卷内备考表的编制:卷内备考表排列在卷内文件尾之后,样式应符合附录C表。卷内备考表要紧标明卷内文件的总页数、各类文件页数(照片张数),与立卷单位对案卷情况的说明。(4)案卷封面的编制:案卷封面印刷在卷盒、卷夹的正表面,也可使用内封面形式。案卷封面样式应符合附录Do档号、档案馆(室)号与缩微号由广州市城市建设档案馆填写。案卷题名:应简明准确地揭示卷内文件内容,由工程名称、分部工程或者专业名称、卷内文件内容三

12、部分构成,基中卷内文件内容务必是广州市建筑工程档案移交一览表、广州市市政工程档案移交一览表、广州市管线工程档案移交一览表中所列的案卷内容(标题),且最多不得超出24个汉字。当同一类文件数量较多,能够构成多卷时,这些案卷的题名相同,题名后面加上括号,括号内以简短文字概括本卷内容。编制单位:填写卷内文件的形成单位或者要紧责任者,有多个形成单位时,选择其中一个要紧的,其余用“等”代替。编制日期:填写案卷内全部文件形成的起止日期。卷内目录、卷内备考表、案卷封面务必使用计算机打印。委托境外设计、施工的建设工程,其卷内目录与案卷封面务必使用中文与外文两咱文字。、5.案卷装订:案卷可使用装订与不装订两种形式

13、。文字材料务必装订。既有文字材料,又有图纸的案卷应装订。装订应使用线绳三孔左侧装订法,要整齐、牢固,便于保管与利用。6.案卷的装盒:卷盒应按广州市城市建设档案馆(下列简称市城建档案馆)规定的样式(样式见附录D、E),建设工程档案移交时务必按案卷顺序装盒,案卷较薄时,可多卷装入一盒。卷盒的填写:卷盒封面无须填写,只须在卷盒脊背的“档号”栏填写本盒内案卷的卷号,“案卷题名”栏填写工程名称。四、建设工程文件归档的时间、套数要求L归档的时间:根据建设程序的工程特点,归档能够分阶段分期进行,也能够在单位或者分部工程通过验收后进行。勘察、设计单位应当在任务完成时,施工、监理单位应当在工程竣工验收前,将各自

14、形成的有关工程档案向建设单位归档。勘察、设计、施工单位在收齐工程文件并整理立卷后,建设单位、监理单位应根据市市城建档案馆的要求对文件完整、准确、系统情况进行审查。审查合格后向建设单位移交。2.归档的套数:工程档案通常很多于两套,一套由建设单位保管,一套(原件)移交市城建档案馆。勘察、设计、施工、监理等单位向建设单位移交档案时,应编制移交清单,双方签字、盖章后方可交换。凡设计、施工及监理单位需要向本单位归档的文件,应按国家有关规定单独立卷归档。建设工程档案的预验收建设单位在组织工程竣工验收前,须提请市城建档窠馆对工程进行预验收,具体按广州市建设工程档案预验收规定(穗建档200215号)执行。建设

15、单位未取得市城建档案馆出具的建设工程竣工验收档案认可书,不得组织工程竣工验收。建设工程档案接收范围的建设工程为本城市规划区内的各项建设工程。列入市城建档案馆接收范围的工程,建设单位在工程竣工验收后3个月内,务必向市城建档案馆移交一套符合规定的建设工程档案(原件)O停建、缓建建设工程的档案,暂由建设单位保管。建设工程文件立卷装盒后,由建设单位汇齐全部建设工程档案,送市城建档案馆检查审核,符合规定的办理移交,不符合规定的,整改合格后,再办理移交。建设单位向市城建档案馆移交建设工程档案时,应办理移交手续,提交城建档窠移交目录(附电子文件),双方签字、盖章后交接。城建档案移交目录务必装订成册,由下列内容构成:1 .建设工程及档案概况表(样式见附录Fl

展开阅读全文
相关资源
猜你喜欢
相关搜索

当前位置:首页 > 建筑/环境 > 工程造价

copyright@ 2008-2023 1wenmi网站版权所有

经营许可证编号:宁ICP备2022001189号-1

本站为文档C2C交易模式,即用户上传的文档直接被用户下载,本站只是中间服务平台,本站所有文档下载所得的收益归上传人(含作者)所有。第壹文秘仅提供信息存储空间,仅对用户上传内容的表现方式做保护处理,对上载内容本身不做任何修改或编辑。若文档所含内容侵犯了您的版权或隐私,请立即通知第壹文秘网,我们立即给予删除!