煤矿图纸规范化管理制度.docx

上传人:p** 文档编号:254883 上传时间:2023-04-19 格式:DOCX 页数:20 大小:220.95KB
下载 相关 举报
煤矿图纸规范化管理制度.docx_第1页
第1页 / 共20页
煤矿图纸规范化管理制度.docx_第2页
第2页 / 共20页
煤矿图纸规范化管理制度.docx_第3页
第3页 / 共20页
煤矿图纸规范化管理制度.docx_第4页
第4页 / 共20页
煤矿图纸规范化管理制度.docx_第5页
第5页 / 共20页
煤矿图纸规范化管理制度.docx_第6页
第6页 / 共20页
煤矿图纸规范化管理制度.docx_第7页
第7页 / 共20页
煤矿图纸规范化管理制度.docx_第8页
第8页 / 共20页
煤矿图纸规范化管理制度.docx_第9页
第9页 / 共20页
煤矿图纸规范化管理制度.docx_第10页
第10页 / 共20页
亲,该文档总共20页,到这儿已超出免费预览范围,如果喜欢就下载吧!
资源描述

《煤矿图纸规范化管理制度.docx》由会员分享,可在线阅读,更多相关《煤矿图纸规范化管理制度.docx(20页珍藏版)》请在第壹文秘上搜索。

1、第一章图纸规范化管理制度第一章总则煤矿图件是煤矿的重要技术基础资料,是矿井建设的主要成果之一,是了解和指导矿井生产、建设、规划的重要工具,因此我们要客观、合理的把需要的内容反映在图纸上,做到准确、完整、美观,给图件的使用者营造出一目了然的景象。为了规范公司及所属子公司各类图件,统一图件的制作标准,推进图纸编制标准化,特制定本规定。未列事项各单位可以进一步细化。第二章管理规定一、图幅大小由于绘图仪幅宽的限制,目前公司能打印幅宽最大为107Onm)的电子版图件,要求各单位以此为上限,超过此规格作分幅处理。各类图件要进行详细规划,尽可能采用较小图幅,可供选择的图纸幅宽有107OnIn1、914mm、

2、62OmnI三种。二、图幅方向图幅较大时,可对此进行调整,要求尽量上北下南,左西右东,坐标基本做到向上X值增加,向右Y值增加。三、图幅精度图件制作过程中,钻孔、测点、地物等有坐标控制的内容,一律采用坐标(保留两位小数)上图,其它如扫描、数字化等图件上图时,一定要将坐标校正到最精确位置,才能开始进行绘制。四、比例尺1、制图所用的比例应根据设计阶段、图纸的复杂程度按表IT选取;2、如所需比例与表中规定还要缩小时应采用下式:l:10n,h210n,1:2.510n,h510n,此处n为正整数。3、在图纸上比例的标注形式如下:平面图1:2000平面图水平:1:2000,垂直:1:5004、一张图纸上采

3、用一种比例绘制图形时,只在标题栏内标注比例,如用两种或两种以上的比例绘制图形时,应分别将比例标注在图形上方,并将主要图形的比例标注在标题栏内。表11采矿图纸常用比例序号图名采用比例可用比例1矿井地质及(综合)水文地质图地形地质图1:50001:20002井上下对照图工程地质平面图、断面图1:50001:20001:20001:10001:50001:20003巷道布置困1:10001:50004采掘工程平面图1:50001:10001:20005通风系统图1:20001:10001:10006井下运输系统图1:20001:10001:50007安全监测装备布置图1:20001:10001:50

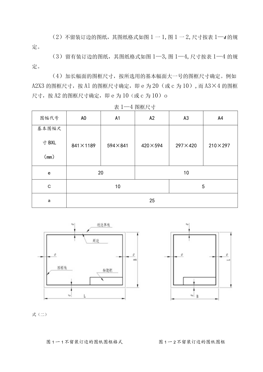
4、008井下供排水系统图防排水系统及排水设备布置图1:20001:10001:20001:10001:50001:50009防尘管路系统图1:20001:10001:500010防水注浆管路系统图1:20001:10001:500011压风管路系统图1:20001:10001:500012井上下配电系统图和井下电气设备布置图1:10001:200013井下避灾路线图1:2000,1:10001:5000五、图框格式图框格式执行GB/T1468993(技术制图图纸幅面和格式),规定如下:(1)在图纸上必须用粗实线画出图框,其格式分为不留装订边和留有装订边两种。但同一产品的图样只能采用一种格式。(2

5、)不留装订边的图纸,其图纸格式如图1一1,图1一2,尺寸按表14的规定。(3)留有装订边的图纸,其图纸格式如图13,图14,尺寸按表14的规定。(4)加长幅面的图框尺寸,按所选用的基本幅面大一号的图框尺寸确定。例如A2X3的图框尺寸,按Al的图框尺寸确定,即e为20(或c为10),而A34的图框尺寸,按A2的图框尺寸确定,即e为10(或c为10)o表14图框尺寸图幅代号AOA1A2A3A4基本图幅尺寸BXL(mm)8411189594841420594297420210297e2010C105a25图1一1不留装订边的图纸图框格式(一)图1一2不留装订边的图纸图框格式(二)图1-3留装订边的图

6、纸图框格式(一)图IV留装订边的图纸图框格式(二)六、标题栏1、标题栏的方位标题栏的方位执行GB/T1468993(技术制图图纸幅面和格式),规定如下:(1)每张图纸上都必须画出标题栏。标题栏的位置应位于图纸右下角,如图1一1至图14所示。(2)标题栏的长边置于水平方向并与图纸的长边平行时,则构成X型图纸,如图1一1、图1一3所示。若标题栏的长边与图纸的长边垂直时,则构成Y型图纸,如图12、图14所示。在此情况下,看图的方向与看标题栏的方向一致。2.标题栏的格式公司采用图1-5,各矿井及其它单位采用图1-6。限时期YiiYiGroup俾虹雌解)施数量S硼(项目名健)唧能)h计项目负责人共页质1

7、比例分馥导制团总工卷师第页检查SgS瞬)(篇单位金名傩)科室主任年腌制.20.1151,20.11515852180图16标题栏格式七、会签栏(1)会签栏的位置:有装订边的图纸,会签栏的位置见图17;图纸没有装订边时,会签栏一般位于标题栏附近;没有其它专业会签时,可不设会签栏。(2)会签栏的格式见图18。图17会签栏位置图18会签栏格式八、图纸的折叠标准图纸折叠时正面向内,折成标准A4纸大小,图纸横向放置时,图签在右下角,且要求将右下角向上折起,将图签外露,以便于图纸识别。如图1-9标题栏I/297图1-9折叠标准第三章矿井图纸种类及更新一、图纸类别1、矿井地质图和水文地质图2、井上、下对照图

8、3、巷道布置图4、采掘工程平面图5、通风系统图6、井下运输系统图7、安全监控设备布置图、安全监控断电控制图及人员定位系统设备布置图8、压风、排水、防尘、防火注浆等管路系统图9、通信联络系统设备布置图10、井上、下配电系统图和井下电气设备布置图11、井下避灾路线图二、填报更新各类图纸每月填绘一次,其中采掘工程平面图(生产矿井)、施工进度图(基建矿井)、通风系统图、充水性图、密闭管理图每半年到县局进行复核交换,当有系统发生重大变化时要及时进行修改。第四章主要图例I名你符号说明矿区边界Il黑色.线宽ItM,图例而4闻|抵探边界I黑色,tM.图例高4e井田边界一,+工色,鼓宽1叫图例高4*i拐点编号1

9、黑色,直轻4awh字淘4n池形等高线毛黜色电冷色系,字体葡及如明tO.i5Mt计色nto.3池市建筑物工色,充缜线霓O.ISj充填同距135河流育色,线克均为0.Ifi,河流名称字体为左餐肩五号宋体.P3.5,箭头长IOtM,t2溪(冲)沟有色,的头和河流线宽均为0.1S河流名卷字体为左耸周六号宋体,2.5上升泉/下陈泉iO-OILZsQQ.Q2L/S。2O15J(HO2015.HIO圈直免6a,上知题后士制.涌水Jt07。百色.左用泉号Y思榭一巴废煤窑泉QFl.ATv2015.io圜更径5,%7n.t七W虫E大0涌水JtQZ$)fc.圈内度高n红色超果明石*班伯切水弁sj,mo自缶aXA亡W

10、至水漠反一)勺巴,段长g石R.猊海时间,井深S)池塘.水库。色,歧觅0.1SI用于池形池质3B职水区jvvv,OOB.*、一一有色,歧宽内注讪厂Mth岫WHSm.标林照如蚊髀为楹方机上林L5叫下也长而4mm防样*林为红3期UH5崛缭色而丽加mM鸵T就2犯上电&上%t(Us)滤那叫必在考露石,瓢!触而iivc0J5Lss2omo电大Ie故X小士中悠品,UW08O.制幅螂日阴制脉点(I)H(2)&UlfiB夕榴墀心赧谑色,OMtBnQ)融浦头就就冰拍;。麻期侏呢嬲麻1作确触A9的OM5左上咄淘问:hftMi(7ln)j5:出融槌叫苗头航球方向朴麻觊就工WlQMsj1j股及内融丸附照上则的友魂照(M

11、加,友:现li柢右:Wy?L名称符号说明水泵-忠色,小四直径如.大留支经珈叫线宽(HIBn.中央水仓水泵,包括阶改或水平集中排水泵:区域水系搀水管地d-3M)叁色,粗线小宽0.5,箭头线宽0h,M头间题2Mn.d为管路Ii径,括号内为管路越畋,箭头表示排水方向排水方向4身色,线宽0.1廊,线长IoM.旗绘在巷道的水沟侧淋水区UUl叁色,两端淋水符号即为淋水区起止点长期现制孔志200.80Q)650.80bKi4n,大Mji在6m;K四口E二上部红色,下部花色,线高3m,含水层水位林荷()池下水等水位慢It.线Jt均为(HSlM:字体黑色,离度3河流观测讷ItHHLCl油陶下部爰色,线宽(口峡实

12、线为代他皿L”心部红色,线宽QM线融龙编号:右:釜TT临时河流观测站卜上4HLG2加.马下部苴色,线宽(Lg隹故线长IQiIt与ds)部红色,线宽(口呱线做m沟栗塔坑站山HLG3工部黑色,线宽Qlm纺长IIM商“幺飨廿t及20上新红色,B度航廊防水警戒线Ji色,实战长15a,图例高5刎,线宽均为0.3丽探水线X黄色,虚线长IM%图例15n,线宽均为0.3m禁采线-OO红色.MIO.4m最高洪水位OZHSL0200514红笆ML白线蒯揄:编号:右:黑T报废小窑XLDOl红色,ft.5m,6iimi.1.5m实测煤层Jr头/XXSft.煤层厚度1.30,线粗(UiI.3煤层厚度Y35m时为粗1耐,

13、煤层厚度3.5%按照实际投影宽度绘制推测煤层寡头*Mw”/整合界线用WnX0J5m,用亍地形地版出黑色,t.15mt实线与虞戴同店0.5,用于Ji形地质制保要合界线不整合界线,3黑色,AlO.15an,实发与虚圾何距05,点大小0.3nt用于地形地质图正断层11红色,长线宽岫短线宽(如旁边注记断层编生便角.落为桥头长如m短女On逆断层1红色,长线羽联feBM旁边注汜断层编号,彼角、落娄;前然5短线长n名卷符号说明平移断层红色,长线宽M叫旁边注记断层编号逆检断层inIlly红色.长线宽Im短线宽Q2科旁边注记断层编号,假然落差;箭头长钿n,短线长如池展代号黑色,字体荷度3m系大野,组小写,斜体池层产状黑色,#线的项崩注明实测假氟模线长。垂线长m倒转岩层黑色,线宽QlSmk垂线的项端注明实满像角,喳线长8线长加U向斜轴-I-红色,长鼓宽1mm,初头表示岩层的使斜方向,箭头0.05mm

展开阅读全文
相关资源
猜你喜欢
相关搜索

当前位置:首页 > 管理/人力资源 > 人事档案

copyright@ 2008-2023 1wenmi网站版权所有

经营许可证编号:宁ICP备2022001189号-1

本站为文档C2C交易模式,即用户上传的文档直接被用户下载,本站只是中间服务平台,本站所有文档下载所得的收益归上传人(含作者)所有。第壹文秘仅提供信息存储空间,仅对用户上传内容的表现方式做保护处理,对上载内容本身不做任何修改或编辑。若文档所含内容侵犯了您的版权或隐私,请立即通知第壹文秘网,我们立即给予删除!