狮山村特大桥1#墩明挖基础地质核查表.docx

上传人:p** 文档编号:261404 上传时间:2023-04-20 格式:DOCX 页数:1 大小:46.79KB
下载 相关 举报
狮山村特大桥1#墩明挖基础地质核查表.docx_第1页
第1页 / 共1页
亲,该文档总共1页,全部预览完了,如果喜欢就下载吧!
资源描述

《狮山村特大桥1#墩明挖基础地质核查表.docx》由会员分享,可在线阅读,更多相关《狮山村特大桥1#墩明挖基础地质核查表.docx(1页珍藏版)》请在第壹文秘上搜索。

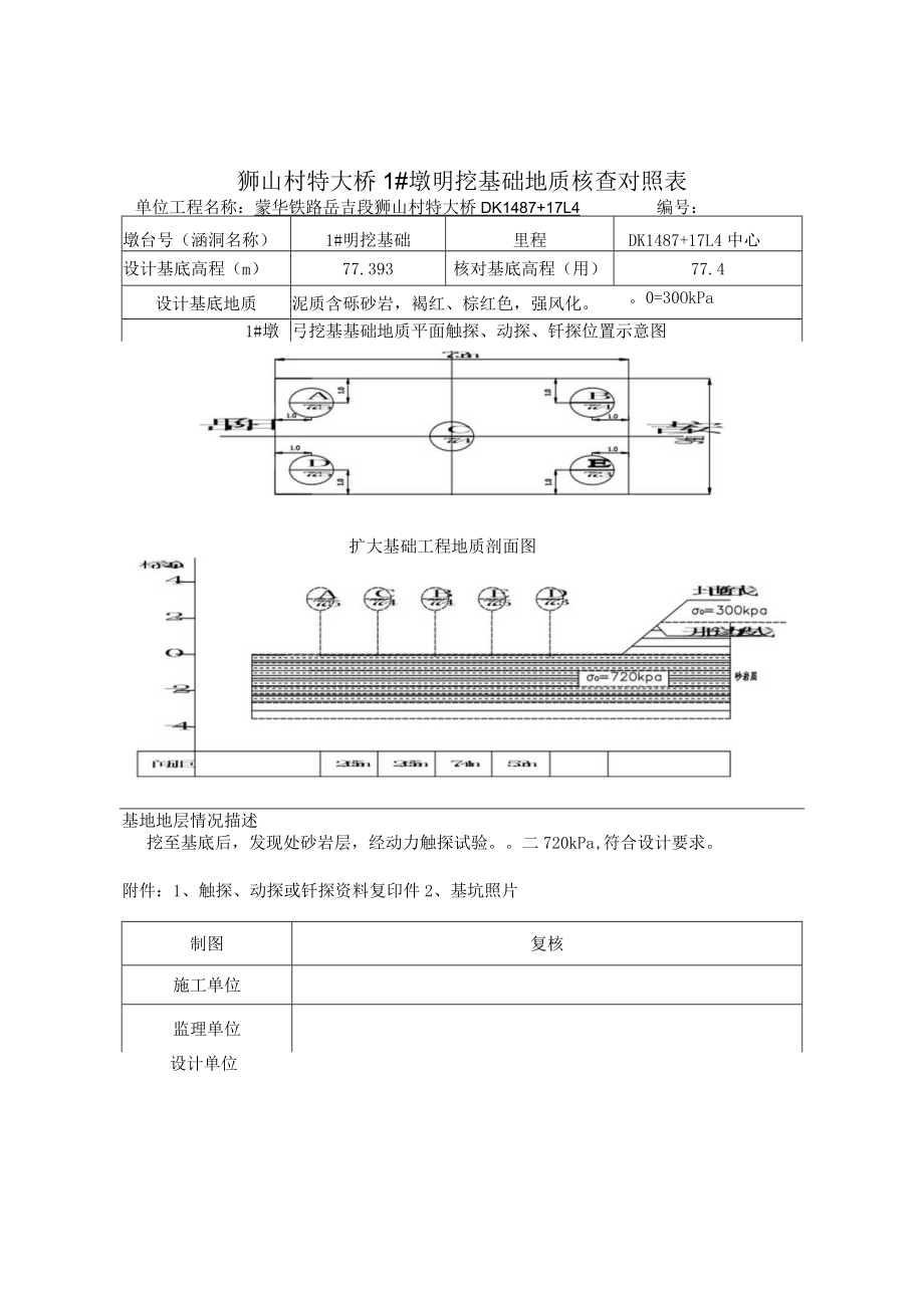
狮山村特大桥1#墩明挖基础地质核查对照表单位工程名称:蒙华铁路岳吉段狮山村特大桥DK1487+17L4编号:墩台号(涵洞名称)1#明挖基础里程DK1487+17L4中心设计基底高程(m)77.393核对基底高程(用)77.4设计基底地质泥质含砾砂岩,褐红、棕红色,强风化。0=30OkPa1#墩号弓挖基基础地质平面触探、动探、钎探位置示意图扩大基础工程地质剖面图基地地层情况描述挖至基底后,发现处砂岩层,经动力触探试验。二720kPa,符合设计要求。附件:1、触探、动探或钎探资料复印件2、基坑照片制图复核施工单位监理单位设计单位

展开阅读全文
相关资源
猜你喜欢
相关搜索

当前位置:首页 > 行业资料 > 矿业工程

copyright@ 2008-2023 1wenmi网站版权所有

经营许可证编号:宁ICP备2022001189号-1

本站为文档C2C交易模式,即用户上传的文档直接被用户下载,本站只是中间服务平台,本站所有文档下载所得的收益归上传人(含作者)所有。第壹文秘仅提供信息存储空间,仅对用户上传内容的表现方式做保护处理,对上载内容本身不做任何修改或编辑。若文档所含内容侵犯了您的版权或隐私,请立即通知第壹文秘网,我们立即给予删除!