电力建设施工质量验收(过热器“再热器”安装)检验项目及质量标准.docx

上传人:p** 文档编号:262465 上传时间:2023-04-20 格式:DOCX 页数:8 大小:43.75KB
下载 相关 举报
电力建设施工质量验收(过热器“再热器”安装)检验项目及质量标准.docx_第1页
第1页 / 共8页
电力建设施工质量验收(过热器“再热器”安装)检验项目及质量标准.docx_第2页
第2页 / 共8页
电力建设施工质量验收(过热器“再热器”安装)检验项目及质量标准.docx_第3页
第3页 / 共8页
电力建设施工质量验收(过热器“再热器”安装)检验项目及质量标准.docx_第4页
第4页 / 共8页
电力建设施工质量验收(过热器“再热器”安装)检验项目及质量标准.docx_第5页
第5页 / 共8页
电力建设施工质量验收(过热器“再热器”安装)检验项目及质量标准.docx_第6页
第6页 / 共8页
电力建设施工质量验收(过热器“再热器”安装)检验项目及质量标准.docx_第7页
第7页 / 共8页
电力建设施工质量验收(过热器“再热器”安装)检验项目及质量标准.docx_第8页
第8页 / 共8页
亲,该文档总共8页,全部预览完了,如果喜欢就下载吧!
资源描述

《电力建设施工质量验收(过热器“再热器”安装)检验项目及质量标准.docx》由会员分享,可在线阅读,更多相关《电力建设施工质量验收(过热器“再热器”安装)检验项目及质量标准.docx(8页珍藏版)》请在第壹文秘上搜索。

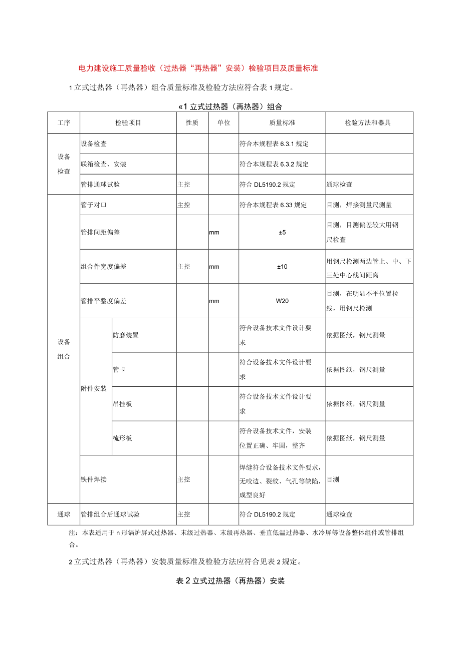
1、电力建设施工质量验收(过热器“再热器”安装)检验项目及质量标准1立式过热器(再热器)组合质量标准及检验方法应符合表1规定。1立式过热器(再热器)组合工序检验项目性质单位质量标准检验方法和器具设备检查设备检查符合本规程表6.3.1规定联箱检查、安装符合本规程表6.3.2规定管排通球试验主控符合DL5190.2规定通球检查设备组合管子对口主控符合本规程表6.33规定目测,焊接测量尺测量管排间距偏差mm5目测,目测偏差较大用钢尺检查组合件宽度偏差主控mm10用钢尺检测两边管上、中、下三处中心线间距离管排平整度偏差mmW20目测,在明显不平位置拉线,用钢尺检测附件安装防磨装置符合设备技术文件设计要求依

2、据图纸,钢尺测量管卡符合设备技术文件设计要求依据图纸,钢尺测量吊挂板符合设备技术文件设计要求依据图纸,钢尺测量梳形板符合设备技术文件,安装位置正确、牢固,整齐依据图纸,钢尺测量铁件焊接主控焊缝符合设备技术文件要求,无咬边、裂纹、气孔等缺陷,成型良好目测通球管排组合后通球试验主控符合DL5190.2规定通球检查注:本表适用于n形锅炉屏式过热器、末级过热器、末级再热器、垂直低温过热器、水冷屏等设备整体组件或管排组合。2立式过热器(再热器)安装质量标准及检验方法应符合见表2规定。表2立式过热器(再热器)安装工序检验项目性质单位质量标准检验方法和器具设备安装管子对口主控符合本规程表6.3.3规定目测,

3、焊接测量尺测量边缘管与炉墙间隙主控mm符合设备技术文件用钢尺检测若干点蛇形管底部弯头向下膨胀间隙主控mm符合设备技术文件用钢尺检测若干点管排垂直度mmW管排长度,W15吊线坠检测管排平整度偏差mm20目测,明显不平位置,拉钢丝用钢尺检测附件安装(防磨、固定装置等)mm位置、角度正确,符合设备技术文件要求,安装牢固钢尺测量铁件焊接主控无裂纹、夹渣、气孔等缺陷,成型良好目测注:本表适用于n形锅炉屏式过热器、末级过热器、末级再热器、垂直低温过热器、水冷屏等设备的组件或散件安装。3卧式过热器(再热器)组合质量标准及检验方法应符合表3规定。表3卧式过热器(再热器)组合工序检验项目性质单位质量标准检验方法

4、和器具设备检查设备检查符合本规程表6.3.1规定联箱检查、安装符合本规程表632规定管排通球试验主控符合DL5190.2规定通球检查设备组合管子对口主控符合本规程表6.3.3规定目测,焊接测量尺测量管排间距偏差mm5用钢尺检测组合件宽度偏差主控mm10用钢尺检测两边管上、中、下三处中心线间距离管排平整度偏差mm20目测,在明显不平位置拉线,用钢尺检测组合件边排管垂直度偏差mm5吊线坠,用钢尺检测,随机抽查若干点工序检验项目性质单位质量标准检验方法和器具附件安装防磨装置安装符合设备技术文件,焊接牢固,平整,不影响热膨胀钢尺测量管卡安装符合设备技术文件钢尺测量吊挂板安装设备技术文件文件钢尺测量梳形

5、定位板符合设备技术文件,安装位置正确、牢固,整齐钢尺测量铁件焊接主控焊缝符合设备技术文件要求,无裂纹、气孔等缺陷,成型良好目测,焊缝尺寸用焊缝检验尺抽查通球管排组合后通球试验主控符合DL5190.2规定通球检查注:本表适用于口形和塔式锅炉卧式过热器、再热器组合。4卧式过热器(再热器)安装质量标准及检验方法应符合表4规定。表4卧式过热器(再热器)安装工序检验项目性质单位质量标准检验方法和器具设备安装管子对口主控符合本规程表6.3.3规定目测,焊接测量尺测量管排间距偏差mm5目测管排平整度偏差mm2O目测,在偏差明显位置,用钢尺检测管排边缘管与膜式壁的距离偏差mm5钢尺测量防磨装置符合设备技术文件

6、,焊接牢固,平整,不影响热膨胀目测固定装置安装符合设备技术文件,安装位置正确,管排之间间距均匀,固定牢固目测吊挂管与管排固定牢靠,位置正确目测减震板安装安装位置正确,与管子卡接牢固目测管排与联箱连接管安装连接管与管排、联箱管座的对接安装位置正确,无强力对接。目测连接管的套管与水冷壁密封焊接密封严密,无漏焊,无咬边等缺陷。目测联箱、连接管内护板罩壳安装内护板罩壳安装符合本规程表6.1.16的规定目测内护板罩光封闭全部封闭前罩壳内清理干净,无杂物。并办理隐蔽签证目测密封件符合设备技术文件,平整牢固目测铁件焊接主控焊缝符合设备技术文件要求,无裂纹、气孔等缺陷,成型良好目测,焊缝尺寸用焊缝检验尺抽查注

7、:本表适用于n形和塔式锅炉卧式布置的过热器、再热器组件或散件设备安装。5顶棚过热器安装质量标准及检验方法符合本规程表5规定。表5顶棚过热器安装工序检验项目性质单位质量标准检验方法和器具设备检查设备检查符合本规程表6.3.1规定管排通球试验主控符合DL5190.2规定通球检查设备安装管子对口主控符合本规程表633规定目测,焊接测量尺测量管子间距mm均匀目测鳍片安装安装在管子水平中心线上、鳍片间间隙符合设各技术文件要求,焊接方式符合设备技术文件要求目测着排标高偏差mm5按本规程附录D.1规定,在前、中、后三处位置,随机抽检数点工序检验项目性质单位质量标准检验方法和器具管排平整度偏差mm5目测,在偏

8、差明显不平位置,拉线,用钢尺检测边排管子与侧墙受热面管间隙主控mm符合设备技术文件,偏差W5用钢尺,随机抽检若干点管排与前水冷壁管间隙主控mm符合设备技术文件,偏差W5立式管排穿顶棚管的间隙mm符合设备技术文件,无附加应力,能满足自由膨胀目测顶棚管固定装置安装牢固,规范,能满足自由膨胀目测密封件安装主控正确牢固目测拼缝焊接主控焊缝符合设备技术文件要求,无裂纹、气孔等缺陷,成型良好目测,焊缝尺寸用焊缝检验尺抽查6循环流化床锅炉汽冷式旋风分离器设备检查质量标准及检验方法应符合表6规定。6循环流化床锅炉汽冷式旋风分离器设备检查工序检验项目性质单位质量标准检验方法和器具设备检查材质i:控无错用,合金钢

9、部件光谱分析并出具报告,在明显处作标识核对技术文件、出厂证明,合金钢部件光谱分析并出具报告,在明显处作标识管子内部清洁匕控无尘土、锈皮、积水、金属余屑等杂物,清理完毕进行可靠封堵用压缩空气进行吹扫表面缺陷主控管子内外表面不允许有大于以下尺寸的直道及芯棒擦伤缺陷:热轧(挤)管,大于壁厚的5%,且最大深度0.4mm;冷拔(轧)钢管,大于公称壁厚的4%,且最大深度0.2mm。对发现可能超标的直道及芯棒擦伤缺陷的管子,应取样用金相法判断深度膜式壁长度偏差主控mm5拉线,用钢尺、角度尺工序检验项目性质单位质量标准检验方法和器具管排管排端部弧长偏差主控mm5等检测或在校管平台上对样检查单根管直管段长度偏差

10、mm5用钢尺检测弯管角度偏差(o)0.5钢尺、拉线检测弯曲度mmWIO目测,目测弯曲度较大的在互成90两个方位拉线、钢尺检测附件(密封填块、套管、吊挂装置等)位置正确,无损伤、缺失目测,钢尺检测受热面单根管(排)通球试验主控符合DL5190.2规定现场通球试验厂家焊缝主控焊缝符合设备技术文件要求,无裂纹、气孔等缺陷,成型良好目测,焊缝尺寸用焊缝检验尺抽查7循环流化床锅炉汽冷式旋风分离器组合质量标准及检验方法应符合表7规定。表7循环流化床锅炉汽冷式旋风分离器组合工序检验项目性质单位质量标准检验方法和器具备查设检坡口型式主控符合设备技术文件目测坡口角度偏差()W2.5用“焊缝检验尺”检测坡口端面倾

11、斜偏差mm符合DL5190.2规定用直角尺、塞尺检测坡口清洁在管端内外IOmm15mm范围内,无铁锈、油垢,并露出金属光泽焊接前,目测检查组合对口主控mm错口10%管壁厚度,且1:偏折度W1/100用IOomm缺口尺、塞尺检测;在离焊缝中心Ioomm处用钢尺、塞尺检测Wlmm通球试验主控符合DL5190.2规定对口焊接后通球检查密封件符合设备技术文件,平整、牢固,严密不漏目测直段与锥段角度偏差(o)0.5目测,用角度尺检测焊接焊接主控焊缝符合设备技术文件要求,无裂纹、气孔等缺陷,成型良好目测注:通球适用上、下两段均为单片管排供货,地面组合后的工艺要求8循环流化床锅炉汽冷式旋风分离器安装质量标准

12、及检验方法应符合表8规定表8循环流化床锅炉汽冷式旋风分离器安装工序检验项目性质单位质量标准检验方法和器具筒体安装管子对口符合本规程规定直径偏差mm10钢尺椭圆度偏差i:控mm15钢尺标高偏差mm1O以钢结构基准标高为基准,用水平仪或玻璃管水平仪测量筒体纵横中心偏差mm1O钢尺旋风分离器中心垂直度偏差匚控mm1O吊线坠检查直筒体上出口中心与锥体下出口中心烟气进入口角度偏差主控度O.5钢尺或角度尺测量内筒安装相对外筒中心偏差mm3钢尺安装角度偏差主控度O.5拉钢丝后用角度尺测量标高偏差mm3水平仪或玻璃管水平仪测量内筒支承环安装安装标高偏差mm20水平仪或玻璃管水平仪测量支承环水平度偏差度不允许向下倾斜,向上倾斜不大于5度用角度尺测量支承环宽度偏差mm10用钢尺测量支吊架安装纵横向中心线偏差mm5以锅炉纵横膨胀中心线为基准,根据图纸采用钢尺校核销轴安装销轴、开口销安装齐全,开口销销固目测吊

展开阅读全文
相关资源
猜你喜欢
相关搜索

当前位置:首页 > 建筑/环境 > 施工组织

copyright@ 2008-2023 1wenmi网站版权所有

经营许可证编号:宁ICP备2022001189号-1

本站为文档C2C交易模式,即用户上传的文档直接被用户下载,本站只是中间服务平台,本站所有文档下载所得的收益归上传人(含作者)所有。第壹文秘仅提供信息存储空间,仅对用户上传内容的表现方式做保护处理,对上载内容本身不做任何修改或编辑。若文档所含内容侵犯了您的版权或隐私,请立即通知第壹文秘网,我们立即给予删除!