电源线-来料检验规范.docx

上传人:p** 文档编号:263101 上传时间:2023-04-20 格式:DOCX 页数:2 大小:16.98KB
下载 相关 举报
电源线-来料检验规范.docx_第1页
第1页 / 共2页
电源线-来料检验规范.docx_第2页
第2页 / 共2页
亲,该文档总共2页,全部预览完了,如果喜欢就下载吧!
资源描述

《电源线-来料检验规范.docx》由会员分享,可在线阅读,更多相关《电源线-来料检验规范.docx(2页珍藏版)》请在第壹文秘上搜索。

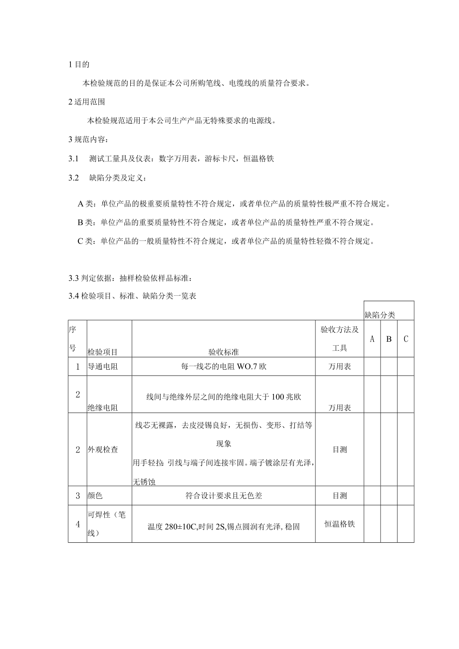
1目的本检验规范的目的是保证本公司所购笔线、电缆线的质量符合要求。2适用范围本检验规范适用于本公司生产产品无特殊要求的电源线。3规范内容:3.1 测试工量具及仪表:数字万用表,游标卡尺,恒温格铁3.2 缺陷分类及定义:A类:单位产品的极重要质量特性不符合规定,或者单位产品的质量特性极严重不符合规定。B类:单位产品的重要质量特性不符合规定,或者单位产品的质量特性严重不符合规定。C类:单位产品的一般质量特性不符合规定,或者单位产品的质量特性轻微不符合规定。3.3判定依据:抽样检验依样品标准:3.4检验项目、标准、缺陷分类一览表缺陷分类序号检验项目验收标准验收方法及工具ABC1导通电阻每一线芯的电阻WO.7欧万用表2绝缘电阻线间与绝缘外层之间的绝缘电阻大于100兆欧万用表2外观检查线芯无裸露,去皮浸锡良好,无损伤、变形、打结等现象用手轻拉:引线与端子间连接牢固。端子镀涂层有光泽,无锈蚀目测3颜色符合设计要求且无色差目测4可焊性(笔线)温度28010C,时间2S,锡点圆润有光泽,稳固恒温格铁5尺寸各部位尺寸、线芯、剥头长度、线径等应符合设计要求游标卡尺,盒尺6包装包装良好,随附出厂时间及检验合格证目测4参照文件:来料检验控制程序电子产品(包括元器件)外观检查和尺寸检验规范5相关记录与表格来料检验报告品质异常联络单

展开阅读全文
相关资源
猜你喜欢
相关搜索

当前位置:首页 > IT计算机 > 软件工程

copyright@ 2008-2023 1wenmi网站版权所有

经营许可证编号:宁ICP备2022001189号-1

本站为文档C2C交易模式,即用户上传的文档直接被用户下载,本站只是中间服务平台,本站所有文档下载所得的收益归上传人(含作者)所有。第壹文秘仅提供信息存储空间,仅对用户上传内容的表现方式做保护处理,对上载内容本身不做任何修改或编辑。若文档所含内容侵犯了您的版权或隐私,请立即通知第壹文秘网,我们立即给予删除!