电缆头制作、接线和线路绝缘测试质量标准及检验方法.docx

上传人:p** 文档编号:263218 上传时间:2023-04-20 格式:DOCX 页数:2 大小:15.79KB
下载 相关 举报
电缆头制作、接线和线路绝缘测试质量标准及检验方法.docx_第1页
第1页 / 共2页
电缆头制作、接线和线路绝缘测试质量标准及检验方法.docx_第2页
第2页 / 共2页
亲,该文档总共2页,全部预览完了,如果喜欢就下载吧!
资源描述

《电缆头制作、接线和线路绝缘测试质量标准及检验方法.docx》由会员分享,可在线阅读,更多相关《电缆头制作、接线和线路绝缘测试质量标准及检验方法.docx(2页珍藏版)》请在第壹文秘上搜索。

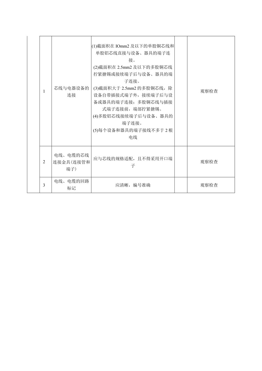
1、电缆头制作、接线和线路绝缘测试质量标准及检验方法1检查数量:主控项目1)第1项:全数检查。2)第2项、第3项:抽查10%,少于5个回路的全数检查。3)第4项:抽查10个回路。一般项目4)第1项、第2项:抽查10%,少于10处时全数检查。5)第3项:抽查5个回路。2质量标准和检验方法:电缆头制作、接线和线路绝缘测试质量标准和检验方法类别序号检查项目质量标准单位检验方法及器具主控项目1高压电力电缆直流耐压试验必须符合现行标准的规定,交接试验合格查阅试验记录2低压电线和电缆绝缘电阻值测试低压电线和电缆,线间和线对地间的绝缘电阻值必须大于0.5MQ检查测试记录或用适配仪表进行抽测3铠装电力电缆头的接地

2、线应采用铜绞线或镀锡铜编织线,截面积不应小于现行标准的规定观察检查4电线、电缆接线必须准确,并联运行电线或电缆的型号、规格、长度、相位应一致观察检查1芯线与电器设备的连接(1)截面积在IOmm2及以下的单股铜芯线和单股铝芯线直接与设备、器具的端子连接。(2)截面积在2.5mm2及以下的多股铜芯线拧紧搪锡或接续端子后与设备、器具的端子连接。(3)截面积大于2.5mm2的多股铜芯线,除设备自带插接式端子外,接续端子后与设备或器具的端子连接;多股铜芯线与插接式端子连接前,端部拧紧搪锡。(4)多股铝芯线接续端子后与设备、器具的端子连接。(5)每个设备和器具的端子接线不多于2根电线观察检查2电线、电缆的芯线连接金具(连接管和端子)应与芯线的规格适配,且不得采用开口端子观察检查3电线、电缆的回路标记应清晰,编号准确观察检查

展开阅读全文
相关资源
猜你喜欢
相关搜索

当前位置:首页 > 行业资料 > 国内外标准规范

copyright@ 2008-2023 1wenmi网站版权所有

经营许可证编号:宁ICP备2022001189号-1

本站为文档C2C交易模式,即用户上传的文档直接被用户下载,本站只是中间服务平台,本站所有文档下载所得的收益归上传人(含作者)所有。第壹文秘仅提供信息存储空间,仅对用户上传内容的表现方式做保护处理,对上载内容本身不做任何修改或编辑。若文档所含内容侵犯了您的版权或隐私,请立即通知第壹文秘网,我们立即给予删除!