电力建设施工质量验收(烟气脱硝装置安装)检验项目及质量标准.docx

上传人:p** 文档编号:263693 上传时间:2023-04-20 格式:DOCX 页数:7 大小:42.20KB
下载 相关 举报
电力建设施工质量验收(烟气脱硝装置安装)检验项目及质量标准.docx_第1页
第1页 / 共7页
电力建设施工质量验收(烟气脱硝装置安装)检验项目及质量标准.docx_第2页
第2页 / 共7页
电力建设施工质量验收(烟气脱硝装置安装)检验项目及质量标准.docx_第3页
第3页 / 共7页
电力建设施工质量验收(烟气脱硝装置安装)检验项目及质量标准.docx_第4页
第4页 / 共7页
电力建设施工质量验收(烟气脱硝装置安装)检验项目及质量标准.docx_第5页
第5页 / 共7页
电力建设施工质量验收(烟气脱硝装置安装)检验项目及质量标准.docx_第6页
第6页 / 共7页
电力建设施工质量验收(烟气脱硝装置安装)检验项目及质量标准.docx_第7页
第7页 / 共7页
亲,该文档总共7页,全部预览完了,如果喜欢就下载吧!
资源描述

《电力建设施工质量验收(烟气脱硝装置安装)检验项目及质量标准.docx》由会员分享,可在线阅读,更多相关《电力建设施工质量验收(烟气脱硝装置安装)检验项目及质量标准.docx(7页珍藏版)》请在第壹文秘上搜索。

1、电力建设施工质量验收(烟气脱硝装置安装)检验项目及质量标准1催化剂层桁架安装质量标准及检验方法应符合表1规定。表1催化剂层桁架安装工序检验项目性质单位质量标准检验方法和器具设备检查设备外观无裂纹、重皮、严重锈蚀、损伤目测厂家焊缝焊缝尺寸符合设计要求,焊接无裂纹、咬边、气孔等缺陷,焊缝成型良好目测,焊缝尺寸用焊接检验尺检测,核对出厂质量证明文件设备安装支撑梁之间相对标高偏差mm2以支撑梁上表面为基准测量最大差值水平度偏差mmW5用玻璃笆水平仪或水准仪测量中心线偏差mm5用钢尺检测梁两端中心线与壳体中心线之间的距离催化剂检修小车轨道水平度偏差mmW5用玻璃笆水平仪或水准仪测量轨道间距偏差主控mm=

2、;用钢尺检测轨道之间最大偏差螺栓连接螺栓连接紧固,无松动并有防松措施扳手检查2催化剂及密封件安装质量标准及检验方法应符合表2规定。表2催化剂及密封件安装工序检验项目性质单位质量标准检验方法和器具设备检门外观检查主控催化剂无裂纹、碎裂、损伤、受潮等,催化剂单体之间隔层材料完好未松动,介质通道内无杂物,催化剂及催化剂模块编号完好、清晰目测模块外形尺寸mm符合设备技术文件要求拉线钢尺检测对角线差WlO厂家焊缝焊缝高度应符合设计要求,焊接无咬边、气孔、裂纹等缺陷,成型良好模块位置、数量普通模块主控符合设备技术文件设备技术文件,安装记录详细、全面检查安装记录,抽检不低于25%进行复查测试模块检查安装记录

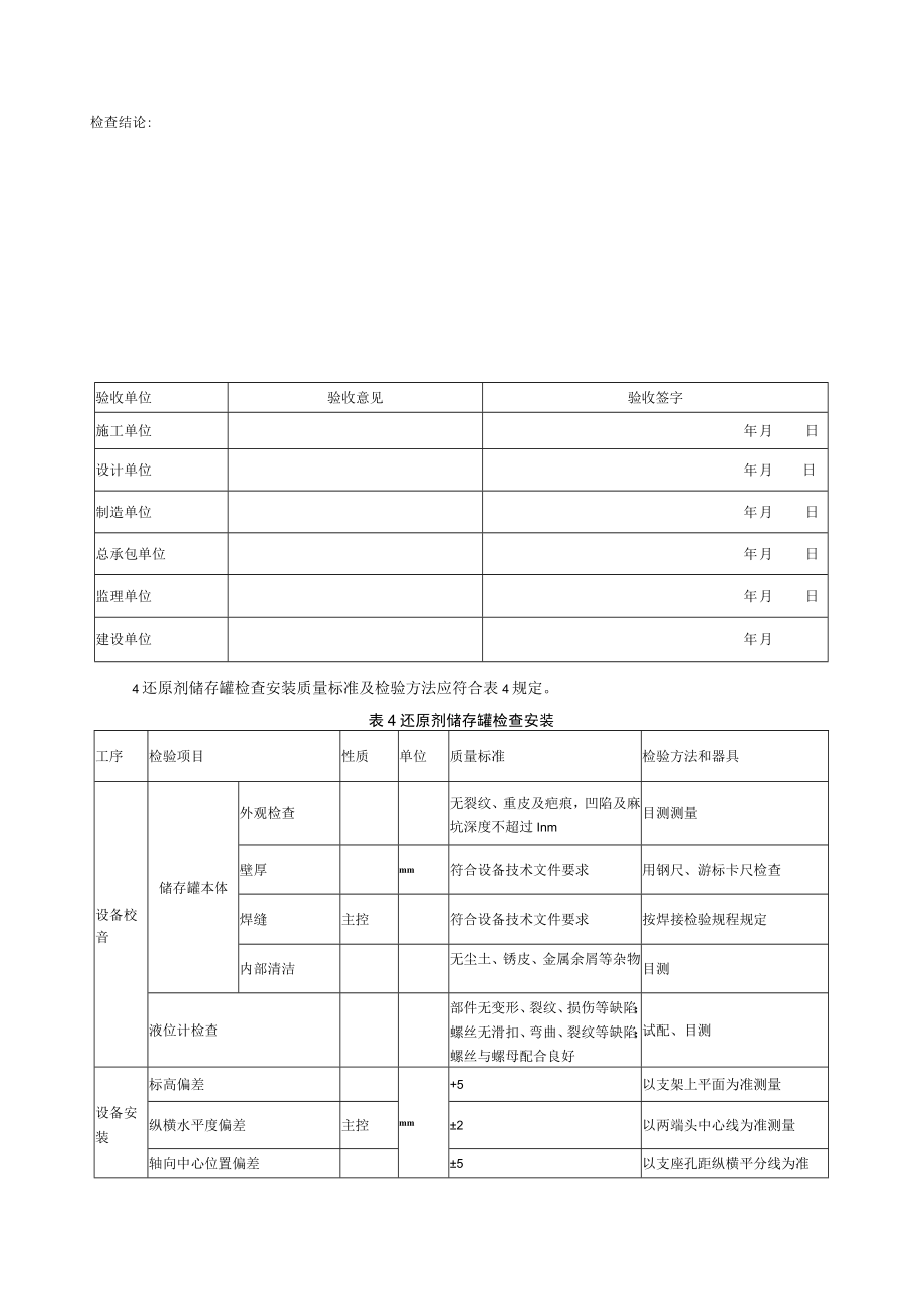
3、模块间隙偏差mm5随即抽取,钢尺测量催化剂本体安装过程中无机械损伤、受潮现象现场存放时间不宜超过四周抽查催化剂目测密封件安装零部件外形尺寸符合设计要求用钢尺检测密封板局部平整度偏差mm5目测,在偏差明显位置拉线,用钢尺检测内部清洁反应器内部清洁度主控无锈皮、焊渣、木屑、金属余屑等杂物(包括临时加固铁件切割干净)封闭前,逐个反应器目测内部清理主控反应器、烟气通道和催化剂层清洗干净,催化剂无堵塞目测3催化剂模块安装记录应按表3填写相关内容。表3催化剂模块安装记录机组工程编号:单位工程名称分部/分项工程名称反应器编号催化剂布置层设计位置模块编号安装位置模块编号安装人抽检日期备注检查结论:验收单位验收

4、意见验收签字施工单位年月日设计单位年月日制造单位年月日总承包单位年月日监理单位年月日建设单位年月4还原剂储存罐检查安装质量标准及检验方法应符合表4规定。表4还原剂储存罐检查安装工序检验项目性质单位质量标准检验方法和器具设备校音储存罐本体外观检查无裂纹、重皮及疤痕,凹陷及麻坑深度不超过Inm目测测量壁厚mm符合设备技术文件要求用钢尺、游标卡尺检查焊缝主控符合设备技术文件要求按焊接检验规程规定内部清洁无尘土、锈皮、金属余屑等杂物目测液位计检查部件无变形、裂纹、损伤等缺陷;螺丝无滑扣、弯曲、裂纹等缺陷;螺丝与螺母配合良好试配、目测设备安装标高偏差mm+5以支架上平面为准测量纵横水平度偏差主控2以两端

5、头中心线为准测量轴向中心位置偏差5以支座孔距纵横平分线为准测量纵向中心线偏差+5以支座孔距纵横平分线为准测量液位计安装液位计偏差mm1以储罐中心线为基准,按设备技术条件要求,用玻璃管水平仪检测液位计标志正常,高、低液位线明显目测罩壳安装符合设备技术文件,固定牢靠目测压力试验与泄漏性试验主控可与液氨系统管路一并进行。试验压力应符合设计文件要求试验时使用已检定标准压力表(不低于1.6级)5蒸发器检查安装质量标准及检验方法应符合表5规定。表5蒸发器检查安装工序检验指标性质单位质量标准检验方法及器具检查外观检查无明显锈蚀、破损、变形等缺陷目测垫料材质及涂料符合设备技术文件要求目测内部清洁度主控畅通,无

6、杂物空气吹扫螺栓连接螺栓连接紧固,无松动并有防松措施扳手检查本体安装垂直度偏差mm1.5Z1000在本体上部90方位吊线坠,用尺测量中心线偏差mm5以支座孔距纵横平分线为准测量标高偏差mm+5以加热器本体水平中心线为准测量严密性试验主控严密不漏参与系统严密性试验安全阀、排污阀严密不漏,操作方便目测人孔门安装螺栓丝扣、法兰垫圈均涂有黑铅粉类润滑剂,法兰垫完好,摆正,无偏斜,螺栓紧固,受力均匀目测,扳手检查注:L为蒸发器本体长度6液氨输送管道安装质量标准及检验方法应符合表6规定。表6液氨输送管道安装工序检验项目性质单位质量标准检验方法和器具管道元外观材料表面无裂纹、夹渣、折段、目测,用量具检测件检

7、查重皮等缺陷合金钢部件材质主控无错用光谱分析,并出具报告外径、壁厚mm符合设计用钢尺、游标卡尺检测,随机检查不少于2根管子内部清洁主控内部清洁无杂物吹扫阀门检验符合GB5O235规定逐个进行壳体压力试验、密封试验支吊架配制符合本规程表143.5规定现场检查测量管道安装管子对DNIOOmm主控mm1距焊口中心20Omm处测量DNIOOmm主控mm2水平管弯曲度DNIOOmm主控mmWl长度,且20用钢尺测量DNIOOmm主控mmW1.5%o长度,且20立管垂直度偏差mmW2%长度,且W15用钢尺检测焊缝主控成型良好,无漏焊和裂纹等缺陷,飞溅清理干净,焊缝高度符合设计技术文件要求焊缝底层宜采用氮孤

8、焊管道附件安装阀门符合GB50235规定核对图纸,用钢尺测量支吊架水压试验介质及温度要求主控水质应清洁,环境温度5C及l-AI:试验压力MPa1.5倍设计压力稳压20min,无渗漏无变形现场检查泄漏性试验介质及温度要求主控介质宜为气体,工作压力低于0.6MPa时可用空气,应高于材料冷脆温度试验压力MPa按设计文件要求执行,管路系统所有阀门、法兰等应无泄漏现场检查7混合器安装质量标准及检验方法应符合表7规定。表7混合器安装工序检验项目性质单位质量标准检验方法和器具混合器检查外观检查无损伤目测单个混合器长度偏差mm3用钢尺检测混合器框架对角线差mm10用钢尺检测框架上平面混合曙管道检查管材主控符合

9、设计查产品技术资料管子壁厚mm符合设计用钢尺、游标卡尺检测管子内部清洁主控无杂物用压缩空气进行吹扫,大口径管可用钢丝刷等拉擦确认阀门检验符合GB50235规定壳体压力试验、密封试验支吊架配制符合本规程表14.3.5规定现场检查测量混合标高偏差mm+5以脱硝钢架立柱Im标高线曙安装为基准,用弹簌秤、钢尺检测或用玻璃管水平仪间接测量水平度偏差mmW5用玻璃管水平仪或水准仪测量混合器支撑件安装平整,位置正确,与烟道焊接牢固目测混合曙管道安装水平管弯曲度DNIOOmmmmW0.1%长度,且W20核对图纸,拉线,用钢尺测后DN1OOmmmmW0.15%长度,且W20立管垂直度偏差mmW0.2%长度,且W

10、IO目测,吊线坠,用钢尺检测成排管段排列整齐、间距均匀目测,用钢尺检测阀门符合GB50235规定核对图纸,用钢尺测量支吊架法兰连接法兰对接平行、同心,其端面倾斜度不大于法兰外径的1.5%。,且不大于2mm;螺栓受力均匀,螺栓应露出螺母23扣钢尺测量,目测,螺栓用力矩扳手检查8(尿素储存系统安装)金属结构水箱安装质量标准及检验方法应符合表8规定。表8金属结构水箱安装工序检验项目性质单位质量标准检验方法及器具箱体检查及安装外形尺寸允许偏差符合本规程表14.1.1或表14.1.2的要求钢尺测量接管座开孔位置符合设计要求与设计文件核对中心线偏差mm20箱体底部外圆等分四点,对照基础中心线测量箱体垂直偏

11、差nm2.5/1000(为设备高度)在相互垂直的两个方位吊线坠,用尺测量箱内清洁度清洁、无杂物目测附件安装液位计标志明显、刻度均匀、动作灵活梯子、平台、栏杆齐全、牢固,栏杆顺直,便于设备操作目测严密性试验灌水试验主控无明显变形,无泄漏水位达到试验高度后保持24h,进行全面检查9尿素分解装置安装质量标准及检验方法应符合表9规定。表9周艮素分解装置安装工检验项目性质单位质量标准检验方法及器具序设备检查外观检查无损伤观察漏电试验主控不漏电用电火花检验器检查全部防腐层表面,探头行走速度3mmin6mmin,(检验电压符合防腐工艺要求)分解室安装中心线偏差mm5用钢卷尺检测标高偏差mmH用水准仪测量纵向、横向水平偏差nun21000用水平仪测量分解室安装固定牢固、方向正确目测热风管安装固定牢固、方向正确测尿素热解喷枪安装安装位置、数量符合设备技术文件要求,固定牢固,喷枪无堵塞目测测量装置安装经过校验合格,固定牢固,安装位置、数量符合设备技术文件要求目测电加热器安装固定牢固,方向正确目测管道及管件安装管内清洁无杂物,管道固定牢固,连接严密目测附件安装安全阀经过校验合格,固定牢固,方向正确目测压力表经过校验合格,

展开阅读全文
相关资源
猜你喜欢
相关搜索

当前位置:首页 > 建筑/环境 > 施工组织

copyright@ 2008-2023 1wenmi网站版权所有

经营许可证编号:宁ICP备2022001189号-1

本站为文档C2C交易模式,即用户上传的文档直接被用户下载,本站只是中间服务平台,本站所有文档下载所得的收益归上传人(含作者)所有。第壹文秘仅提供信息存储空间,仅对用户上传内容的表现方式做保护处理,对上载内容本身不做任何修改或编辑。若文档所含内容侵犯了您的版权或隐私,请立即通知第壹文秘网,我们立即给予删除!