石化公司通用环境绩效报表.docx

上传人:p** 文档编号:264143 上传时间:2023-04-20 格式:DOCX 页数:3 大小:23.06KB
下载 相关 举报
石化公司通用环境绩效报表.docx_第1页
第1页 / 共3页
石化公司通用环境绩效报表.docx_第2页
第2页 / 共3页
石化公司通用环境绩效报表.docx_第3页
第3页 / 共3页
亲,该文档总共3页,全部预览完了,如果喜欢就下载吧!
资源描述

《石化公司通用环境绩效报表.docx》由会员分享,可在线阅读,更多相关《石化公司通用环境绩效报表.docx(3页珍藏版)》请在第壹文秘上搜索。

1、石化公司通用环境绩效报表油田项目指标1-6月ITI月1-12月年累计总产量油气当量(万吨)温室气体Co2排放总量(万吨)吨油气当量C02排放量(千克/吨)工业水工业工业水取水量(万吨)吨油气当量工业水取水量(吨/吨)大气污染物S02排放量(吨)NoX排放量(吨)VOCs可挥发有机化合物排放量(吨)X吨油气当量气体排放量(千克/吨)SO2NOxVOCSX废水外排废水总量(万吨)石油类排放量(吨)CoD排放量(吨)氨氮排放量(吨)吨油气当量石油类排放量(千克/吨)吨油气当量COD排放量(千克/吨)吨油气当量氨氮排放量(千克/吨)外排废水达标率(%)废弃物作业废液排放量(吨)作业废液处理达标率()废

2、弃泥浆排放量(吨)废弃泥浆妥善处理率(%)环境费用环境费用(百万元)炼油总产量原油加工量(万吨)温室气体CO2排放量(万吨)吨原油CO2排放量(千克/吨原油)工业水工业工业水取水量(万吨)吨原油工业水取水量(吨/吨原油)大气污染物S02排放量(吨)NoX排放量(吨)VOCs可挥发有机化合物排放量(吨)X吨原油气体排放量(千克/吨原油)S02NOxVOCs)废水外排废水总量(万吨)石油类排放量(吨)COD排放总量(吨)氨氮排放总量(吨)外排废水达标率()石油类排放量(千克/吨原油)CoD排放量(千克/吨原油)氨氮排放量(千克/吨原油)废弃物危险废弃物产生总量(吨)危险废弃物妥善处理总量(吨)危险

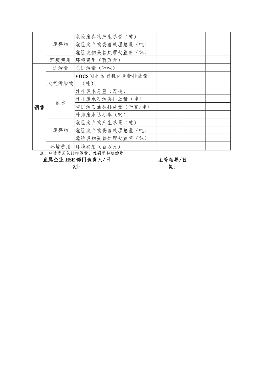
3、废物妥善处理处置率()环境费用环境费用(百万元)化工总产量产品总量(万吨)温室气体CO2排放量(万吨)吨产品Co2排放量(千克/吨产品)工业水工业工业水取水量(万吨)工业水取水量(吨/吨产品)大气污染物S02排放量(吨)NoX排放量(吨)VOCs可挥发有机化合物排放量(吨)X吨产品气体排放量(千克/吨产品)SO2NOxVOCSX废水外排废水总量(万吨)石油类排放量(吨)COD排放总量(吨)氨氮排放总量(吨)外排废水达标率()石油类排放量(千克/吨产品)COD排放量(千克/吨产品)氨氮排放量(千克/吨产品)废弃物危险废弃物产生总量(吨)危险废弃物妥善处理总量(吨)危险废物妥善处理处置率()环境费用环境费用(百万元)销售进油量总进油量(万吨)大气污染物VOCS可挥发有机化合物排放量(吨)废水外排废水总量(万吨)外排废水石油类排放量(吨)吨进油石油类排放量(千克/吨)外排废水达标率()废弃物危险废弃物产生总量(吨)危险废弃物妥善处理总量(吨)危险废物妥善处理处置率()环境费用环境费用(百万元)注:环境费用包括排污费、处罚费和赔偿费直属企业HSE部门负责人/日期:主管领导/日期:

展开阅读全文
相关资源
猜你喜欢
相关搜索

当前位置:首页 > 管理/人力资源 > 绩效管理

copyright@ 2008-2023 1wenmi网站版权所有

经营许可证编号:宁ICP备2022001189号-1

本站为文档C2C交易模式,即用户上传的文档直接被用户下载,本站只是中间服务平台,本站所有文档下载所得的收益归上传人(含作者)所有。第壹文秘仅提供信息存储空间,仅对用户上传内容的表现方式做保护处理,对上载内容本身不做任何修改或编辑。若文档所含内容侵犯了您的版权或隐私,请立即通知第壹文秘网,我们立即给予删除!