矿井中央变电所硐室设计.docx

上传人:p** 文档编号:264335 上传时间:2023-04-20 格式:DOCX 页数:4 大小:61.91KB
下载 相关 举报
矿井中央变电所硐室设计.docx_第1页
第1页 / 共4页
矿井中央变电所硐室设计.docx_第2页
第2页 / 共4页
矿井中央变电所硐室设计.docx_第3页
第3页 / 共4页
矿井中央变电所硐室设计.docx_第4页
第4页 / 共4页
亲,该文档总共4页,全部预览完了,如果喜欢就下载吧!
资源描述

《矿井中央变电所硐室设计.docx》由会员分享,可在线阅读,更多相关《矿井中央变电所硐室设计.docx(4页珍藏版)》请在第壹文秘上搜索。

1、矿井中央变电所碉室设计1设计依据根据井下动力变压器、高压开关柜、低压配电盘、机车的整流设备的容量和平面电器布置图,设计人员结合井下开拓系统及井底车场形式可进行设计工作。2设计要点(1)碉室位置首先,中央变电所碉室是全矿井下电力总配电站,为了节约输入、输出电缆线,配电均衡,安装维修方便和便于提供新鲜风流等目的,宜将变电所置于副井与井底车场连接处附近,只有在布置上受到限制时,中央变电所才单独布置。同时,因中央水泵房是主要用电户,为使管线安装简单、节省,管理集中,中央变电所常与中央水泵(a)(b)图7中央变电所胴室与水泵房胴室联合布置形式。一矿井涌水量小,水泵设备简单时的联合布置;/?涌水量量大,水

2、泵设备多时的联合布置1斜(立)井;2中央水泵房碉室;3中央变电所碉室;4一管子道;5水仓;6通道;7防水、防火密闭门;8一运输大巷(2)碉室安全要求变电所必须采用不燃性材料支护,如选用混凝土或料石砌诡,条件允许时也可采用不燃性锚喷支护。W室必须设置易关闭的既防水又防火的密闭门,门内可设向外开的铁栅门,但不得防碍铁门的开闭。从胴室出口防火门起5m内的巷道,应砌值或用其它不燃性材料支护。融电所的地坪,应比位于副井重车线侧的碉室通道与车场巷联接点年的标高高出0.5m。雨室不应有滴水现象,电缆沟应设适当流水坡度,以便将积水随时排出嗣室外。中央变电所应根据规定,设置灭火器材,如配备灭火设备和充足的砂箱,

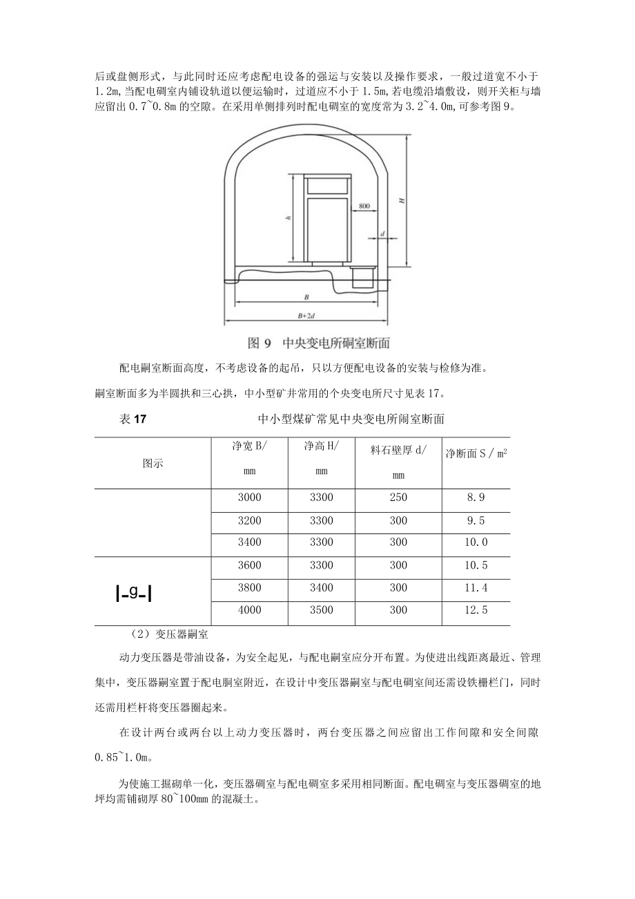
3、为此,在设计碉室的尺寸时,应留出相应的位置。3平断面布置中央变电所碉室由配电室、变压器室、通道与电缆道组成。其平面布置如图8所木O图8中央变电所平面布置1高压开关柜;2整流器;3直流配电模式;4低压开关柜;5变压器;(1)配电碉室配电嗣室的长度与宽度取决于所采用的配电盘数量及排列方式(单侧排列或双侧排列)。配电盘数应以生产后期最大使用数为度。此外,设计时还应留出一定的备用位置。中小型矿井配电设备采用单侧布置为多,低压配电设备与高压配电设置之间留有便于安装与维修的过道0.82.0mo配电碉室的宽度主要取决于配电盘采用单侧或双侧排列,设备检修采用盘前、盘后或盘侧形式,与此同时还应考虑配电设备的强运

4、与安装以及操作要求,一般过道宽不小于1.2m,当配电碉室内铺设轨道以便运输时,过道应不小于1.5m,若电缆沿墙敷设,则开关柜与墙应留出0.70.8m的空隙。在采用单侧排列时配电碉室的宽度常为3.24.0m,可参考图9。配电嗣室断面高度,不考虑设备的起吊,只以方便配电设备的安装与检修为准。嗣室断面多为半圆拱和三心拱,中小型矿井常用的个央变电所尺寸见表17。表17中小型煤矿常见中央变电所闹室断面图示净宽B/mm净高H/mm料石壁厚d/mm净断面Sm2300033002508.9320033003009.53400330030010.03600330030010.5I-g-I380034003001

5、1.44000350030012.5(2)变压器嗣室动力变压器是带油设备,为安全起见,与配电嗣室应分开布置。为使进出线距离最近、管理集中,变压器嗣室置于配电胴室附近,在设计中变压器嗣室与配电碉室间还需设铁栅栏门,同时还需用栏杆将变压器圈起来。在设计两台或两台以上动力变压器时,两台变压器之间应留出工作间隙和安全间隙0.851.0m。为使施工掘砌单一化,变压器碉室与配电碉室多采用相同断面。配电碉室与变压器碉室的地坪均需铺砌厚80100mm的混凝土。(3)主电缆通道主电线道是指地面电缆经副井井筒与中央配电碉室之间的联络通道。该道一般称为管子道。管子道不仅铺设矿井排水管,多数兼作电缆输送道。二者共用,不仅管线铺设方便,且管线材料最省。即使不共用,专用电缆通道断面大小,只需满足检修、电缆安装及巷道施工方便即可。巷道应采用不燃性材料,永久性支护。(4)通道通道供运输设备、行人、敷设电缆网之用,应采用不燃性材料支护,为保证安全还需设置密闭栅栏两用门,因此巷道断面设计除考虑运送设备的最大外形尺寸外,还应结合选定的密闭门尺寸一并确定。

展开阅读全文
相关资源
猜你喜欢
相关搜索

当前位置:首页 > 建筑/环境 > 给排水/暖通与智能化

copyright@ 2008-2023 1wenmi网站版权所有

经营许可证编号:宁ICP备2022001189号-1

本站为文档C2C交易模式,即用户上传的文档直接被用户下载,本站只是中间服务平台,本站所有文档下载所得的收益归上传人(含作者)所有。第壹文秘仅提供信息存储空间,仅对用户上传内容的表现方式做保护处理,对上载内容本身不做任何修改或编辑。若文档所含内容侵犯了您的版权或隐私,请立即通知第壹文秘网,我们立即给予删除!