砖砌体工程检验批质量验收记录表.docx

上传人:p** 文档编号:264881 上传时间:2023-04-20 格式:DOCX 页数:1 大小:18.45KB
下载 相关 举报
砖砌体工程检验批质量验收记录表.docx_第1页
第1页 / 共1页
亲,该文档总共1页,全部预览完了,如果喜欢就下载吧!
资源描述

《砖砌体工程检验批质量验收记录表.docx》由会员分享,可在线阅读,更多相关《砖砌体工程检验批质量验收记录表.docx(1页珍藏版)》请在第壹文秘上搜索。

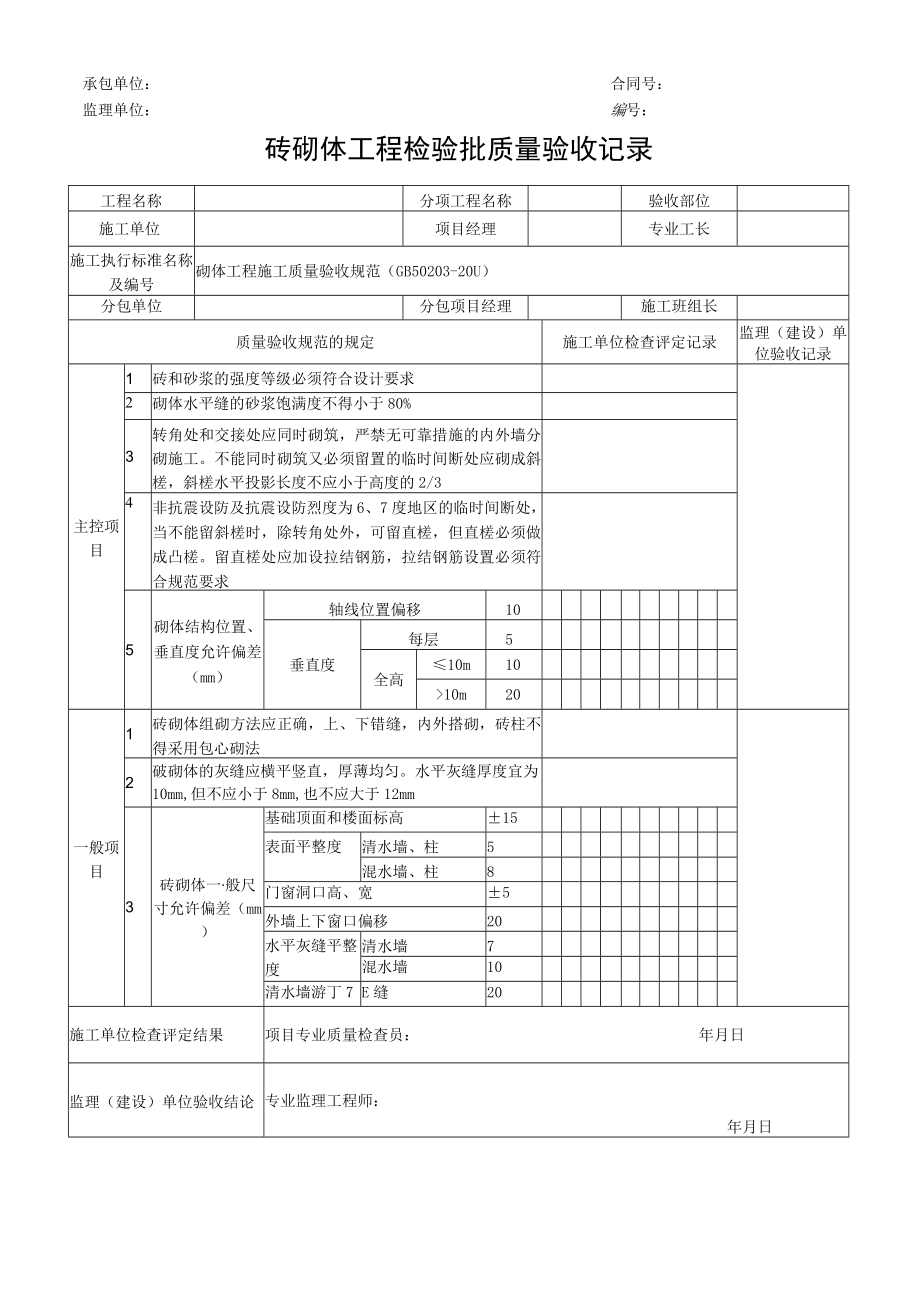
承包单位:合同号:监理单位:编号:砖砌体工程检验批质量验收记录工程名称分项工程名称验收部位施工单位项目经理专业工长施工执行标准名称及编号砌体工程施工质量验收规范(GB50203-20U)分包单位分包项目经理施工班组长质量验收规范的规定施工单位检查评定记录监理(建设)单位验收记录主控项目1砖和砂浆的强度等级必须符合设计要求2砌体水平缝的砂浆饱满度不得小于80%3转角处和交接处应同时砌筑,严禁无可靠措施的内外墙分砌施工。不能同时砌筑又必须留置的临时间断处应砌成斜槎,斜槎水平投影长度不应小于高度的2/34非抗震设防及抗震设防烈度为6、7度地区的临时间断处,当不能留斜槎时,除转角处外,可留直槎,但直槎必须做成凸槎。留直槎处应加设拉结钢筋,拉结钢筋设置必须符合规范要求5砌体结构位置、垂直度允许偏差(mm)轴线位置偏移10垂直度每层5全高10m1010m20一般项目1砖砌体组砌方法应正确,上、下错缝,内外搭砌,砖柱不得采用包心砌法2破砌体的灰缝应横平竖直,厚薄均匀。水平灰缝厚度宜为10mm,但不应小于8mm,也不应大于12mm3砖砌体一般尺寸允许偏差(mm)基础顶面和楼面标高15表面平整度清水墙、柱5混水墙、柱8门窗洞口高、宽5外墙上下窗口偏移20水平灰缝平整度清水墙7混水墙10清水墙游丁7:E缝20施工单位检查评定结果项目专业质量检查员:年月日监理(建设)单位验收结论专业监理工程师:年月日

展开阅读全文
相关资源
猜你喜欢
相关搜索

当前位置:首页 > 建筑/环境 > 工程监理

copyright@ 2008-2023 1wenmi网站版权所有

经营许可证编号:宁ICP备2022001189号-1

本站为文档C2C交易模式,即用户上传的文档直接被用户下载,本站只是中间服务平台,本站所有文档下载所得的收益归上传人(含作者)所有。第壹文秘仅提供信息存储空间,仅对用户上传内容的表现方式做保护处理,对上载内容本身不做任何修改或编辑。若文档所含内容侵犯了您的版权或隐私,请立即通知第壹文秘网,我们立即给予删除!