砖面层质量标准及检验方法.docx

上传人:p** 文档编号:264883 上传时间:2023-04-20 格式:DOCX 页数:2 大小:17.49KB
下载 相关 举报
砖面层质量标准及检验方法.docx_第1页
第1页 / 共2页
砖面层质量标准及检验方法.docx_第2页
第2页 / 共2页
亲,该文档总共2页,全部预览完了,如果喜欢就下载吧!
资源描述

《砖面层质量标准及检验方法.docx》由会员分享,可在线阅读,更多相关《砖面层质量标准及检验方法.docx(2页珍藏版)》请在第壹文秘上搜索。

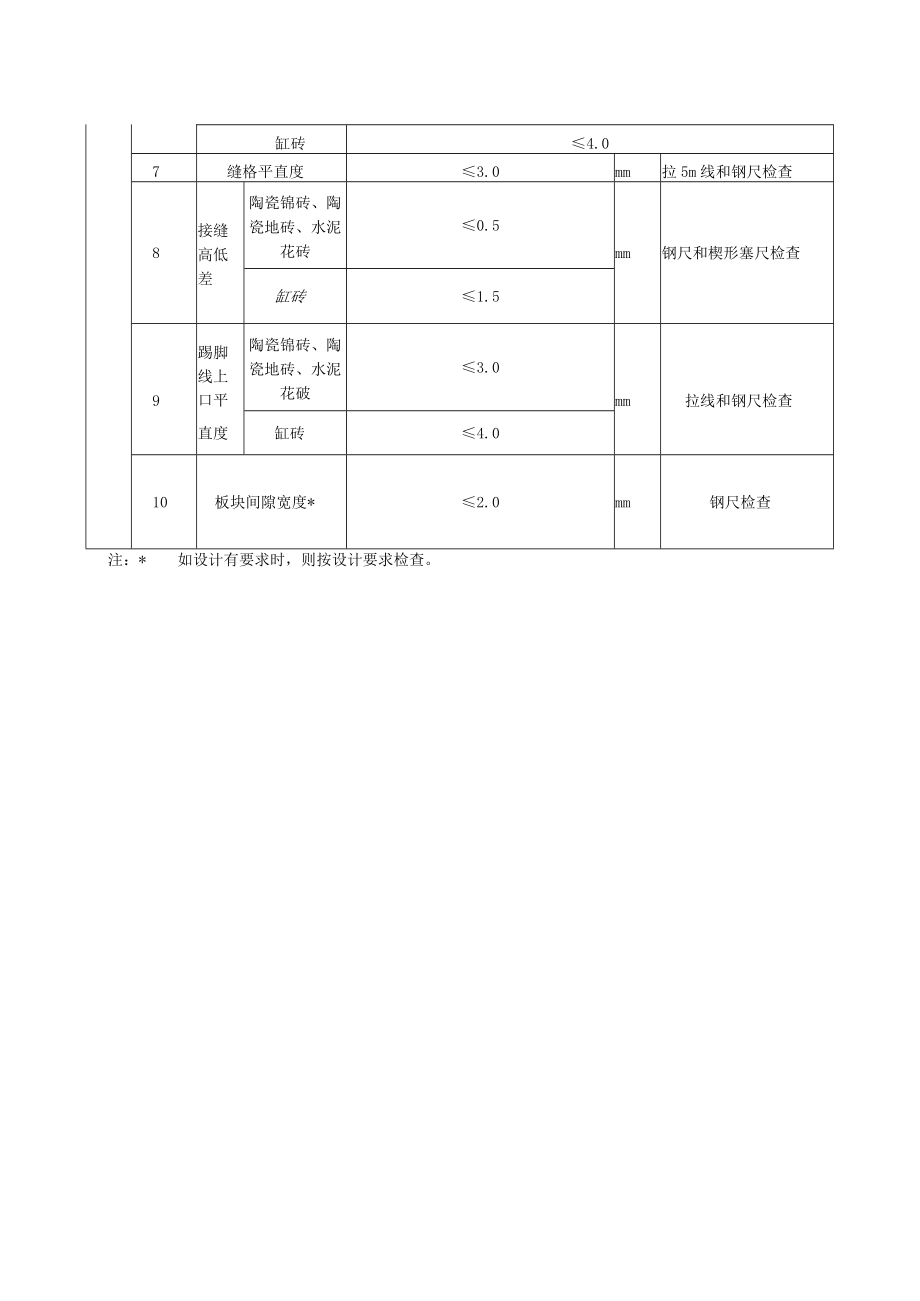
1、砖面层质量标准及检验方法1检查数量:主控项目1)材料:按进场的批次和产品的抽样检验方案确定。一般项目2)按每一层次或每层施工段(或变形缝)作为一个检验批,高层建筑的标准层可按每3层(不足3层按3层计)作为一个检验批。3)按有代表性的自然间抽查10%(过道按10延长米,仓库、厂房按两轴线为1间)但不少于3间;楼梯踏步、台阶按每层楼段为1处,但均不少于3间(处)。2质量标准和检验方法:砖面层质量标准和检验方法类别序号检查项目质量标准单位检验方法及器具主控项目1板块的品种和质量必须符合设计要求和有关标准的规定观察检查和检查材质合格证明文件及检测报告2面层与下i层结合牢固、无空鼓单块破边角有局部空鼓,

2、且每间不超过总数的5%可不计)小锤轻击检查般项目1面层表面质量表面应洁净、图案清晰、色泽一致,接缝平整、深浅一致、周边顺直。板块无裂纹、掉角和缺棱等缺陷观察检查2邻接处的镶边用料及尺寸应符合设计要求,边角整齐、光滑观察和钢尺检查3踢脚线质量表面应洁净,高度一致,结合牢固,出墙厚度一致小锤轻击、钢尺和观察检查4楼梯踏步和台阶质量板块的缝隙宽度应一致,齿角整齐;楼层梯段相邻踏步高度差不大于lOmm;防滑条顺直观察和钢尺检查般项目5面层表面坡度应符合设计要求,不倒泛水、无积水;与地漏、管道结合处应严密、牢固、无渗漏观察、泼水或坡度尺及蓄水检查6表面平整度陶瓷锦破、陶瓷地砖2.0mm靠尺和楔形塞尺检查水泥花砖3.0缸砖4.07缝格平直度3.0mm拉5m线和钢尺检查8接缝高低差陶瓷锦砖、陶瓷地砖、水泥花砖0.5mm钢尺和楔形塞尺检查缸砖1.59踢脚线上口平陶瓷锦砖、陶瓷地砖、水泥花破3.0mm拉线和钢尺检查直度缸砖4.010板块间隙宽度*2.0mm钢尺检查注:*如设计有要求时,则按设计要求检查。

展开阅读全文
相关资源
猜你喜欢
相关搜索

当前位置:首页 > 行业资料 > 国内外标准规范

copyright@ 2008-2023 1wenmi网站版权所有

经营许可证编号:宁ICP备2022001189号-1

本站为文档C2C交易模式,即用户上传的文档直接被用户下载,本站只是中间服务平台,本站所有文档下载所得的收益归上传人(含作者)所有。第壹文秘仅提供信息存储空间,仅对用户上传内容的表现方式做保护处理,对上载内容本身不做任何修改或编辑。若文档所含内容侵犯了您的版权或隐私,请立即通知第壹文秘网,我们立即给予删除!