第一部分商务需求书.docx

上传人:p** 文档编号:265522 上传时间:2023-04-20 格式:DOCX 页数:18 大小:60.29KB
下载 相关 举报
第一部分商务需求书.docx_第1页
第1页 / 共18页
第一部分商务需求书.docx_第2页
第2页 / 共18页
第一部分商务需求书.docx_第3页
第3页 / 共18页
第一部分商务需求书.docx_第4页
第4页 / 共18页
第一部分商务需求书.docx_第5页
第5页 / 共18页
第一部分商务需求书.docx_第6页
第6页 / 共18页
第一部分商务需求书.docx_第7页
第7页 / 共18页
第一部分商务需求书.docx_第8页
第8页 / 共18页
第一部分商务需求书.docx_第9页
第9页 / 共18页
第一部分商务需求书.docx_第10页
第10页 / 共18页
亲,该文档总共18页,到这儿已超出免费预览范围,如果喜欢就下载吧!
资源描述

《第一部分商务需求书.docx》由会员分享,可在线阅读,更多相关《第一部分商务需求书.docx(18页珍藏版)》请在第壹文秘上搜索。

1、第一部分商务需求书序号条款名称说明1合同期合同签订之日起至12月31日2服务地点万江辖区3报价要求(1)供应商以服务清单中各项服务的单价为最高限价,对本项目进行整体下浮率报价,报价下浮率须固定唯一(该下浮率适用于所有服务)。(2)本包组预算:.00元,供应商的报价应包含包含材料、人工、安装、运输等所有服务所有费用以及税费、各种税费等合同实施过程中应预见和不可预见的全部费用。确定成交供应商后,供应商不得以任何理由追加设备费用、辅材费用或其他费用。4付款(1)采购人每两个月为周期进行按实结算支付,由成交供应商递交当期服务阶段性验收报告及结算资料,采购人收到申请结算资料后将在30日内支付当期的合同金

2、额。(2)单项服务结算金额=当期所提供服务的单价最高限价X(I-报价下浮率)X实际服务次数。5合同条款供应商实质响应合同条款。第二部分技术需求书一、项目标的本项目确定一家服务商,为万江交警大队提供辖区内道路交通设施巡查管养服务,包括但不限于定时巡查,维修更新道路护栏、新划翻新标线,翻新标牌、交通信号灯维护以及零配件更新等服务内容。二、项目具体内容服务内容共包含三个子项内容:子项(1):日常巡查服务。供应商要每天要对所有目标约40公里道路(包括万道路万江段、莞穗路万江段、东江大道万江段、泰新路、万高路、汾溪路、坝新路、新城中心全路段、华南MALL商圈全路段、金曲路、万福路、教育路等40公里)的中

3、央护栏(约15公里)、交通信号灯(12套)运行、标线标牌等交通设施情况巡查一次,就当时上述设施的情况进行登记,并制作巡查登记表(一式两份,一份交甲方备案,一份自行留存备查),如有异常需及时向采购人反馈。同时,应采购人要求,必要时由供应商免费提供指定交通设施运行情况的书面报告。子项(2):应急维修服务。对巡查中发现的护栏缺损、交通信号灯信号故障、标牌损坏,由供应商立即制作登记表报采购人。由采购人发出维护清单,供应商凭清单在约定时间完成相应管养。子项(3):更新或翻新服务。对于采购人提出的护栏批量更新、标线批量翻新(含新划标线)、标牌批量更新等服务,供应商按要求提供相应服务。三、服务清单服务清单序

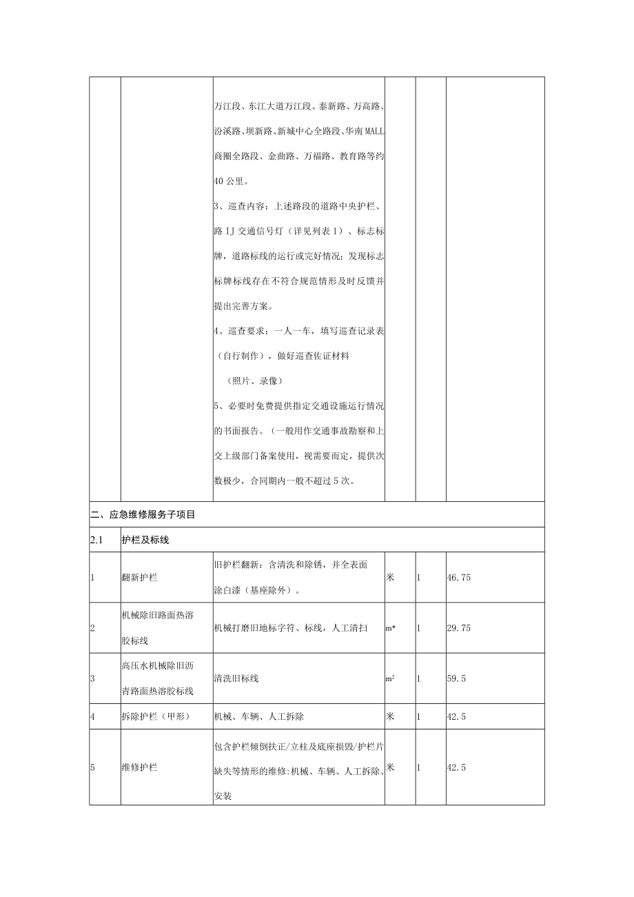
4、号品目名称规格特征单位M:冒单价最高限价(元)一、日常巡查服务子项目1日常巡查养护1.巡查频率:每天巡查1次2、巡查范围:万道路万江段、莞稷路次1290万江段、东江大道万江段、泰新路、万高路、汾溪路、坝新路、新城中心全路段、华南MALL商圈全路段、金曲路、万福路、教育路等约40公里。3、巡查内容:上述路段的道路中央护栏、路IJ交通信号灯(详见列表1)、标志标牌,道路标线的运行或完好情况;发现标志标牌标线存在不符合规范情形及时反馈并提出完善方案。4、巡查要求:一人一车,填写巡查记录表(自行制作),做好巡查佐证材料(照片、录像)5、必要时免费提供指定交通设施运行情况的书面报告。(一般用作交通事故勘

5、察和上交上级部门备案使用,视需要而定,提供次数极少,合同期内一般不超过5次。二、应急维修服务子项目2.1护栏及标线1翻新护栏旧护栏翻新:含清洗和除锈,并全表面涂白漆(基座除外)。米146.752机械除旧路面热溶胶标线机械打磨旧地标字符、标线,人工清扫m*129.753高压水机械除旧沥青路面热溶胶标线清洗旧标线m2159.54拆除护栏(甲形)机械、车辆、人工拆除米142.55维修护栏包含护栏倾倒扶正/立柱及底座损毁/护栏片缺失等情形的维修:机械、车辆、人工拆除、安装米142.56标志牌面拆除(4000*2000)1.工作内容:标志牌拆除,拆除废料由投标人自行处理块15107标志睥面拆除(3000

6、*1500)1.工作内容:标志牌拆除,拆除废料由投标人自行处理块1382.58标志牌面拆除(标志牌Wlm1)1.工作内容:标志牌拆除,拆除废料由投标人自行处理块11879L型悬臂标志拆除(含标志杆、标志牌)1 .工作内容:标志杆及标志牌拆除,拆除废料由投标人自行处理2 .吊车、升降车高空作业根154410F型悬臂标志拆除(含标志杆、标志牌)1 .工作内容:标志杆及标志牌拆除,拆除废料由投标人自行处理2 .吊车、升降车高空作业根174811丫型标志拆除(含标志杆、标志牌)1 .工作内容:标志杆及标志牌拆除,拆除废料由投标人自行处理2 .吊车、升降车高空作业根1535.512单立柱标志拆除(含标志

7、杆、标志L工作内容:标志杆及标志牌拆除,拆除废料由投标人自行处理2.吊车、升降车高空作业根1195.513标志杆基础拆除及人行道路恢复1 .悬臂标志杆基础拆除及人行道路恢复2 .C15垫层15Cm厚3 .原色人行道砖80厚C35处1314.514反光警示桩翻新1.现场人工铲除原破旧的表面反光膜,清洗干净后再现场粘贴3M超高级级反光膜m21161.52.2机动车道信号灯1检修路口信号灯(不需更换元器件、设备)路口信号灯及配套行人灯检修(出动工程车及升降机),1个路口为1次。次110202信号灯外沿(材料价格,不含安装费用)300适用个1178.53信号灯遮沿(材料价格,不含安装费用)300适用个

8、1161.54信号灯外壳(材料价格,不含安装贽用)300适用个12725信号灯饰板(材料价格,不含安装费用)300适用个1178.56信号灯灯芯(材料价格,不含安装费用)红、黄、绿灯,300LED个18507信号灯灯芯(材料价格,不含安装费用)红、黄、绿灯,200LED个17658信号灯灯芯(材料价格,不含安装费用)红、黄、绿灯,300LED,可进行全屏或箭头转换,带倒计时。组117009信号灯外沿(材料价格,不含安装费用)机动车400适用个1233.7510信号灯遮沿(材料机动车e400适用个1212.5价格,不含安装费用)11信号灯外壳(材料价格,不含安装费用)机动车400适用个13571

9、2信号灯饰板(材料价格,不含安装费用)机动车400适用个1233.7513信号灯灯芯(材料价格,不含安装费用)红、黄、绿灯,400LED个11317.514信号灯灯芯(材料价格,不含安装费用)红、黄、绿灯,400LED,可进行全屏或箭头转换,带倒计时。组12507.515交通信号灯(材料价格,不含安装费用)300红黄绿三色全屏灯组父13102.516交通信号灯(材料价格,不含安装费用)300红黄绿三色箭头灯组套12847.517交通信号灯(材料价格,不含安装费用)400红黄绿三色全屏灯组决13850.518交通信号灯(材料价格,不含安装费用)400红黄绿三色箭头灯组分13527.52.3人行信

10、号灯1检修路口行人灯(不需更换元器1个路口全部行人灯为1次。次1510件、设备)2行人灯灯芯(材料价格,不含安装费用)300红色人行灯芯套110203行人灯灯芯(材料价格,不含安装费用)300绿色人行灯芯分111734行人灯灯芯(材料价格,不含安装费用)300绿色动态人行灯芯分113435行人信号灯灯组(材料价格,不含安装费用)300红色人行灯芯、300人行倒计时灯组12677.52.4交通信号控制机1检修路口信号机(不需更换元器件、设备)1个路口信号机为1次次16002信号控制机(1)32路输出(带脉冲信号)台1158003信号控制机64路输出(带脉冲信号)台1198004按键控制面板(1)

11、信号控制机按键控制面板块163505控制机主板(1)信号控制机控制机主板块173006控制机信号输出板(1)控制机信号输出板块143507主板电源器5V/10A个110008控制机输出接线板(1)32路控制机输出接线板分110009控制机输出接线板(2)64路控制机输出接线板父1100010双电源开关32A个116011多用电源插座IOA套110012空气开关(D2P32A个110013空气开关2P63个116014电源防雷模块220V个14002.5服务设备(含人工)16吊车1.80t台班1170017吊车1.20t台班1127518升降车1.9m台班1102019升降车1.16m台班112

12、32.520载货汽车1.2t台班1680备注L该子项一般为零星派单,随派随修,最终以工作实际为准,采购人无法确定该子项的实际占比以及各品目的具体派单次数和数量,请供应商自行评估风险。三、更新翻新(新划)服务子项目3.1道路中央护栏1全新护栏A款L规格尺寸:护栏高L2mX3m长;立柱120*120*2mm,L=I2000mm(含底座高度);上下横杆40*40*1.50mm钢方通;竖杆20*20*1.2钢方通,L=820mm(竖杆长不含上下横杆)。表面部分粘贴蓝色反光膜。2.油漆要求:除锈,镀锌,表面白色粉沫喷涂。米12212全新护栏B款1 .规格尺寸:护栏高1.2m3m长;立柱:100*100*2mm,L=1200mm(含底座高度);上横杆:55*40*1.2mm;下横杆:55*30*1.2mm;竖杆50*30*1.Omm,L=830mm(竖杆长不含上下横杆),表面部分粘贴蓝色反光膜。2 .油漆要求:除锈,镀锌,表面白色粉米1170沫喷涂。3全新护栏C款L规格尺寸:护栏高1.2m3m;立柱120*120*2nm,L=1OOomm(含底座高度);外框40*40*1.5mm钢方通;竖杆25*25*1.2钢方通,L=920mm(竖杆长不含上下横杆)。2.油漆要求:除锈,镀锌,表面白色粉沫喷涂。米12044全新护栏D款1 .规格尺寸:护栏高L2mXL5m长;立柱80*800

展开阅读全文
相关资源
猜你喜欢
相关搜索

当前位置:首页 > 管理/人力资源 > 商务礼仪

copyright@ 2008-2023 1wenmi网站版权所有

经营许可证编号:宁ICP备2022001189号-1

本站为文档C2C交易模式,即用户上传的文档直接被用户下载,本站只是中间服务平台,本站所有文档下载所得的收益归上传人(含作者)所有。第壹文秘仅提供信息存储空间,仅对用户上传内容的表现方式做保护处理,对上载内容本身不做任何修改或编辑。若文档所含内容侵犯了您的版权或隐私,请立即通知第壹文秘网,我们立即给予删除!